Curiosii for ever!: Car repair manuals for everyone.

Power Seat Power Easy Access System Function Does Not Operate





SEAT: FRONT POWER SEAT CONTROL SYSTEM (w/ Memory): Power Seat Power Easy Access System Function does not Operate
- Power Seat Power Easy Access System Function does not Operate

DESCRIPTION

Fold function:

When the fold & return switch is operated with the engine switch on (IG), the vehicle unloaded, the seat belts unfastened and the shift lever in P*1 or the parking brake applied*2, the position control ECU and switch assembly detects the operation of the fold & return switch and memorizes the current seat position. It then operates each motor to slide the seat to a target position 55 mm rearward from the foremost position, recline the seat to the foremost position, and move the seat to the lowest position.

Return function:

When the return switch of the fold & return switch is pressed after the fold operation is completed, the position control ECU and switch assembly detects the operation of the fold & return switch and operates each motor to recline the seat 29° back from the foremost position and slide the seat to a target position 120 mm rearward from the foremost position. The seat will remain at the lowest position at this time. If the return switch is held down after the return operation is completed, the position control ECU and switch assembly operates each motor to return to the seat to the same position it was in before the fold operation was started (Auto operation).

The buzzer sounds for 0.1 seconds and the seat slides reward only while the fold & return switch is being pressed (Manual return operation)*3.

HINT
If the position control ECU and switch assembly is operated after the fold operation is completed, the position memory when the fold operation was started will be cleared.

* *1: for Model with automatic transmission
* *2: for Model with manual transmission
* *3: Customize setting for "AUTO" is OFF (multi information display)

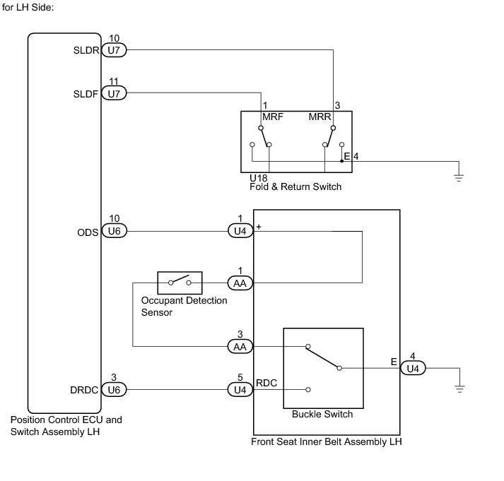
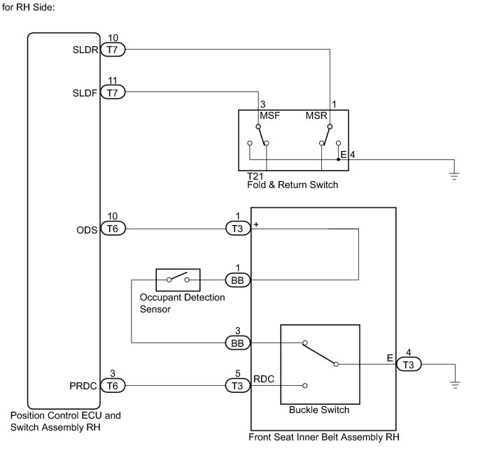
WIRING DIAGRAM









INSPECTION PROCEDURE

NOTICE:
Inspect the fuses for circuits related to this system before performing the following inspection procedure.

* After replacing the position control ECU and switch assembly, register the end-point positions of the reclining motor, lifter motor and slide motor.

* After replacing the front seat adjuster assembly, clear the seat positions stored in the position control ECU and switch assembly, and then register the end-point positions of the reclining motor, lifter motor and slide motor.

* Refer to Operation Check Operation Check.

PROCEDURE

1. CHECK MULTIPLEX COMMUNICATION SYSTEM

(a) Use the Techstream to check if the multiplex communication system is functioning normally How to Proceed With Troubleshooting.

OK:

Multiplex communication DTC is not output.

NG -- GO TO MULTIPLEX COMMUNICATION SYSTEM (DIAGNOSTIC TROUBLE CODE CHART) Multiplex Communication System
OK -- Continue to next step.

2. CHECK SEAT RESTORING FUNCTION

(a) Perform a seat restoring operation properly Operation Check.

(b) Check that the buzzer sounds for 0.1 seconds and the seat automatically moves to the memorized position.

NOTICE:
* The seat position will not return to the memorized position if the 2 or more of the seat memory switches (for example, M1 switch and M2 switch) are pressed simultaneously.
* If a restoring operation has failed, release all switches. The seat memory restoring function does not operate unless the switches are released.

OK:

Seat position memory function operates normally.

NG -- GO TO OTHER FLOW CHART (Power Seat does not Return to Memorized Position) Power Seat Does Not Return To Memorized Position
OK -- Continue to next step.

3. READ VALUE USING TECHSTREAM (FOLD & RETURN SWITCH)

(a) Connect the Techstream to the DLC3.

(b) Turn the engine switch on (IG).

(c) Turn the Techstream on.

(d) Enter the following menus: Body Electrical / Driver Seat or Passenger Seat / Data List.

(e) Read the Data List according to the display on the Techstream.

Driver Seat/Passenger Seat





NG -- INSPECT FOLD & RETURN SWITCH
OK -- Continue to next step.

4. READ VALUE USING TECHSTREAM (FRONT SEAT INNER BELT)

(a) Read the Data List according to the display on the Techstream.

Driver Seat/Passenger Seat





NG -- CHECK HARNESS AND CONNECTOR (POSITION CONTROL ECU AND SWITCH - FRONT SEAT INNER BELT)

OK -- REPLACE POSITION CONTROL ECU AND SWITCH Removal

5. INSPECT FOLD & RETURN SWITCH

(a) for LH side.

(1) Remove the fold & return switch LH Power Seat Switch.





(2) Measure the resistance according to the value(s) in the table below.

Standard Resistance:





Text in Illustration





(b) for RH side.

(1) Remove the fold & return switch RH Power Seat Switch.





(2) Measure the resistance according to the value(s) in the table below.

Standard Resistance:





Text in Illustration





NG -- REPLACE FOLD & RETURN SWITCH
OK -- Continue to next step.

6. CHECK HARNESS AND CONNECTOR (POSITION CONTROL ECU AND SWITCH - FOLD & RETURN SWITCH)

(a) for LH side.

(1) Disconnect the U7 connector from the position control ECU and switch assembly LH.





(2) Measure the resistance according to the value(s) in the table below.

Standard Resistance:





(b) for RH side.

(1) Disconnect the T7 connector from the position control ECU and switch assembly RH.

(2) Measure the resistance according to the value(s) in the table below.

Standard Resistance:





Text in Illustration





NG -- REPAIR OR REPLACE HARNESS OR CONNECTOR (POSITION CONTROL ECU AND SWITCH - FOLD & RETURN SWITCH)

OK -- REPLACE POSITION CONTROL ECU AND SWITCH Removal

7. CHECK HARNESS AND CONNECTOR (POSITION CONTROL ECU AND SWITCH - FRONT SEAT INNER BELT)

(a) for LH side.

(1) Disconnect the U6 connector from the position control ECU and switch LH.





(2) Disconnect the U4 connector from the front seat inner belt assembly LH.

(3) Measure the resistance according to the value(s) in the table below.

Standard Resistance:





(b) for RH side.

(1) Disconnect the T6 connector from the position control ECU and switch assembly LH.

(2) Disconnect the T3 connector from the front seat inner belt assembly LH.

(3) Measure the resistance according to the value(s) in the table below.

Standard Resistance:





Text in Illustration





NG -- REPAIR OR REPLACE HARNESS OR CONNECTOR (POSITION CONTROL ECU AND SWITCH - FRONT SEAT INNER BELT)
OK -- Continue to next step.

8. INSPECT FRONT SEAT INNER BELT ASSEMBLY

(a) for LH side.

(1) Disconnect the AA connector from the occupant detection sensor.





(2) Measure the resistance according to the value(s) in the table below.

Standard Resistance:





(b) for RH side.

(1) Disconnect the BB connector from the occupant detection sensor.

(2) Measure the resistance according to the value(s) in the table below.

Standard Resistance:





Text in Illustration





NG -- REPLACE FRONT SEAT INNER BELT ASSEMBLY Removal
OK -- Continue to next step.

9. INSPECT OCCUPANT DETECTION SENSOR (SEPARATE TYPE FRONT SEAT CUSHION PAD)

(a) Remove the occupant detection sensor (separate type front seat cushion pad) Disassembly.





(b) Measure the resistance according to the value(s) in the table below.

Standard Resistance:





Text in Illustration





*1: for LH Side

*2: for RH Side

NG -- REPLACE SEPARATE TYPE FRONT SEAT CUSHION ASSEMBLY Disassembly

OK -- REPLACE POSITION CONTROL ECU AND SWITCH Removal