Curiosii for ever!: Car repair manuals for everyone.

Main Relay (Computer/Fuel System): Testing and Inspection





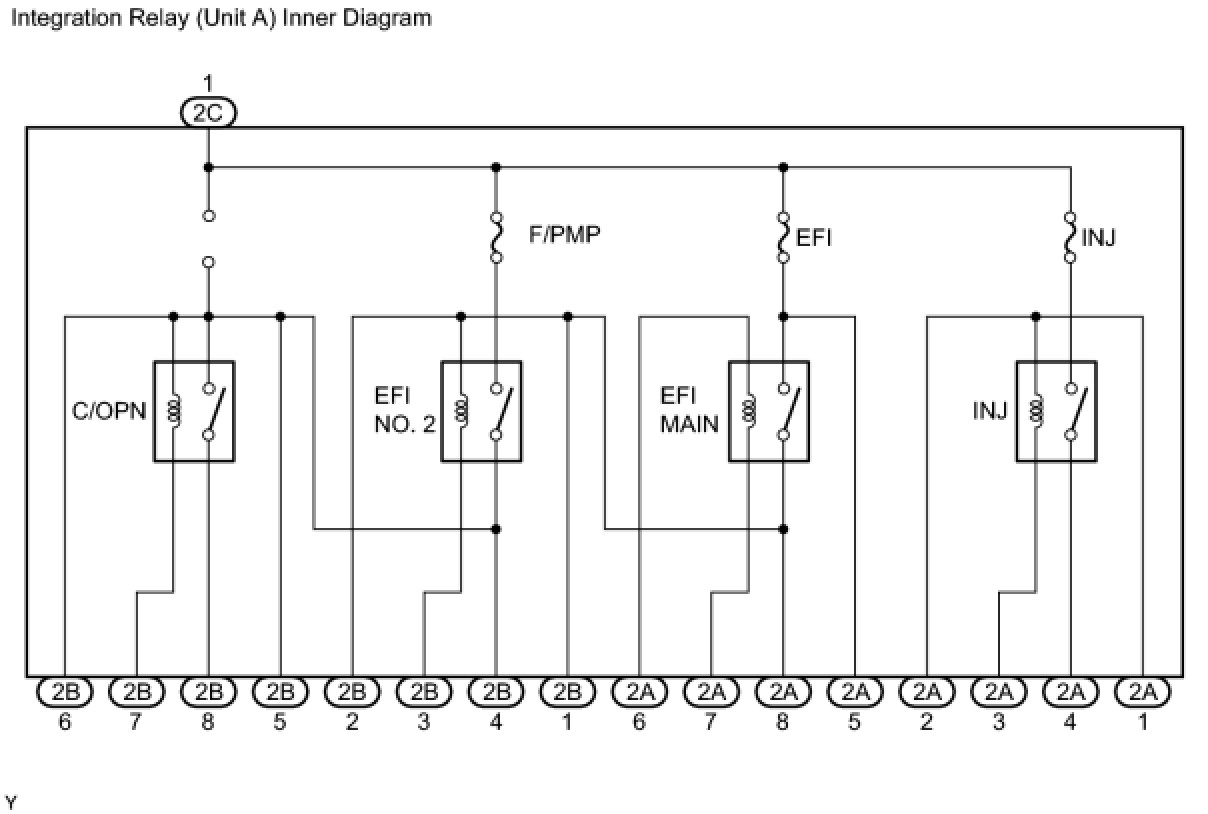
1UR-FSE ENGINE CONTROL SYSTEM: INTEGRATION RELAY: INSPECTION

1. INSPECT INTEGRATION NO.1 RELAY

NOTICE:
* Some relays are built into the integration relay (unit A). The integration relay cannot be disassembled. If there is a malfunction in the circuit of the integration relay, replace the integration relay.
* The internal circuit of the integration relay is as shown in the illustration. Inspect the integration relay using the following procedures.






(a) Measure the resistance of the C/OPN relay.





(1) Connect a battery's positive (+) lead to terminal 2A-8 and negative (-) lead to terminal 2B-3. Measure the resistance between the terminals when battery voltage is applied between the terminals.

Standard resistance:





(2) Connect a battery's positive (+) lead to terminals 2A-8 and 2C-1, and negative (-) lead to terminals 2B-3 and 2B-7. Measure the resistance between terminals 2C-1 and 2B-8 when battery voltage is applied between the terminals.

Standard resistance:





(b) Measure the resistance of the EFI MAIN relay.





(1) Remove the EFI fuse. Measure the resistance between the terminals.

Standard resistance:





(2) Connect a battery's positive (+) lead to terminal 2A-6 and negative (-) lead to terminal 2A-7. Measure the resistance between EFI fuse terminal 2 and terminal 2A-8 when battery voltage is applied between the terminals.

Standard resistance:





(c) Measure the resistance of the EFI NO. 2 relay.





(1) Measure the resistance between the terminals.

Standard resistance:





(2) Connect a battery's positive (+) lead to terminal 2A-8 and negative (-) lead to terminal 2B-3. Measure the resistance between terminals 2B-7 and 2C-1 when battery voltage is applied between the terminals.

Standard resistance:





(d) Measure the resistance of the INJ relay.





(1) Remove the INJ fuse. Measure the resistance between the terminals.

Standard resistance:





(2) Connect a battery's positive (+) lead to terminal 2A-1 and negative (-) lead to terminal 2A-3. Measure the resistance between the INJ fuse terminal 2 and terminal 2A-4 when battery voltage is applied between the terminals.

Standard resistance: