Curiosii for ever!: Car repair manuals for everyone.

Yaw Rate Sensor Communication Stop Mode





CAN COMMUNICATION: CAN COMMUNICATION SYSTEM: Yaw Rate Sensor Communication Stop Mode
- Yaw Rate Sensor Communication Stop Mode

DESCRIPTION





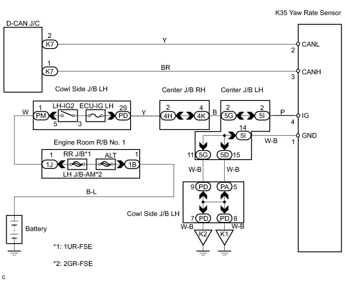
WIRING DIAGRAM





INSPECTION PROCEDURE

PROCEDURE

1. CHECK CAN BUS LINE FOR DISCONNECTION (YAW RATE SENSOR SUB BUS LINE)

(a) Turn the engine switch off.

(b) Disconnect the yaw rate sensor connector (K35).

(c) Measure the resistance according to the value(s) in the table below.





Standard resistance:





NG -- REPAIR OR REPLACE YAW RATE SENSOR SUB BUS LINE OR CONNECTOR (CAN-H, CAN-L)
OK -- Continue to next step.

2. CHECK WIRE HARNESS (IG, GND)

(a) Measure the resistance according to the value(s) in the table below.





Standard resistance:





(b) Measure the voltage according to the value(s) in the table below.

Standard voltage:





OK -- REPAIR OR REPLACE HARNESS OR CONNECTOR

OK -- REPLACE YAW RATE AND ACCELERATION SENSOR