Curiosii for ever!: Car repair manuals for everyone.

Gateway ECU Communication Stop Mode





CAN COMMUNICATION: CAN COMMUNICATION SYSTEM: Gateway ECU Communication Stop Mode
- Gateway ECU Communication Stop Mode

DESCRIPTION





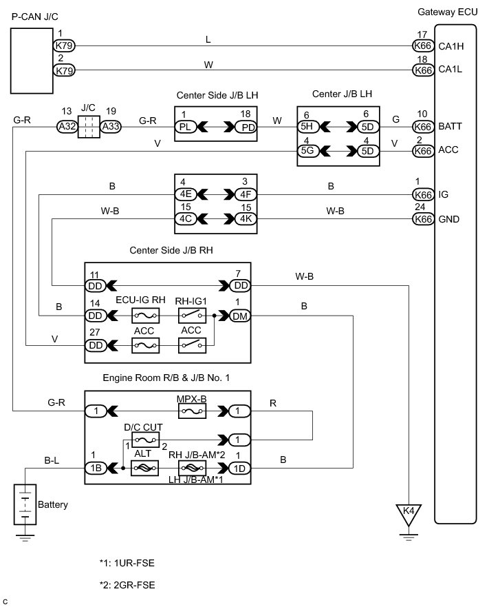
WIRING DIAGRAM





INSPECTION PROCEDURE

PROCEDURE

1. CHECK CAN BUS LINE FOR DISCONNECTION (NETWORK GATEWAY ECU SUB BUS LINE)

(a) Turn the engine switch off.

(b) Disconnect the network gateway ECU (K66).

(c) Measure the resistance according to the value(s) in the table below.





Standard resistance:





NG -- REPAIR OR REPLACE NETWORK GATEWAY ECU SUB BUS LINE OR CONNECTOR (CAN-H, CAN-L)
OK -- Continue to next step.

2. CHECK WIRE HARNESS (BATT, ACC, IG, GND)

(a) Measure the resistance according to the value(s) in the table below.





Standard resistance:





(b) Measure the voltage according to the value(s) in the table below.

Standard voltage:





NG -- REPAIR OR REPLACE HARNESS OR CONNECTOR

OK -- REPLACE NETWORK GATEWAY ECU