Curiosii for ever!: Car repair manuals for everyone.

ECM Communication Stop Mode





CAN COMMUNICATION: CAN COMMUNICATION SYSTEM: ECM Communication Stop Mode
- ECM Communication Stop Mode

DESCRIPTION





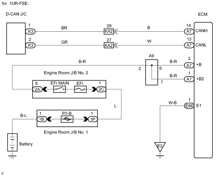
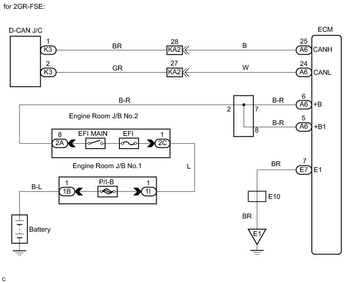
WIRING DIAGRAM









INSPECTION PROCEDURE

PROCEDURE

1. CHECK VEHICLE TYPE

(a) Check the engine model of the vehicle.

Result:





B -- CHECK CAN BUS LINE FOR DISCONNECTION (ECM SUB BUS LINE)
A -- Continue to next step.

2. CHECK CAN BUS LINE FOR DISCONNECTION (ECM SUB BUS LINE)

(a) Turn the engine switch off.

(b) Disconnect the ECM connector (A7).

(c) Measure the resistance according to the value(s) in the table below.





Standard resistance:





NG -- REPAIR OR REPLACE ECM SUB BUS LINE OR CONNECTOR (CAN-H, CAN-L)
OK -- Continue to next step.

3. CHECK ECM POWER SOURCE CIRCUIT

(a) Check the ECM power source circuit ECM Power Source Circuit.

OK:

The ECM power source circuit is normal.

HINT
If there is no abnormality in the ECM power source circuit, replace the ECM.

NG -- REPAIR OR REPLACE ECM POWER SOURCE CIRCUIT

OK -- REPLACE ECM

4. CHECK CAN BUS LINE FOR DISCONNECTION (ECM SUB BUS LINE)

(a) Turn the engine switch off.

(b) Disconnect the ECM connector (A6).

(c) Measure the resistance according to the value(s) in the table below.





Standard resistance:





NG -- REPAIR OR REPLACE ECM SUB BUS LINE OR CONNECTOR (CAN-H, CAN-L)
OK -- Continue to next step.

5. CHECK ECM POWER SOURCE CIRCUIT

(a) Check the ECM power source circuit ECM Power Source Circuit.

OK:

The ECM power source circuit is normal.

HINT
If there is no abnormality in the ECM power source circuit, replace the ECM.

NG -- REPAIR OR REPLACE ECM POWER SOURCE CIRCUIT

OK -- REPLACE ECM