Curiosii for ever!: Car repair manuals for everyone.

Absorber Control ECU Communication Stop Mode





CAN COMMUNICATION: CAN COMMUNICATION SYSTEM: Absorber Control ECU Communication Stop Mode
- Absorber Control ECU Communication Stop Mode

DESCRIPTION





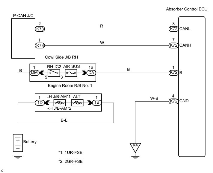
WIRING DIAGRAM





INSPECTION PROCEDURE

PROCEDURE

1. CHECK CAN BUS LINE FOR DISCONNECTION (ABSORBER CONTROL ECU SUB BUS LINE)

(a) Turn the engine switch off.

(b) Disconnect the absorber control ECU connector (K72).

(c) Measure the resistance according to the value(s) in the table below.





Standard resistance:





NG -- REPAIR OR REPLACE ABSORBER CONTROL ECU SUB BUS LINE OR CONNECTOR (CAN-H, CAN-L)
OK -- Continue to next step.

2. CHECK WIRE HARNESS (B, GND)

(a) Measure the resistance according to the value(s) in the table below.





Standard resistance:





(b) Measure the voltage according to the value(s) in the table below.

Standard voltage:





NG -- REPAIR OR REPLACE HARNESS OR CONNECTOR

OK -- REPLACE ABSORBER CONTROL ECU