Curiosii for ever!: Car repair manuals for everyone.

Rear Door RH Entry Lock and Unlock Functions Do Not Operate





DOOR LOCK: SMART ACCESS SYSTEM WITH PUSH-BUTTON START: Rear Door RH Entry Lock and Unlock Functions do not Operate
- Rear Door RH Entry Lock and Unlock Functions do not Operate

DESCRIPTION

Both the entry lock and unlock functions do not operate when: 1) nothing is output from the door electrical key oscillator rear RH, 2) the smart access system with push-button start is disabled through customization, or 3) the entire power door lock control system is malfunctioning.

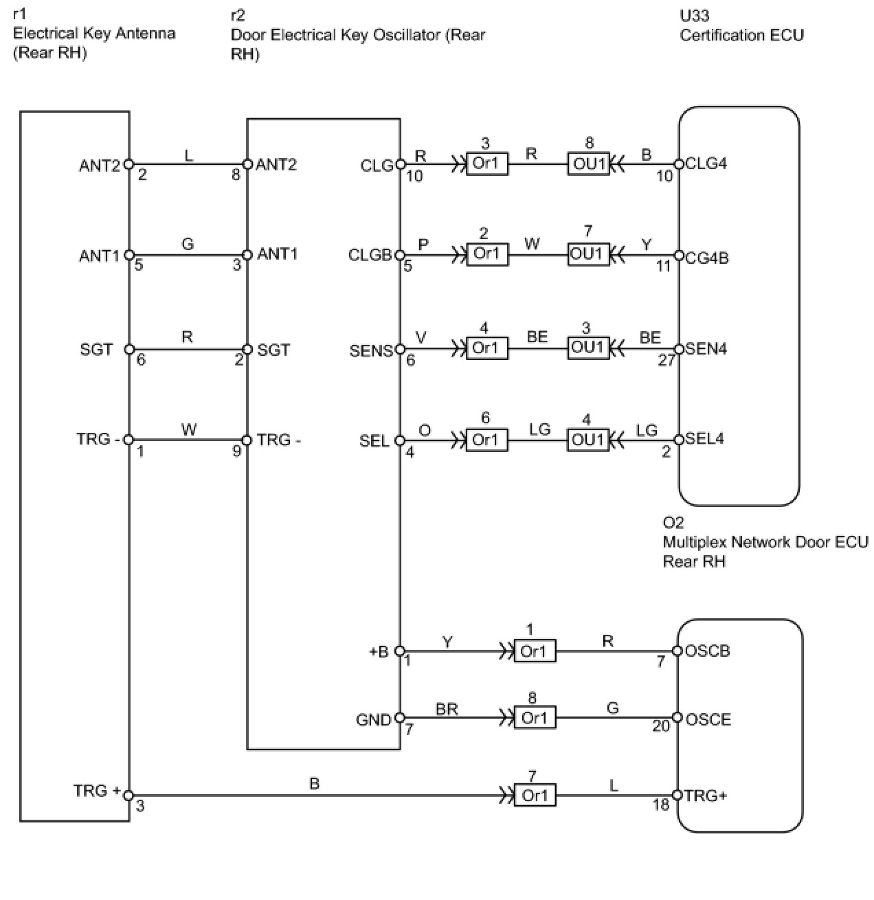
WIRING DIAGRAM





INSPECTION PROCEDURE

PROCEDURE

1. CHECK MANUAL DOOR LOCK AND UNLOCK OPERATION

(a) Check that the manual door lock and unlock function operates normally.

OK:

Manual door lock and unlock function operates normally.

NG -- GO TO POWER DOOR LOCK CONTROL SYSTEM
OK -- Continue to next step.

2. READ VALUE USING TECHSTREAM (DOOR LOCK POSITION SWITCH)

(a) Check the DATA LIST for proper functioning of the door lock position switch.

Multiplex Network Door ECU Rear RH:





OK:

On the Techstream screen, the display changes between ON and OFF as shown in the chart above.

NG -- GO TO POWER DOOR LOCK CONTROL SYSTEM (Proceed to Only Rear Door RH LOCK / UNLOCK Functions do not Operate)
OK -- Continue to next step.

3. PERFORM ACTIVE TEST USING TECHSTREAM (DOOR ELECTRICAL KEY OSCILLATOR REAR RH)

(a) Select the ACTIVE TEST, use the Techstream to generate a control command, and then check that the oscillator operates.

Certification ECU:





OK:

When key is brought close to door oscillator that is OFF, indicator light on key illuminates.

OK -- REPLACE CERTIFICATION ECU ASSEMBLY
NG -- Continue to next step.

4. CHECK WIRE HARNESS (ECU - OSCILLATOR)





(a) Disconnect the U33 ECU connector.

(b) Disconnect the r2 oscillator connector.

(c) Measure the resistance of the wire harness side connector.

Standard resistance:





NG -- REPAIR OR REPLACE HARNESS AND CONNECTOR
OK -- Continue to next step.

5. CHECK WIRE HARNESS (OSCILLATOR - ANTENNA)





(a) Disconnect the r2 oscillator connector.

(b) Disconnect the r1 antenna connector.

(c) Measure the resistance and voltage of the wire harness side connector.

Standard resistance:





NG -- REPAIR OR REPLACE HARNESS AND CONNECTOR
OK -- Continue to next step.

6. CHECK WIRE HARNESS (OSCILLATOR - ECU)





(a) Disconnect the r2 oscillator connector.

(b) Disconnect the O2 ECU connector.

(c) Measure the resistance of the wire harness side connector.

Standard resistance:





NG -- REPAIR OR REPLACE HARNESS AND CONNECTOR
OK -- Continue to next step.

7. CHECK WIRE HARNESS (ANTENNA - ECU)





(a) Disconnect the r1 antenna connector.

(b) Disconnect the O2 ECU connector.

(c) Measure the resistance of the wire harness side connector.

Standard resistance:





NG -- REPAIR OR REPLACE HARNESS AND CONNECTOR
OK -- Continue to next step.

8. CHECK OPERATION OF ELECTRICAL KEY ANTENNA REAR RH

(a) After replacing the electrical key antenna rear RH with a normal one, check that the entry lock and unlock functions operate normally.

OK:

Entry lock and unlock functions operate normally.

OK -- END (ELECTRICAL KEY ANTENNA REAR RH IS DEFECTIVE)
NG -- Continue to next step.

9. CHECK OPERATION OF DOOR ELECTRICAL KEY OSCILLATOR REAR RH

(a) After replacing the door electrical key oscillator rear RH with a normal one, check that the entry lock and unlock functions operate normally.

OK:

Entry lock and unlock functions operate normally.

NG -- REPLACE CERTIFICATION ECU ASSEMBLY

OK -- END (DOOR ELECTRICAL KEY OSCILLATOR REAR RH IS DEFECTIVE)