Curiosii for ever!: Car repair manuals for everyone.

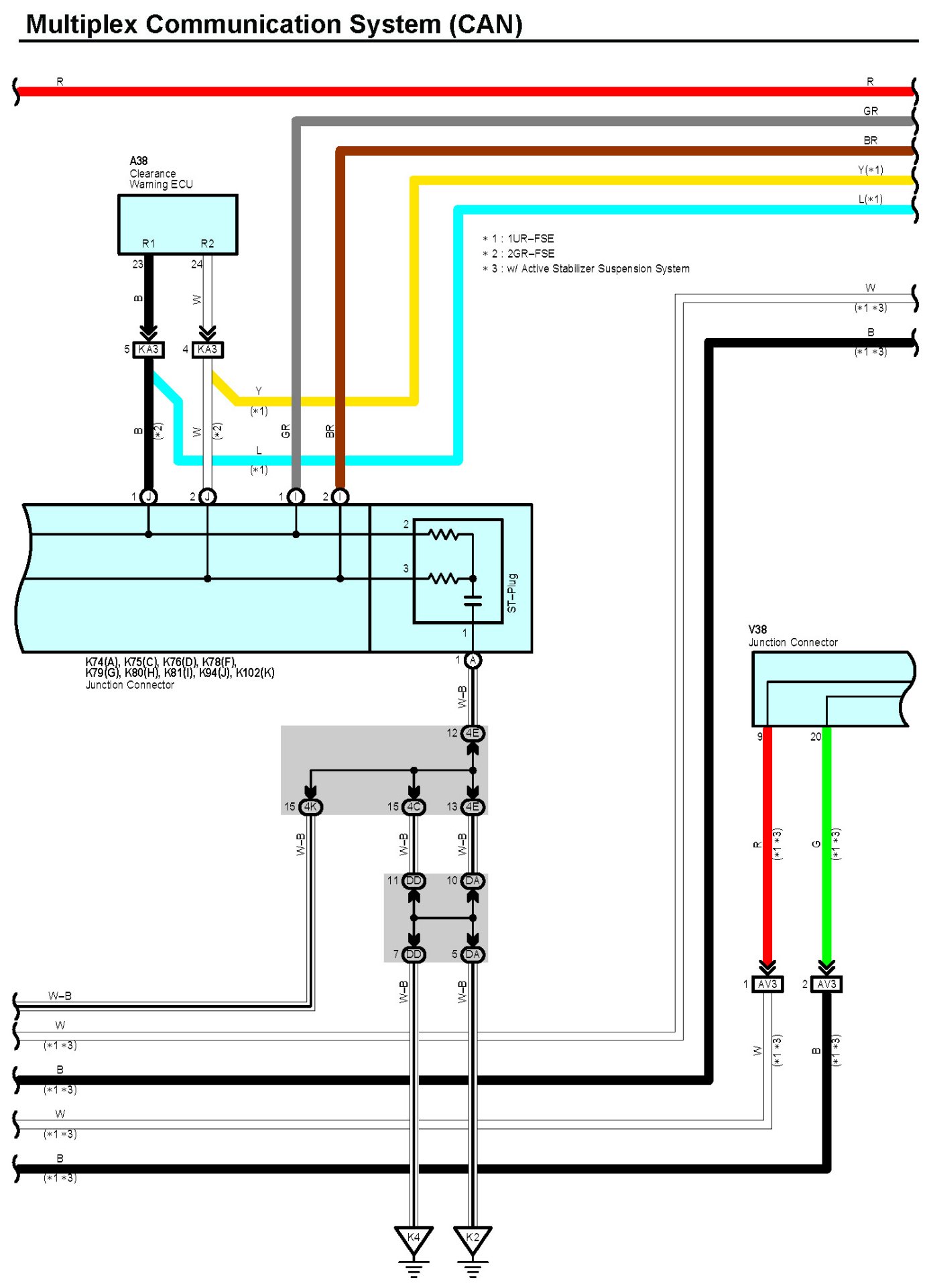
Multiplex Communication System (CAN) Part 3

Multiplex Communication System (CAN) Part 3:












Next Diagram Multiplex Communication System (CAN) Part 4

Previous Diagram Multiplex Communication System (CAN) Part 2

Locations: The locations of components, connectors, ground points, and splices referred to within these diagrams can be found at Vehicle Locations. Locations

Connector Views: Diagrams of the connectors referred to within these diagrams can be found at Connector Views by Connector Number. Connector Views By Connector Number