Curiosii for ever!: Car repair manuals for everyone.

Cruise Control Switch Circuit





CRUISE CONTROL: CRUISE CONTROL SYSTEM: Cruise Control Switch Circuit
- Cruise Control Switch Circuit

DESCRIPTION

The cruise control main switch operates 7 functions: SET, COAST, TAP-DOWN, RESUME, ACCEL, TAP-UP, and CANCEL. The SET, TAP-DOWN and COAST functions, and the RESUME, TAP-UP and ACCEL functions are operated with the same switch. The cruise control main switch is an automatic return type switch which turns on only while operating it in each arrow direction and turns off after releasing it. The internal contact point of the cruise control main switch is turned on with the switch operation. Then the ECM reads the resistance value that has been changed by the switch operation to control SET, COAST, RESUME, ACCEL and CANCEL.

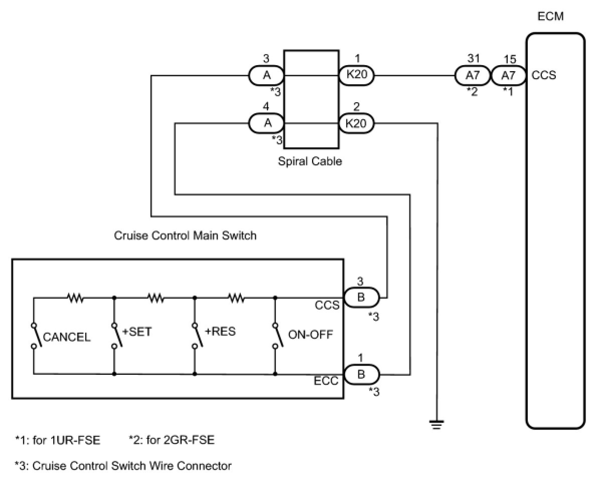
WIRING DIAGRAM





INSPECTION PROCEDURE

PROCEDURE

1. READ VALUE USING TECHSTREAM





(a) Connect the Techstream to the DLC3.

(b) Turn the engine switch on (IG).

(c) Turn the Techstream main switch ON.

(d) Check the Data List for proper functioning of the cruise control main switch.

Text in Illustration





Cruise control (ECM):





OK:

When cruise control main switch operation is performed, the results will be same as above.

Result:





C -- REPLACE CRUISE CONTROL MAIN SWITCH

B -- INSPECT CRUISE CONTROL MAIN SWITCH

A -- PROCEED TO NEXT SUSPECTED AREA SHOWN IN PROBLEM SYMPTOMS TABLE

2. INSPECT CRUISE CONTROL MAIN SWITCH

(a) Disconnect the cruise control main switch connector.

(b) Measure the resistance according to the value(s) in the table below.





Text in Illustration





(c) Reconnect the cruise control main switch connector.

Standard Resistance:





*1: Lever is in the neutral position

NG -- REPLACE CRUISE CONTROL MAIN SWITCH
OK -- Continue to next step.

3. CHECK CRUISE CONTROL SWITCH WIRE

(a) Disconnect the spiral cable connector.





(b) Measure the resistance according to the value(s) in the table below.

Standard resistance





Text in Illustration





(c) Reconnect the spiral cable connector.

NG -- REPLACE CRUISE CONTROL SWITCH WIRE
OK -- Continue to next step.

4. INSPECT SPIRAL CABLE





(a) Disconnect the spiral cable connector.

(b) Measure the resistance according to the value(s) in the table below.

Standard resistance:





Text in Illustration





(c) Reconnect the spiral cable connector.

NG -- REPLACE SPIRAL CABLE
OK -- Continue to next step.

5. CHECK HARNESS AND CONNECTOR (SPIRAL CABLE - ECM AND BODY GROUND)

(a) Disconnect the ECM connector.

(b) Measure the resistance according to the value(s) in the table below.

Standard resistance (for 1UR-FSE):





Standard resistance (for 2GR-FSE):





(c) Reconnect the ECM connector.

NG -- REPAIR OR REPLACE HARNESS OR CONNECTOR (SPIRAL CABLE - ECM AND BODY GROUND)

OK -- PROCEED TO NEXT SUSPECTED AREA SHOWN IN PROBLEM SYMPTOMS TABLE