Curiosii for ever!
: Car repair manuals for everyone.
Home
>>
Lexus
>>
2011
>>
ES 350 V6-3.5L (2GR-FE)
>>
Repair and Diagnosis
>>
Transmission and Drivetrain
>>
Automatic Transmission/Transaxle
>>
Transmission Temperature Sensor/Switch
>>
Service and Repair
>>
Components
Components
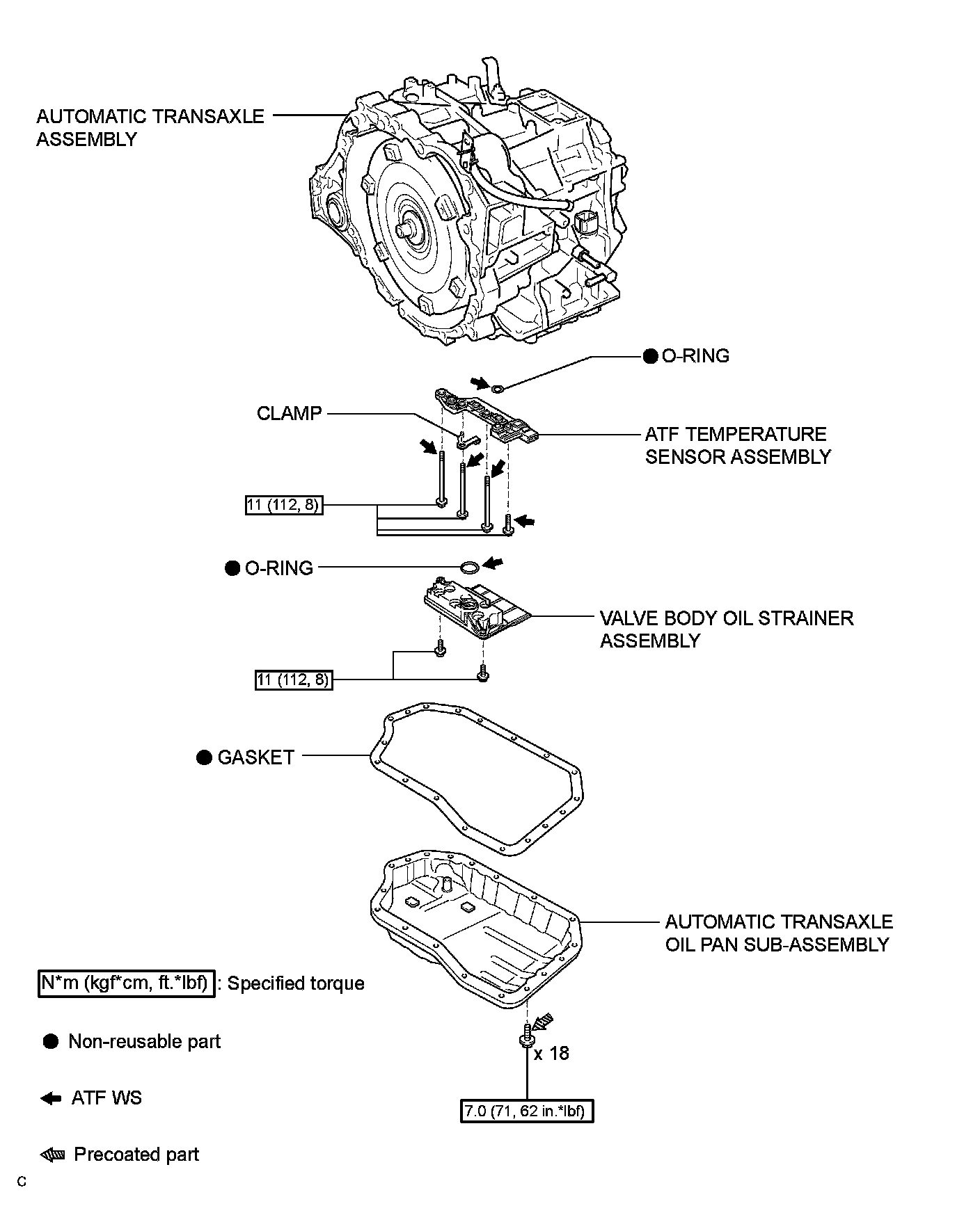
U660E AUTOMATIC TRANSAXLE: ATF TEMPERATURE SENSOR: COMPONENTS