Curiosii for ever!: Car repair manuals for everyone.

Reassembly





3UZ-FE CHARGING: GENERATOR: REASSEMBLY

1. INSTALL GENERATOR ROTOR ASSEMBLY





(a) Place the drive end frame on the pulley.

(b) Install the rotor to the drive end frame.

2. INSTALL GENERATOR COIL ASSEMBLY





(a) Place the generator washer on the rotor.





(b) Using a 29 mm socket wrench and press, slowly press in the coil.





(c) Install the coil with the 4 bolts.

Torque : 5.8 Nm (59 kgf-cm, 51 in-lbf)

3. INSTALL GENERATOR PULLEY





(a) Install the pulley to the rotor shaft by tightening the pulley nut by hand.

(b) Hold SST (A) with a torque wrench, and tighten SST (B) clockwise to the specified torque.

SST : 09820-63011

Torque : 39 Nm (400 kgf-cm, 29 ft-lbf)

(c) Check that SST (A) is secured to the pulley shaft.





(d) Mount SST (C) in a vise.

(e) Insert SST (B) into SST (C), and attach the pulley nut to SST (C).





(f) To tighten the pulley nut, turn SST (A) in the direction shown in the illustration.

Torque : 111 Nm (1,132 kgf-cm, 82 ft-lbf)

(g) Remove the generator from SST (C).





(h) Turn SST (B) and remove SST (A and B).

4. INSTALL GENERATOR BRUSH HOLDER ASSEMBLY





(a) Place the front seal plate onto the coil.





(b) Place the brush holder on the coil.

NOTICE:
Be careful of the holder's installation direction.

(c) Install the 2 screws.

Torque : 1.8 Nm (18 kgf-cm, 16 in-lbf)

(d) Place the rear seal plate on the brush holder.

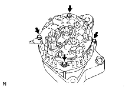
5. INSTALL GENERATOR REAR END COVER





(a) Install the terminal insulator.

(b) Install the end cover with the 3 nuts.

Torque : 4.6 Nm (47 kgf-cm, 41 in-lbf)

6. CHECK THAT ROTOR ROTATES SMOOTHLY