Curiosii for ever!: Car repair manuals for everyone.

ECM Communication Stop Mode





CAN COMMUNICATION: CAN COMMUNICATION SYSTEM: ECM Communication Stop Mode
- ECM Communication Stop Mode

DESCRIPTION





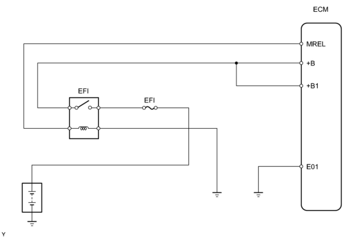
WIRING DIAGRAM





INSEPCTION PROCEDURE

PROCEDURE

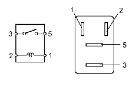
1. INSPECT EFI RELAY (Marking: EFI)

(a) Remove the EFI relay from the engine room No. 2 relay block.

(b) Measure the resistance of the relay.





Standard resistance:





NG -- REPLACE EFI RELAY
OK -- Continue to next step.

2. CHECK WIRE HARNESS (EFI RELAY - ECM, BATTERY AND BODY GROUND)

(a) Remove the EFI relay from the engine room No. 2 relay block.

(b) Disconnect the E4 and E6 ECM connectors.





(c) Measure the voltage of the wire harness side connector.

Standard voltage:





(d) Measure the resistance of the wire harness side connectors.

Standard resistance:





NG -- REPAIR OR REPLACE HARNESS AND CONNECTOR

OK -- REPLACE ECM