Curiosii for ever!: Car repair manuals for everyone.

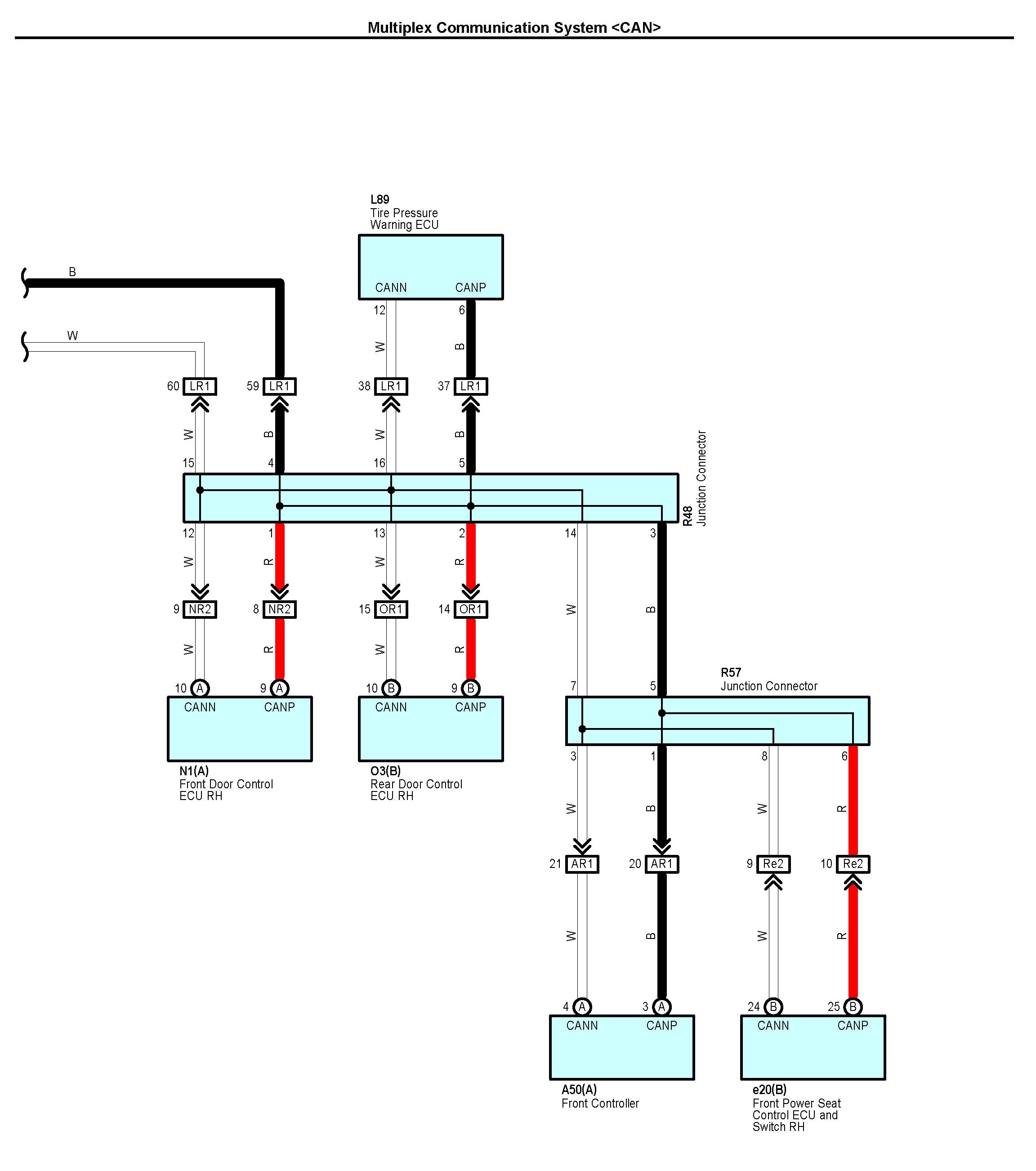
Multiplex Communication System [CAN] Part 11

Multiplex Communication System [CAN] Part 11:




Connectors Part 1:




Connectors Part 2:




Connectors Part 3:




Connectors Part 4:




Connectors Part 5:




Connectors Part 6:




Connectors Part 7:




Connectors Part 8:






Previous Diagram Multiplex Communication System [CAN] Part 10

Locations: The locations of components, connectors, ground points, and splices referred to within these diagrams can be found at Vehicle Locations. Locations