Curiosii for ever!: Car repair manuals for everyone.

Electric Power Control ECU Communication Stop Mode





CAN COMMUNICATION: CAN COMMUNICATION SYSTEM: Electric Power Control ECU Communication Stop Mode
- Electric Power Control ECU Communication Stop Mode

DESCRIPTION





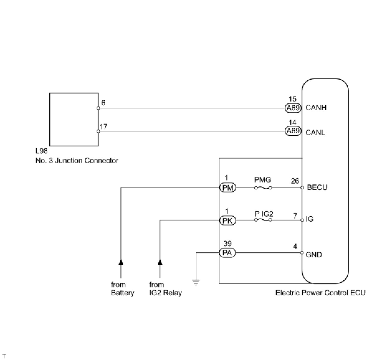
WIRING DIAGRAM





INSPECTION PROCEDURE

HINT
Operating the engine switch, any switches or any doors triggers related ECU and sensor communication with the CAN, which causes resistance variation.

PROCEDURE

1. DISCONNECT CABLE FROM NEGATIVE BATTERY TERMINAL

(a) Disconnect the cable from the negative (-) battery terminal before measuring the resistances of the main wire and the branch wire.

CAUTION:
Wait at least 90 seconds after disconnecting the cable from the negative (-) battery terminal to prevent airbag and seat belt pretensioner activation.

NOTICE:
* w/ Navigation System (for HDD):
After the engine switch is turned off, the display and navigation module display (HDD navigation system) records various types of memory and settings. As a result, after turning the engine switch off, be sure to wait for the time specified in the following table before disconnecting the cable from the negative (-) battery terminal.

Waiting Time before Disconnecting Cable from Negative (-) Battery Terminal:





* When disconnecting the cable, some systems need to be initialized after the cable is reconnected Repair Instruction - Initialization.

NEXT -- Continue to next step.

2. CHECK FOR OPEN IN CAN BUS WIRE (ELECTRIC POWER CONTROL ECU BRANCH WIRE)

(a) Disconnect the A69 electric power control ECU connector.





(b) Measure the resistance according to the value(s) in the table below.

Standard resistance:





NG -- REPAIR OR REPLACE ELECTRIC POWER CONTROL ECU BRANCH WIRE OR CONNECTOR (CANH, CANL)
OK -- Continue to next step.

3. CHECK HARNESS AND CONNECTOR (ELECTRIC POWER CONTROL ECU - BATTERY AND BODY GROUND)





(a) Connect the cable to the negative (-) battery terminal.

NOTICE:
When disconnecting the cable, some systems need to be initialized after the cable is reconnected Repair Instruction - Initialization.

(b) Disconnect the PA, PK and PM electric power control ECU connectors.

(c) Measure the resistance according to the value(s) in the table below.

Standard resistance:





(d) Measure the voltage according to the value(s) in the table below.

Standard voltage:





NG -- REPAIR OR REPLACE HARNESS OR CONNECTOR

OK -- REPLACE ELECTRIC POWER CONTROL ECU