Curiosii for ever!: Car repair manuals for everyone.

Only Driver Door Lock / Unlock Functions Do Not Operate





DOOR LOCK: POWER DOOR LOCK CONTROL SYSTEM: Only Driver Door LOCK / UNLOCK Functions do not Operate
- Only Driver Door LOCK / UNLOCK Functions do not Operate

DESCRIPTION

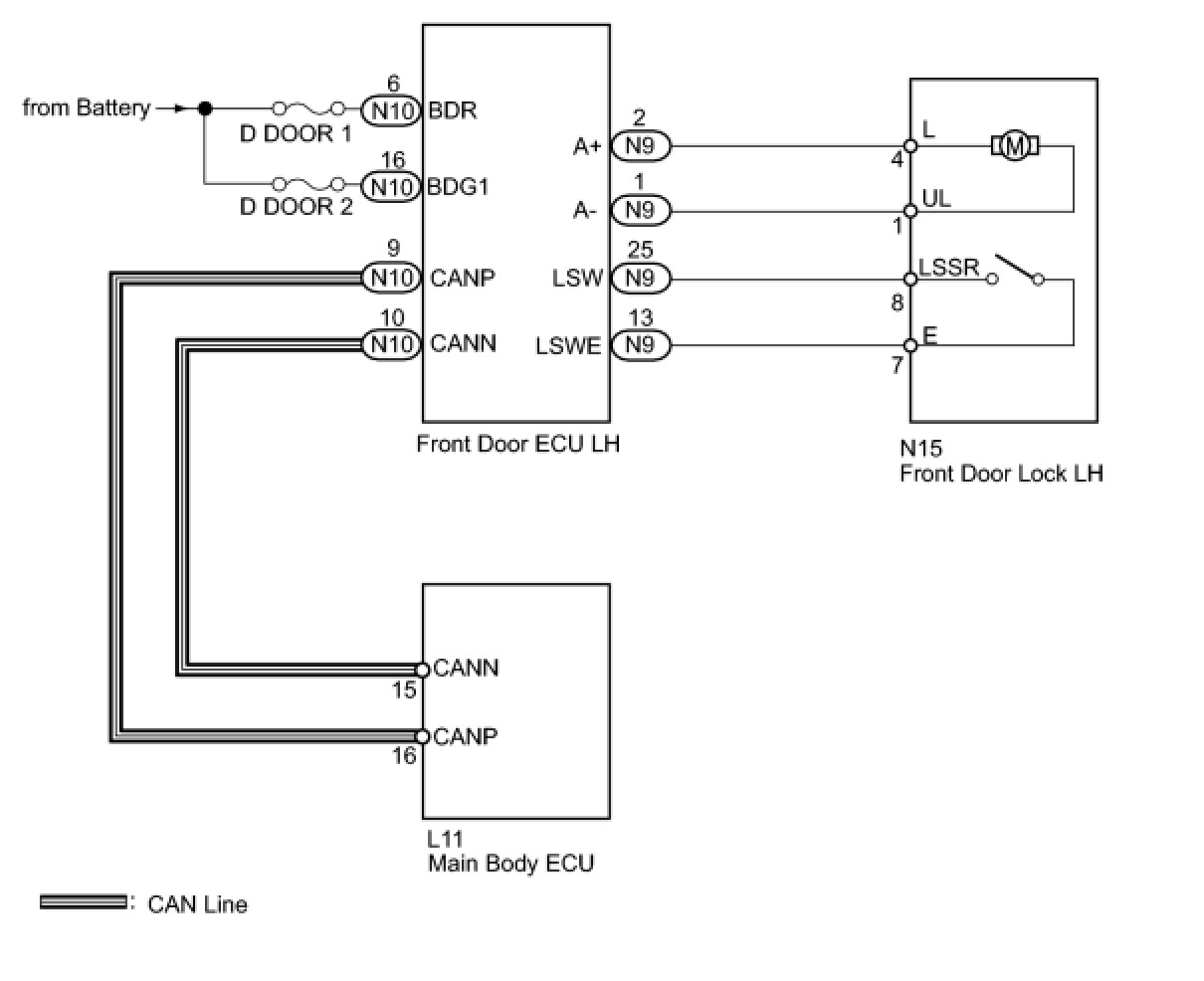
The front door ECU LH receives lock/unlock switch signals and activates the door lock motor according to these signals.

WIRING DIAGRAM





INSPECTION PROCEDURE

PROCEDURE

1. PERFORM ACTIVE TEST USING TECHSTREAM (FRONT DOOR LOCK LH)

(a) Select the Active Test, use the Techstream to generate a control command, and then check that the door lock motor function.

Driver Door (Front door ECU LH)





Result





NG -- INSPECT FUSE (D DOOR 1, D DOOR 2)
OK -- Continue to next step.

2. READ VALUE USING TECHSTREAM (DOOR LOCK POSITION SWITCH)

(a) Use the Data List to check if the door lock position switch is functioning properly.

Driver Door (Front door ECU LH)





OK:

On tester screen, item changes between ON and OFF according to above chart.

NG -- INSPECT FRONT DOOR LOCK ASSEMBLY LH (DOOR LOCK POSITION SWITCH)
OK -- Continue to next step.

3. CHECK FRONT DOOR ECU LH (OPERATION)

(a) Replace the front door ECU LH with a normal one Components.

(b) Check that all doors can be locked and unlocked by using the master switch.

OK:

All doors can be locked and unlocked with master switch.

NG -- REPLACE MAIN BODY ECU

OK -- END (FRONT DOOR ECU LH IS DEFECTIVE)

4. INSPECT FUSE (D DOOR 1, D DOOR 2)

(a) Remove the D DOOR 1 and D DOOR 2 fuses from the main body ECU.

(b) Measure the resistance of the fuse.

Standard Resistance:





NG -- REPLACE FUSE
OK -- Continue to next step.

5. CHECK HARNESS AND CONNECTOR (FRONT DOOR ECU LH - BATTERY)





(a) Disconnect the N10 ECU connector.

(b) Measure the voltage according to the value(s) in the table below.

Standard voltage:





NG -- REPAIR OR REPLACE HARNESS OR CONNECTOR
OK -- Continue to next step.

6. INSPECT FRONT DOOR LOCK ASSEMBLY LH





(a) w/o Door Closer:

(1) Apply battery voltage to the door lock motor and check operation of the door lock motor.

OK:









(b) w/ Door Closer:

(1) Apply battery voltage to the door lock motor and check operation of the door lock motor.

OK:





NG -- REPLACE FRONT DOOR LOCK ASSEMBLY LH Components
OK -- Continue to next step.

7. CHECK HARNESS AND CONNECTOR (FRONT DOOR LOCK LH - FRONT DOOR ECU LH)





(a) Disconnect the N15 door lock connector.

(b) Disconnect the N9 ECU connector.

(c) Measure the resistance according to the value(s) in the table below.

Standard resistance:





NG -- REPAIR OR REPLACE HARNESS OR CONNECTOR

OK -- REPLACE FRONT DOOR ECU LH Components

8. INSPECT FRONT DOOR LOCK ASSEMBLY LH (DOOR LOCK POSITION SWITCH)





(a) w/o Door Closer:

(1) Measure the resistance according to the value(s) in the table below.

Standard resistance:









(b) w/ Door Closer:

(1) Measure the resistance according to the value(s) in the table below.

Standard resistance:





NG -- REPLACE FRONT DOOR LOCK ASSEMBLY LH Components
OK -- Continue to next step.

9. CHECK HARNESS AND CONNECTOR (FRONT DOOR ECU LH - FRONT DOOR LOCK LH)





(a) Disconnect the N9 ECU connector.

(b) Disconnect the N15 door lock connector.

(c) Measure the resistance according to the value(s) in the table below.

Standard resistance:





NG -- REPAIR OR REPLACE HARNESS OR CONNECTOR

OK -- REPLACE FRONT DOOR ECU LH Components