Curiosii for ever!: Car repair manuals for everyone.

All Doors Lock/Unlock Functions Do Not Operate Via Door Control Switch





DOOR LOCK: POWER DOOR LOCK CONTROL SYSTEM: All Doors LOCK/UNLOCK Functions do not Operate Via Door Control Switch
- All Doors LOCK/UNLOCK Functions do not Operate Via Door Control Switch

DESCRIPTION

The main body ECU receives switch signals from the door control switch and activates the door lock motor on each door according to these signals.

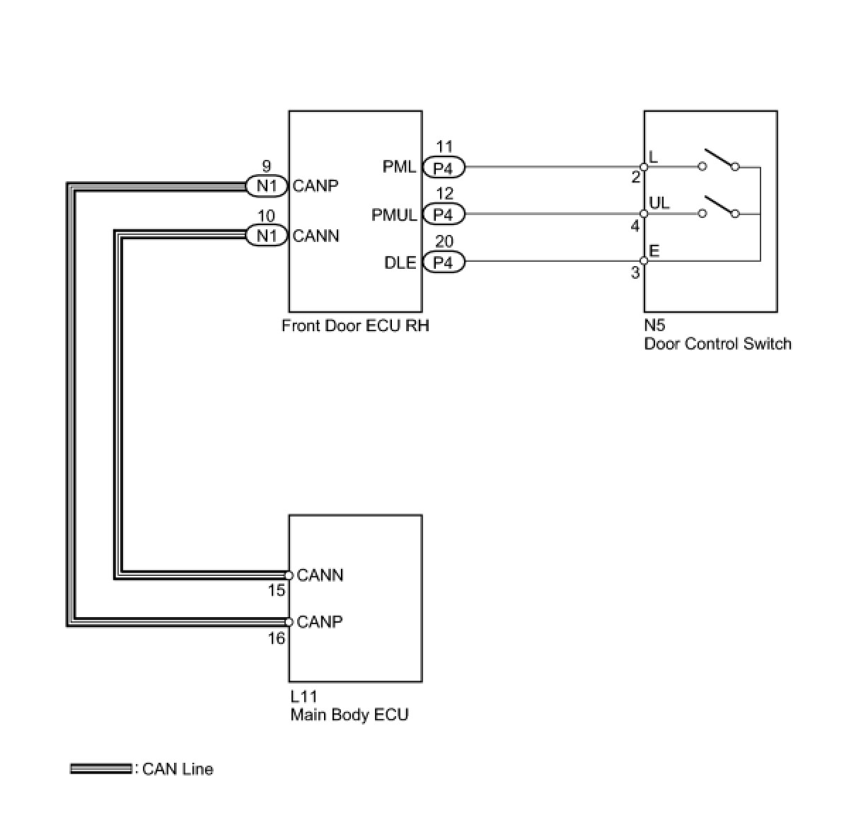
WIRING DIAGRAM





INSPECTION PROCEDURE

PROCEDURE

1. READ VALUE USING TECHSTREAM (DOOR LOCK AND UNLOCK SWITCH)

(a) Use the Data List to check if the door lock and unlock switch are functioning properly.

Passenger Door (Front door ECU RH)





OK:

On tester screen, each item changes between ON and OFF according to above chart.

NG -- INSPECT DOOR CONTROL SWITCH ASSEMBLY (DOOR LOCK AND UNLOCK SWITCH)
OK -- Continue to next step.

2. CHECK FRONT DOOR ECU RH (OPERATION)

(a) Replace the front door ECU RH with a normal one Components.

(b) Check that all doors can be locked and unlocked by using the door control switch.

OK:

All doors can be locked and unlocked with door control switch.

NG -- REPLACE MAIN BODY ECU

OK -- END (FRONT DOOR ECU RH IS DEFECTIVE)

3. INSPECT DOOR CONTROL SWITCH ASSEMBLY (DOOR LOCK AND UNLOCK SWITCH)





(a) Remove the door control switch Removal.

(b) Measure the resistance according to the value(s) in the table below.

Standard resistance:





NG -- REPLACE DOOR CONTROL SWITCH ASSEMBLY Components
OK -- Continue to next step.

4. CHECK HARNESS AND CONNECTOR (DOOR CONTROL SWITCH - FRONT DOOR ECU RH)





(a) Disconnect the N5 switch connector.

(b) Disconnect the P4 ECU connector.

(c) Measure the resistance according to the value(s) in the table below.

Standard resistance:





NG -- REPAIR OR REPLACE HARNESS OR CONNECTOR

OK -- REPLACE FRONT DOOR ECU RH Components