Curiosii for ever!
: Car repair manuals for everyone.
Home
>>
Lexus
>>
2010
>>
LS 460 AWD V8-4.6L (1UR-FSE)
>>
Repair and Diagnosis
>>
Body and Frame
>>
Locks
>>
Keyless Entry
>>
Description and Operation
>>
Smart Access System With Push-Button Start
>>
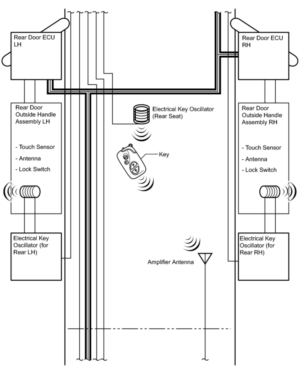
System Diagram
System Diagram
DOOR LOCK: SMART ACCESS SYSTEM WITH PUSH-BUTTON START: SYSTEM DIAGRAM
Communication table:
HINT
*1: w/o Power trunk opener and closer
*2: w/ Power trunk opener and closer