Curiosii for ever!: Car repair manuals for everyone.

Relay





2UR-GSE ENGINE CONTROL: RELAY: ON-VEHICLE INSPECTION

1. DISCONNECT CABLE FROM NEGATIVE BATTERY TERMINAL

CAUTION:
Wait at least 90 seconds after disconnecting the cable from the negative (-) battery terminal to disable the SRS system.

NOTICE:
When disconnecting the cable, some systems need to be initialized after the cable is reconnected Testing and Inspection.

2. REMOVE COOL AIR INTAKE DUCT SEAL Removal

3. REMOVE ENGINE ROOM SIDE COVER LH Removal

4. REMOVE NO. 2 RELAY BLOCK COVER

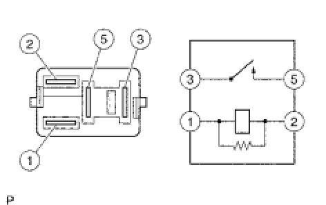
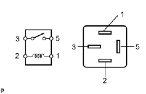
5. INSPECT IG2 RELAY

(a) Remove the IG2 relay from the No. 2 relay block.

(b) Measure the resistance according to the value(s) in the table below.





Standard Resistance:





(b) If the result is not as specified, replace the relay.

6. INSPECT VVT LH RELAY

(a) Remove the VVT LH relay from the No. 2 relay block.

(b) Measure the resistance according to the value(s) in the table below.





Standard Resistance:





(b) If the result is not as specified, replace the relay.

7. INSPECT VVT RH RELAY

(a) Remove the VVT RH relay from the No. 2 relay block.

(b) Measure the resistance according to the value(s) in the table below.





Standard Resistance:





(b) If the result is not as specified, replace the relay.

8. INSPECT INJ2 RELAY

(a) Remove the INJ2 relay from the No. 2 relay block.

(b) Measure the resistance according to the value(s) in the table below.





Standard Resistance:





(b) If the result is not as specified, replace the relay.

9. INSPECT A/F RELAY

(a) Remove the A/F relay from the No. 2 relay block.

(b) Measure the resistance according to the value(s) in the table below.





Standard Resistance:





(b) If the result is not as specified, replace the relay.

10. INSPECT F/PMP RELAY

(a) Remove the F/PMP relay from the No. 2 relay block.

(b) Measure the resistance according to the value(s) in the table below.





Standard Resistance:





(b) If the result is not as specified, replace the relay.

11. INSTALL NO. 2 RELAY BLOCK COVER

12. CONNECT CABLE TO NEGATIVE BATTERY TERMINAL

NOTICE:
When disconnecting the cable, some systems need to be initialized after the cable is reconnected Testing and Inspection.

13. INSTALL ENGINE ROOM SIDE COVER LH Installation

14. INSTALL COOL AIR INTAKE DUCT SEAL Installation