Curiosii for ever!: Car repair manuals for everyone.

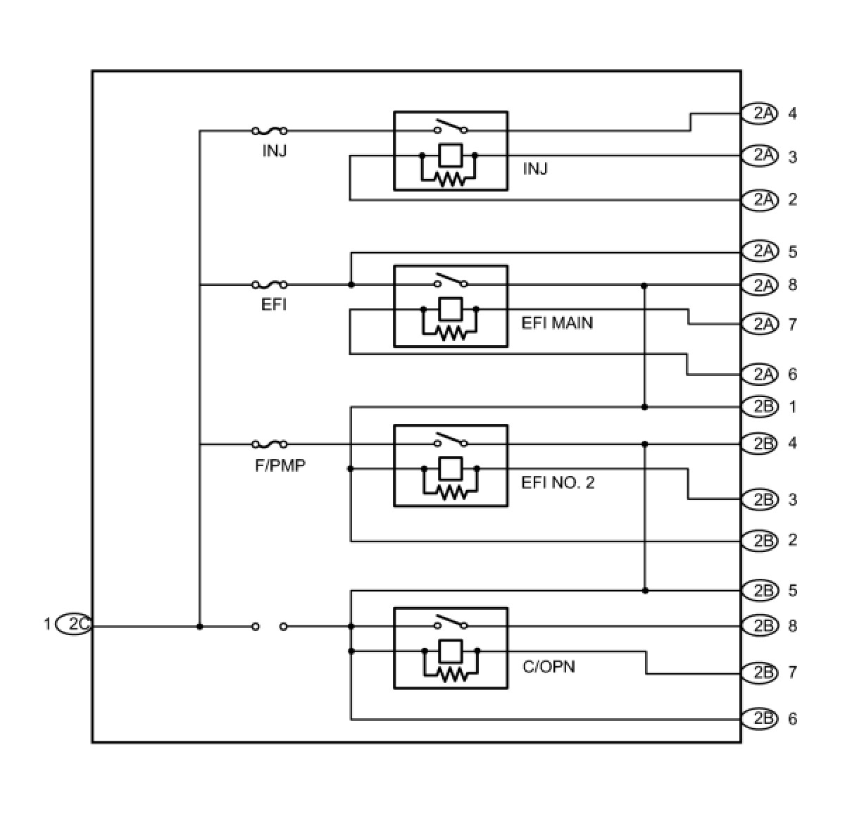
Integration Relay





2UR-GSE ENGINE CONTROL: INTEGRATION RELAY: INSPECTION

1. INSPECT INTEGRATION RELAY





(a) EFI MAIN relay:

(1) Measure the resistance according to the value(s) in the table below.





Standard Resistance:





(1) If the resistance is not as specified, replace the integration relay.

(b) EFI No. 2 relay:

(1) Measure the resistance according to the value(s) in the table below.





Standard Resistance:





(1) If the resistance is not as specified, replace the integration relay.

(c) INJ relay:

(1) Measure the resistance according to the value(s) in the table below.





Standard Resistance:





(1) If the resistance is not as specified, replace the integration relay.

(d) C/OPN relay:

(1) Measure the resistance according to the value(s) in the table below.





Standard Resistance:





(1) If the resistance is not as specified, replace the integration relay.