Curiosii for ever!: Car repair manuals for everyone.

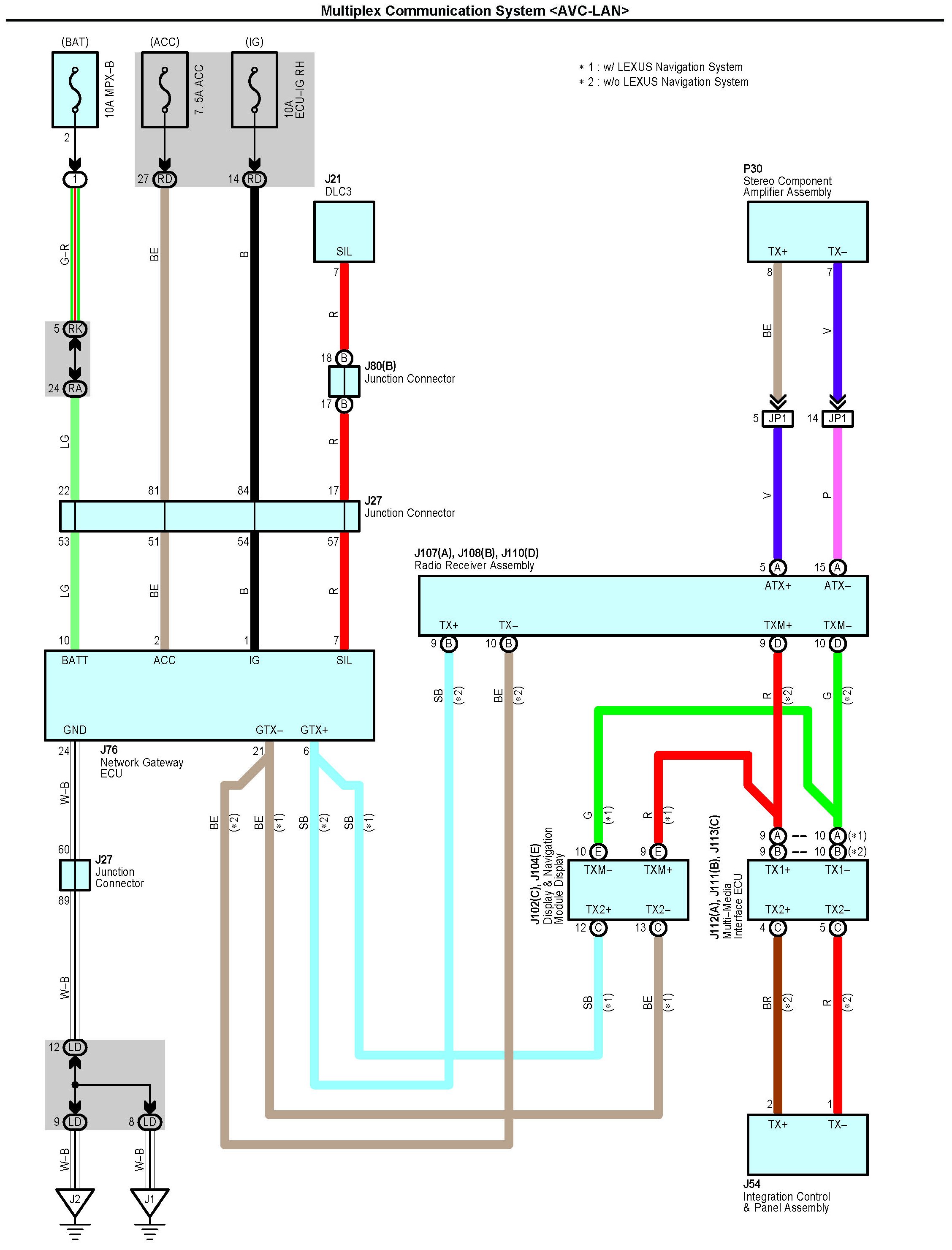
Multiplex Communication System [AVC-LAN]

Multiplex Communication System [AVC-LAN]:




Connectors Part 1:




Connectors Part 2:






Locations: The locations of components, connectors, ground points, and splices referred to within these diagrams can be found at Vehicle Locations. Locations