Curiosii for ever!: Car repair manuals for everyone.

Electrical Diagrams

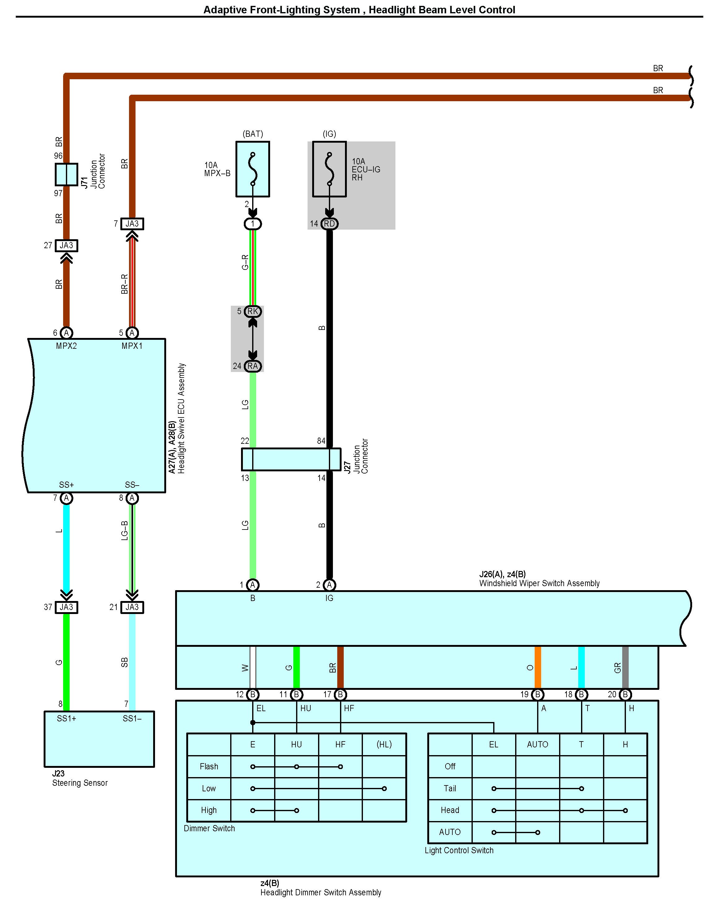
Adaptive Front-Lighting System, Headlight Beam Level Control Part 1:




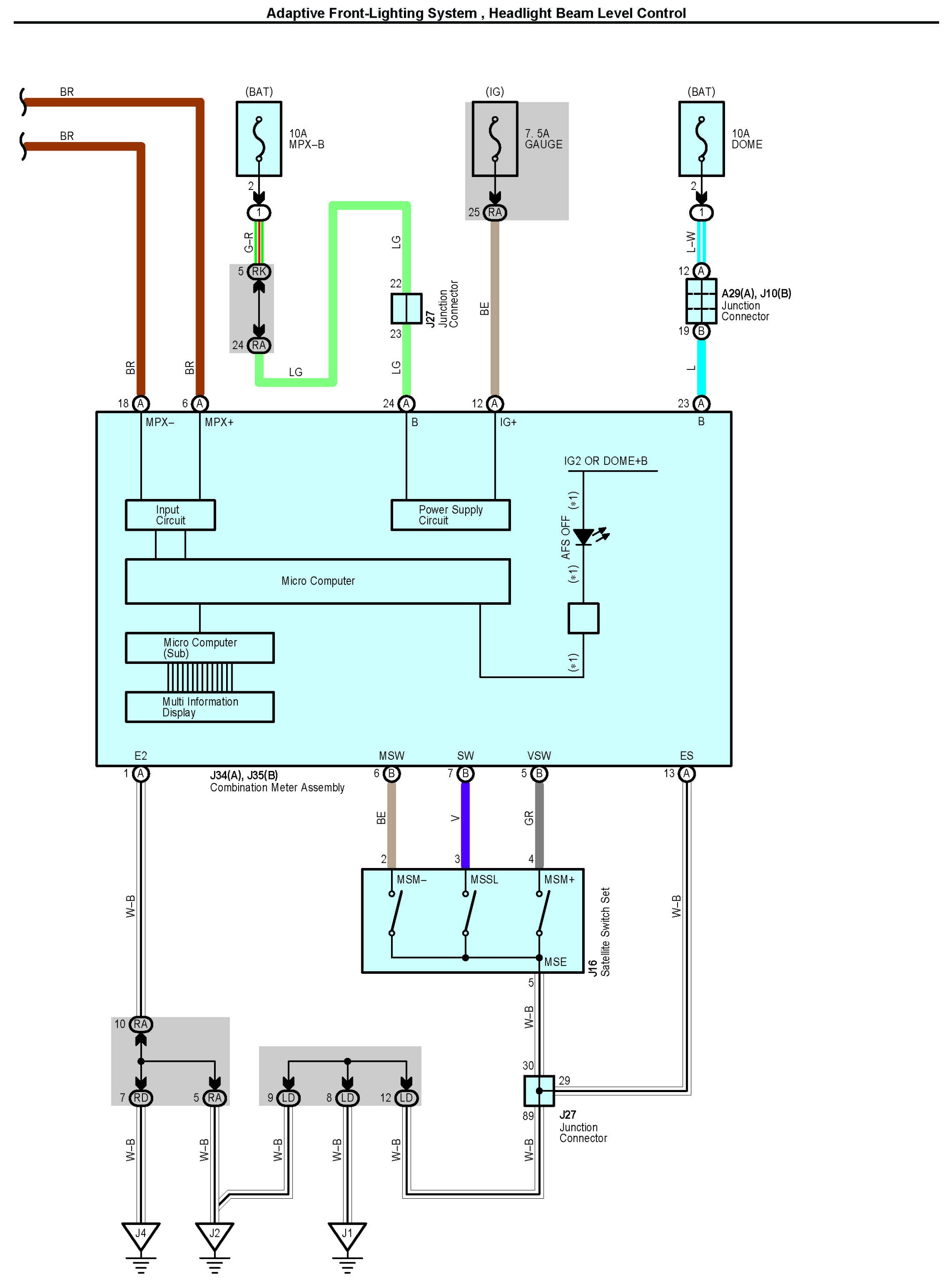
Adaptive Front-Lighting System, Headlight Beam Level Control Part 2:




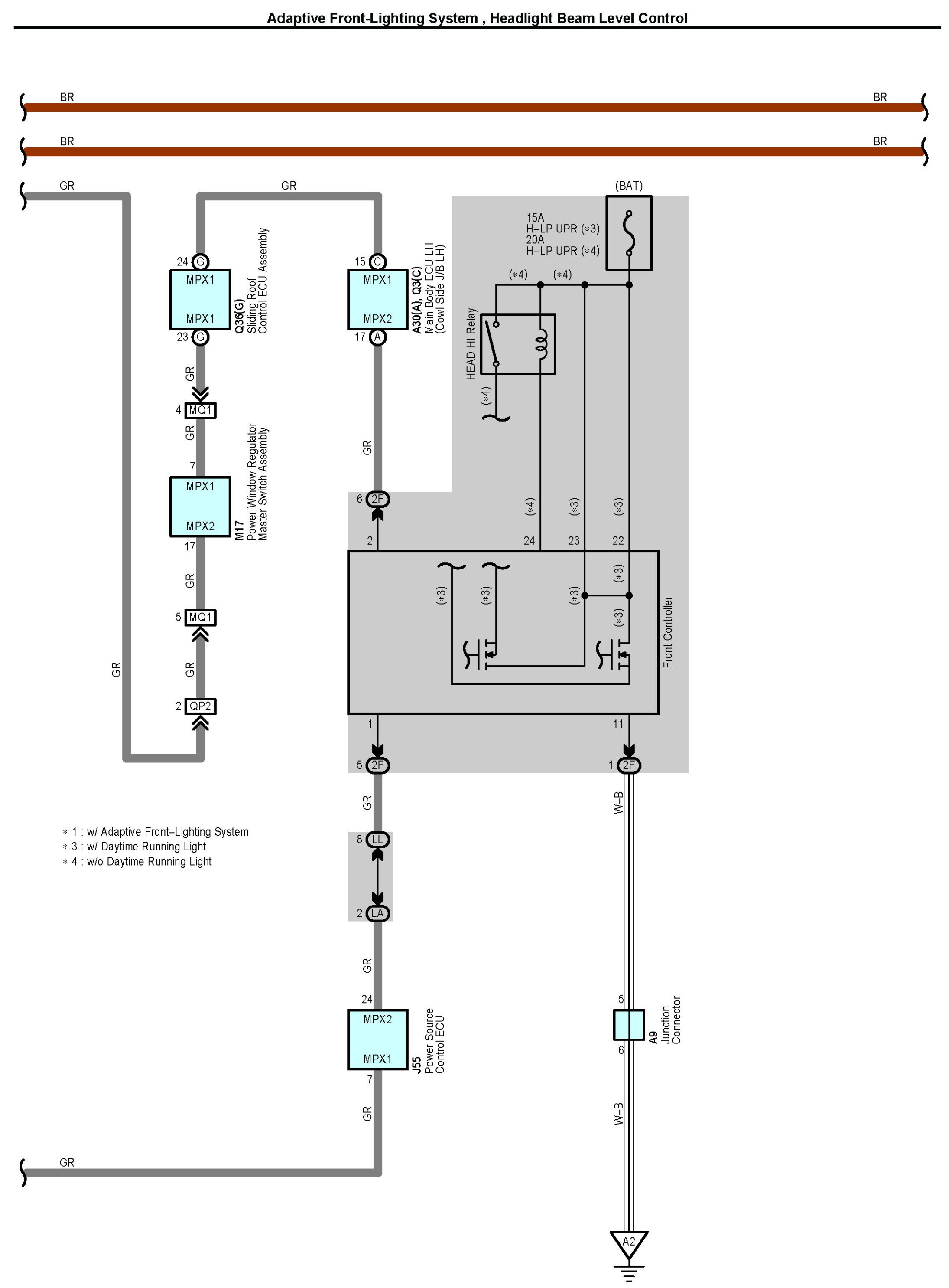
Adaptive Front-Lighting System, Headlight Beam Level Control Part 3:




Adaptive Front-Lighting System, Headlight Beam Level Control Part 4:




Adaptive Front-Lighting System, Headlight Beam Level Control Part 5:




Adaptive Front-Lighting System, Headlight Beam Level Control Part 6:




Adaptive Front-Lighting System, Headlight Beam Level Control Part 7:




Adaptive Front-Lighting System, Headlight Beam Level Control Part 8:




Connectors Part 1:




Connectors Part 2:




Connectors Part 3:




Connectors Part 4:




Connectors Part 5:






Locations: The locations of components, connectors, ground points, and splices referred to within these diagrams can be found at Vehicle Locations. Locations