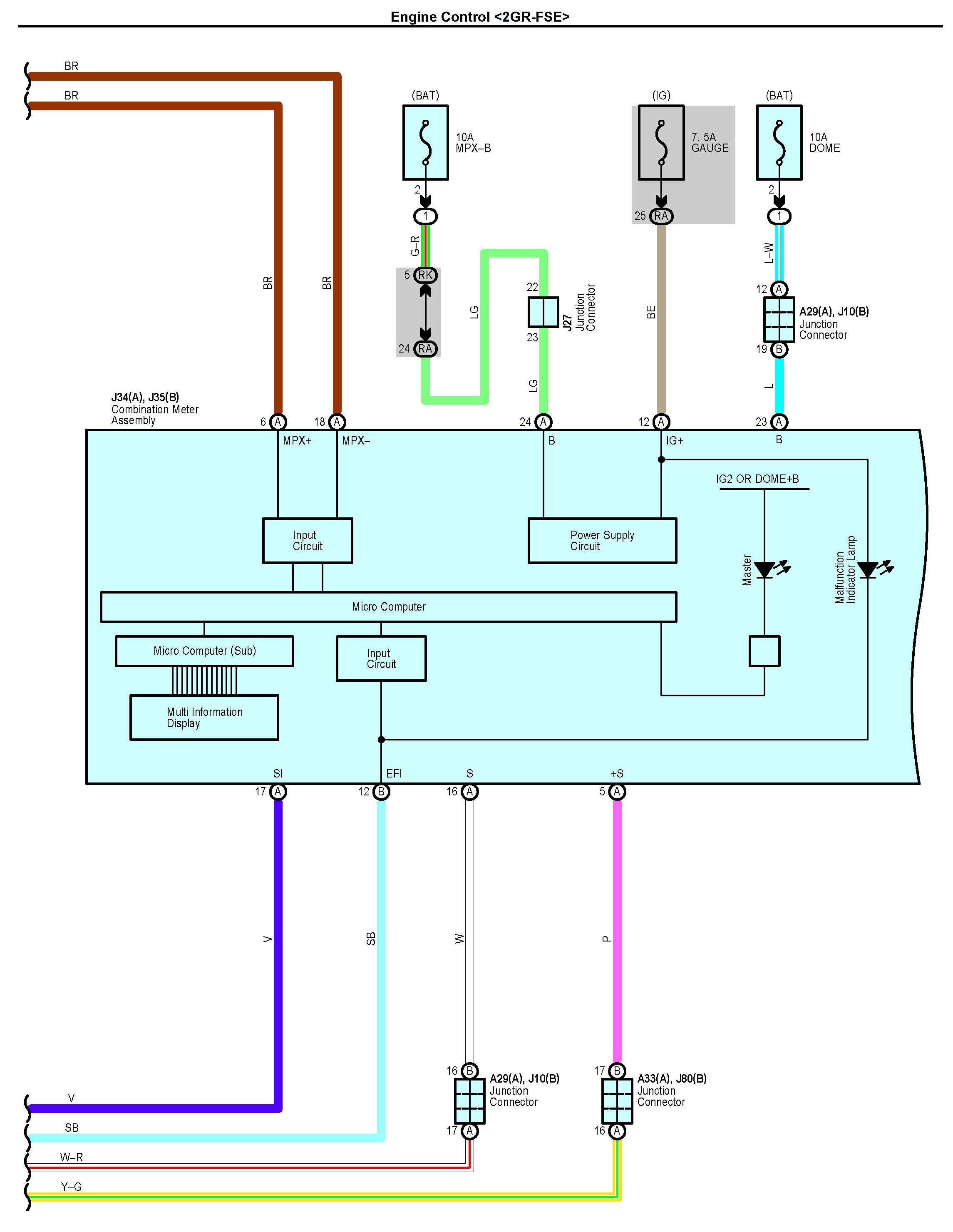
Engine Control Part 15
Engine Control Part 15:
Connectors Part 1:
Connectors Part 2:
Connectors Part 3:
Connectors Part 4:
Connectors Part 5:
Connectors Part 6:
Connectors Part 7:
Next Diagram Engine Control Part 16
Previous Diagram Engine Control Part 14
Locations: The locations of components, connectors, ground points, and splices referred to within these diagrams can be found at Vehicle Locations. Locations