Curiosii for ever!: Car repair manuals for everyone.

Power Window Relay: Testing and Inspection





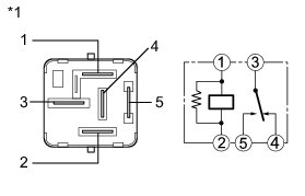
WINDOW / GLASS: RELAY: ON-VEHICLE INSPECTION

1. INSPECT DEFOG RELAY

(a) Measure the resistance according to the value(s) in the table below.





Standard Resistance:





Text in Illustration





(b) If the result is not as specified, replace the DEFOG relay.