Curiosii for ever!: Car repair manuals for everyone.

Cruise Control Switch Circuit





CRUISE CONTROL: DYNAMIC RADAR CRUISE CONTROL SYSTEM: Cruise Control Switch Circuit
- Cruise Control Switch Circuit

DESCRIPTION

The cruise control main switch operates 8 functions: SET, - (COAST), TAP-DOWN, RES (RESUME), + (ACCEL), TAP-UP, CANCEL, and MODE. The SET, TAP-DOWN, and - (COAST) functions, and the RES, TAP-UP, and + (ACCEL) functions are operated with the same switch. The cruise control main switch is an automatic return type switch which turns on only while it is being operated in the direction of each arrow and turns off after being released. The internal contact point of the cruise control main switch is turned on with the switch operation. The driving support ECU then reads the voltage value that has been changed by the switch operation to control MODE, SET, - (COAST), RES (RESUME), + (ACCEL), and CANCEL. The dynamic radar cruise control system has two cruise control modes: the constant speed control mode and vehicle-to-vehicle distance control mode.

* The vehicle-to-vehicle distance control mode is always selected when starting up the dynamic radar cruise control system.

* The operation of the constant speed control mode is the same as that for a conventional cruise control system.

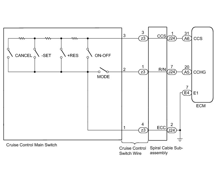
WIRING DIAGRAM





INSPECTION PROCEDURE

PROCEDURE

1. INSPECT CRUISE CONTROL MAIN SWITCH

(a) Remove the cruise control main switch Removal.





Text in Illustration





(b) Measure the resistance according to the value(s) in the table below.

Standard Resistance:





*1: The cruise control main switch lever is in the neutral position.

(c) Reinstall the cruise control main switch Installation.

NG -- REPLACE CRUISE CONTROL MAIN SWITCH Removal
OK -- Continue to next step.

2. CHECK HARNESS AND CONNECTOR (SPIRAL CABLE SUB-ASSEMBLY - CRUISE CONTROL MAIN SWITCH)

(a) Disconnect the connector from the spiral cable sub-assembly.





(b) Disconnect the connector from the cruise control main switch.

(c) Measure the resistance according to the value(s) in the table below.

Standard Resistance:





(d) Reconnect the connector to the spiral cable sub-assembly.

Text in Illustration





(e) Reconnect the connector to the cruise control main switch.

NG -- REPAIR OR REPLACE HARNESS OR CONNECTOR (SPIRAL CABLE SUB-ASSEMBLY - CRUISE CONTROL MAIN SWITCH)
OK -- Continue to next step.

3. INSPECT SPIRAL CABLE SUB-ASSEMBLY

NOTICE:
The spiral cable sub-assembly is an important part of the SRS airbag system. Incorrect removal or installation of the spiral cable sub-assembly may cause airbag deployment. Be sure to read the page shown in the brackets.

HINT
* Removal Removal
* Installation Installation
(a) Remove the spiral cable sub-assembly Removal.

Text in Illustration









(b) Measure the resistance according to the value(s) in the table below.

Standard Resistance:





HINT
The spiral cable sub-assembly makes a maximum of approximately 5 rotations.

(c) Reinstall the spiral cable sub-assembly Installation.

NG -- REPLACE SPIRAL CABLE SUB-ASSEMBLY Removal
OK -- Continue to next step.

4. CHECK HARNESS AND CONNECTOR (SPIRAL CABLE SUB-ASSEMBLY - ECM)

(a) Disconnect the ECM connector.





(b) Disconnect the spiral cable sub-assembly connector.

(c) Measure the resistance according to the value(s) in the table below.

Standard Resistance (Check for Open):





Standard Resistance (Check for Short):





(d) Reconnect the ECM connector.

(e) Reconnect the spiral cable sub-assembly connector.

Text in Illustration





NG -- REPAIR OR REPLACE HARNESS OR CONNECTOR (SPIRAL CABLE SUB-ASSEMBLY - ECM)
OK -- Continue to next step.

5. CHECK HARNESS AND CONNECTOR (SPIRAL CABLE SUB-ASSEMBLY - BODY GROUND)

(a) Disconnect the spiral cable sub-assembly connector.





(b) Measure the resistance according to the value(s) in the table below.

Standard Resistance (Check for Open):





(c) Reconnect the spiral cable sub-assembly connector.

Text in Illustration





NG -- REPAIR OR REPLACE HARNESS OR CONNECTOR (SPIRAL CABLE SUB-ASSEMBLY - BODY GROUND)

OK -- PROCEED TO NEXT SUSPECTED AREA SHOWN IN PROBLEM SYMPTOMS TABLE Dynamic Radar Cruise Control System