Curiosii for ever!: Car repair manuals for everyone.

ACIS Control Circuit





4GR-FSE ENGINE CONTROL SYSTEM: SFI SYSTEM: ACIS Control Circuit
- ACIS Control Circuit

DESCRIPTION

When the Intake Air Control Valve (IACV) opens and closes, the ACIS control circuit causes the engine load intake efficiency to increase. When the engine is running at 2450 to 4100 rpm and the throttle valve opening angle is 30° or more, current flows through the ACIS control circuit and the IACV closes. For all other situations, current does not flow through the ECM and the IACV is open.





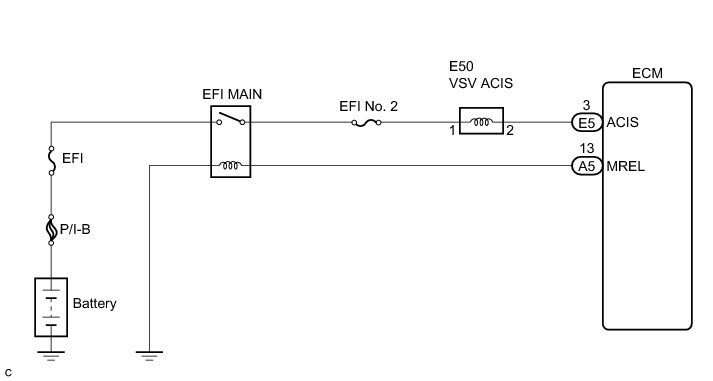
WIRING DIAGRAM





INSPECTION PROCEDURE

PROCEDURE

1. PERFORM ACTIVE TEST USING TECHSTREAM (OPERATE INTAKE AIR CONTROL VALVE)

(a) Connect Techstream to the DLC3.

(b) Start the engine and turn the tester on.

(c) Enter the following menus: Powertrain / Engine / Active Test / Activate the VSV for Intake Control.

(d) Check if operating noise can be heard when operating the intake control valve using Techstream.

OK:

Operating noise can be heard.

OK -- CHECK FOR INTERMITTENT PROBLEMS
NG -- Continue to next step.

2. CHECK AIR INTAKE VALVE (OPERATION)

(a) Disconnect the E50 VSV ACIS connector.





(b) Apply battery voltage between the terminals of the air intake valve connector.

(c) Check air intake valve operation.

OK:

Operating noise can be heard.

(d) Reconnect the VSV ACIS connector.

NG -- REPLACE INTAKE AIR SURGE TANK
OK -- Continue to next step.

3. CHECK HARNESS AND CONNECTOR (VSV ACIS - ECM, VSV ACIS - EFI NO. 2 FUSE)

(a) Check the wire harness between the intake air control connector and the ECM connector.

(1) Disconnect the E50 VSV ACIS connector.

(2) Disconnect the E5 ECM connector.

(3) Measure the resistance according to the value(s) in the table below.

Standard resistance (Check for open):





Standard resistance (Check for short):





(4) Reconnect the ECM connector.

(b) Check the wire harness between the VCV ACIS connector and the EFI No. 2 fuse.

(1) Remove the EFI No. 2 fuse from the engine room R/B No. 2.

(2) Measure the resistance according to the value(s) in the table below.

Standard resistance (Check for open):





(3) Reinstall the EFI No. 2 fuse.

(4) Reconnect the VSV ACIS connector.

NG -- REPAIR OR REPLACE HARNESS OR CONNECTOR

OK -- REPLACE ECM Removal