Curiosii for ever!: Car repair manuals for everyone.

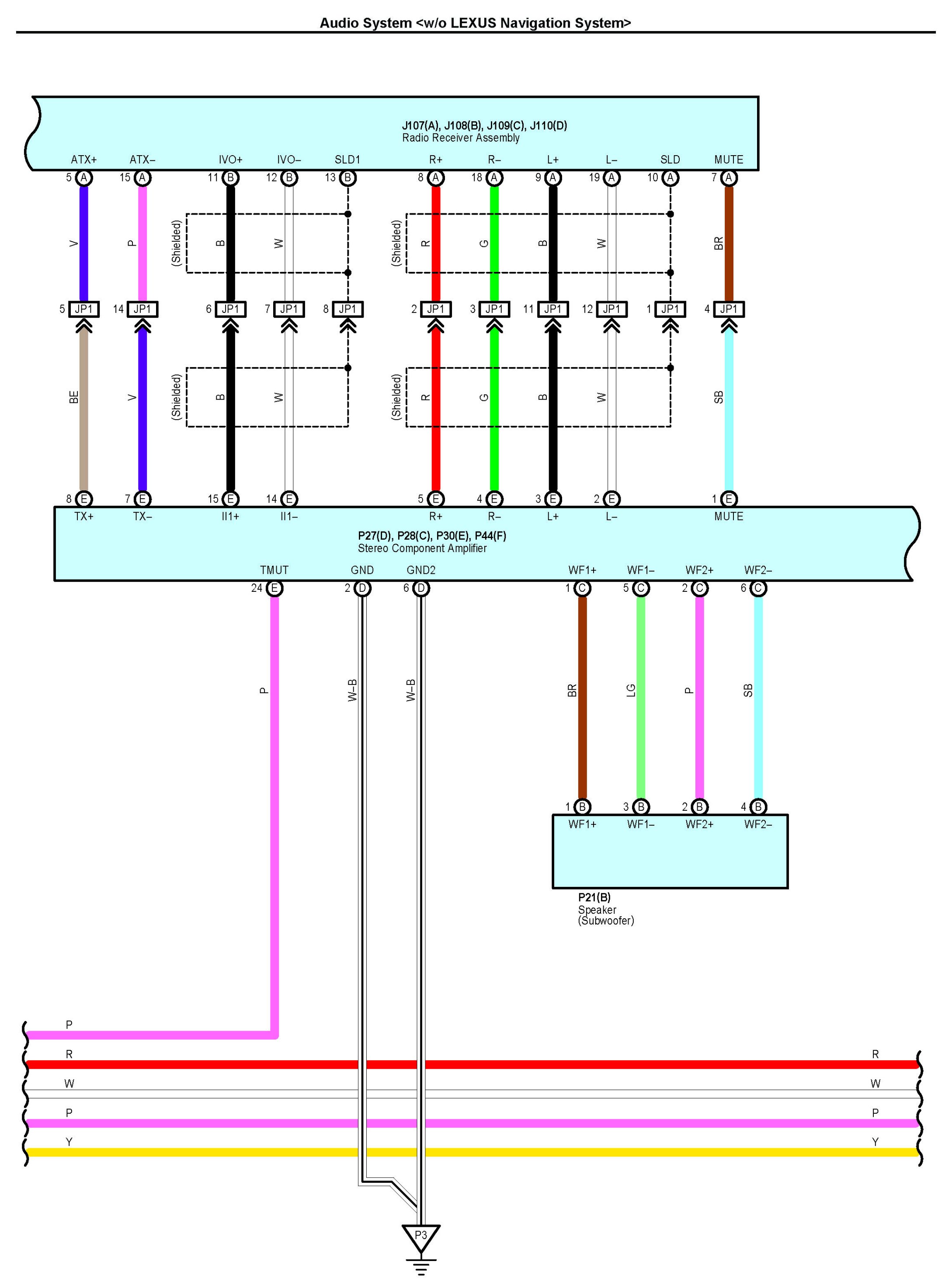
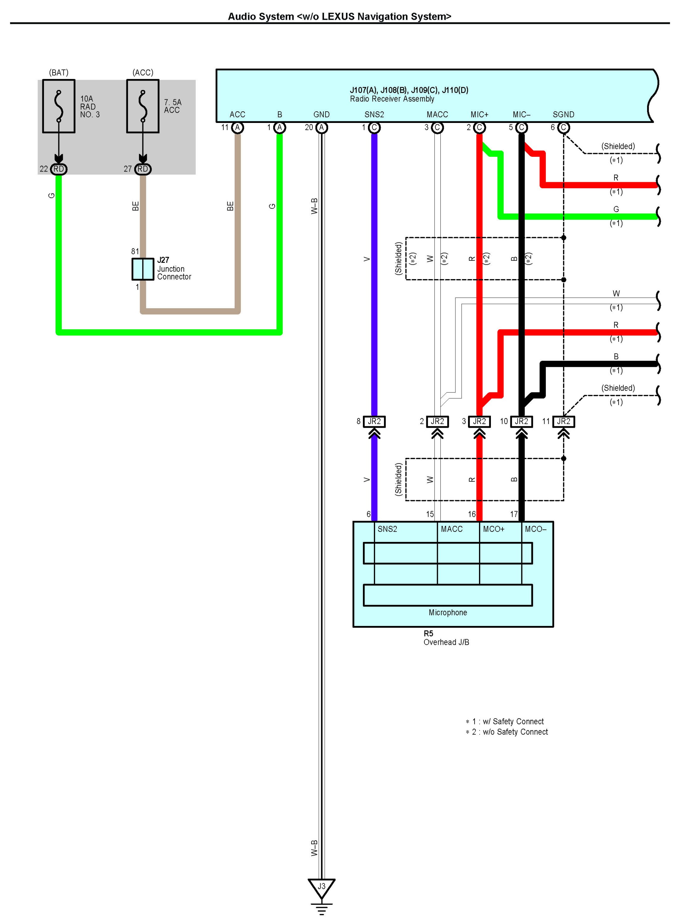
Audio System [w/o LEXUS Navigation System]

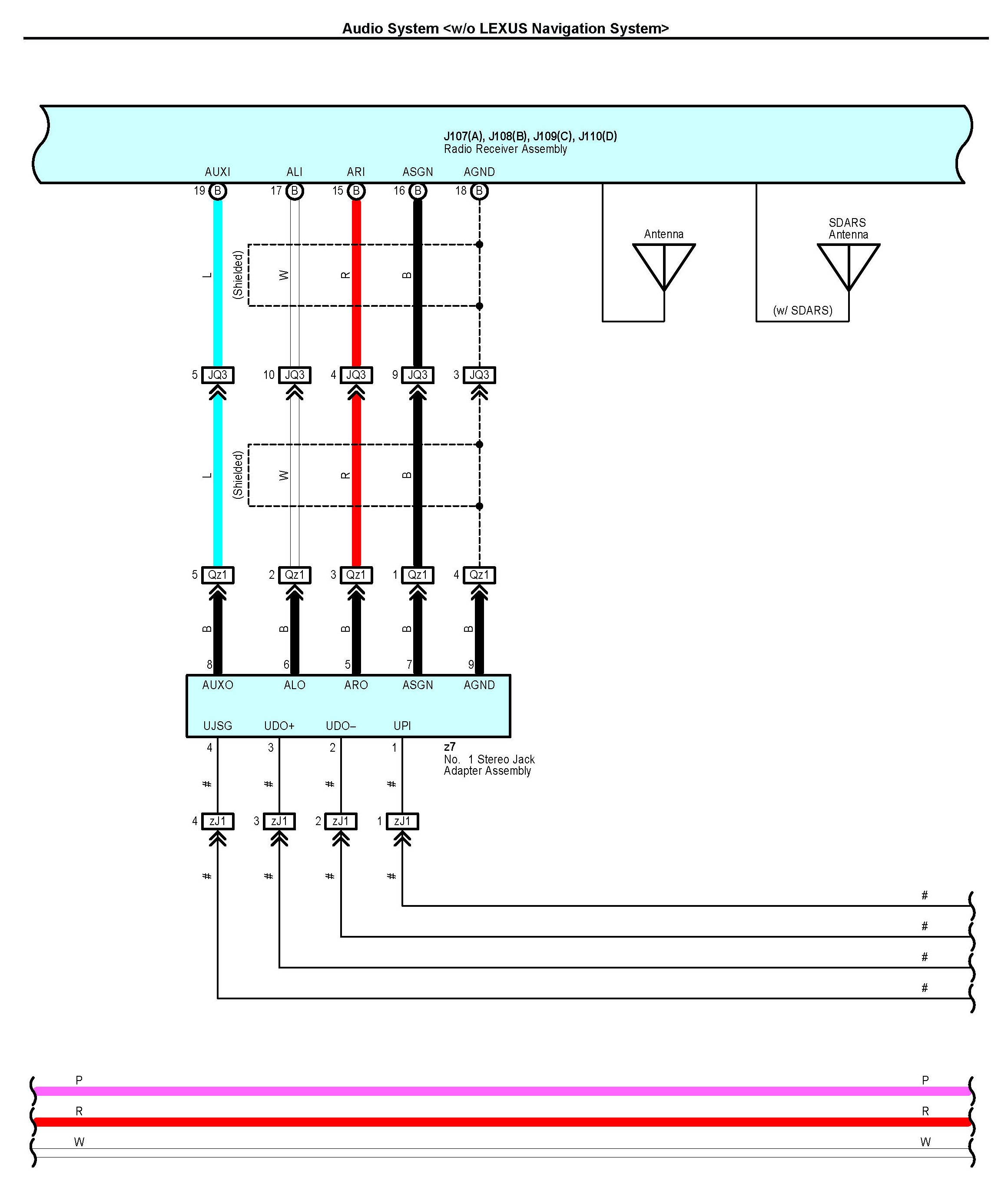
Audio System [w/o LEXUS Navigation System] Part 1:




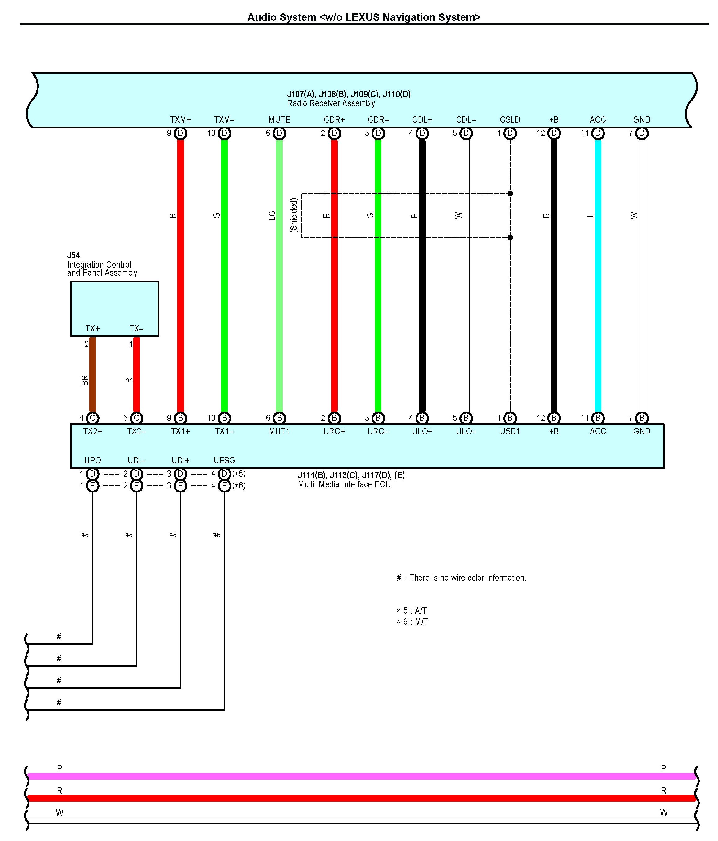
Audio System [w/o LEXUS Navigation System] Part 2:




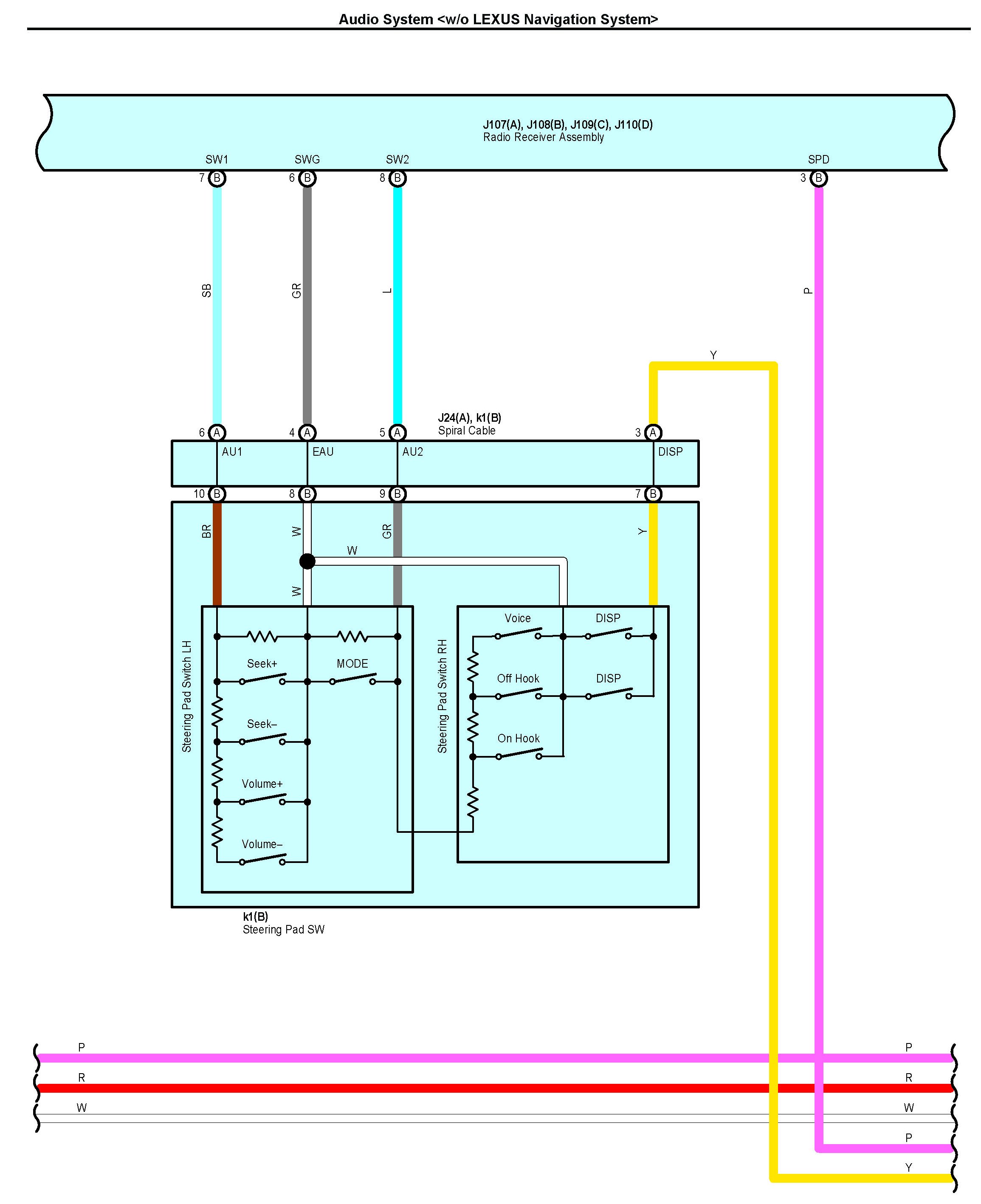
Audio System [w/o LEXUS Navigation System] Part 3:




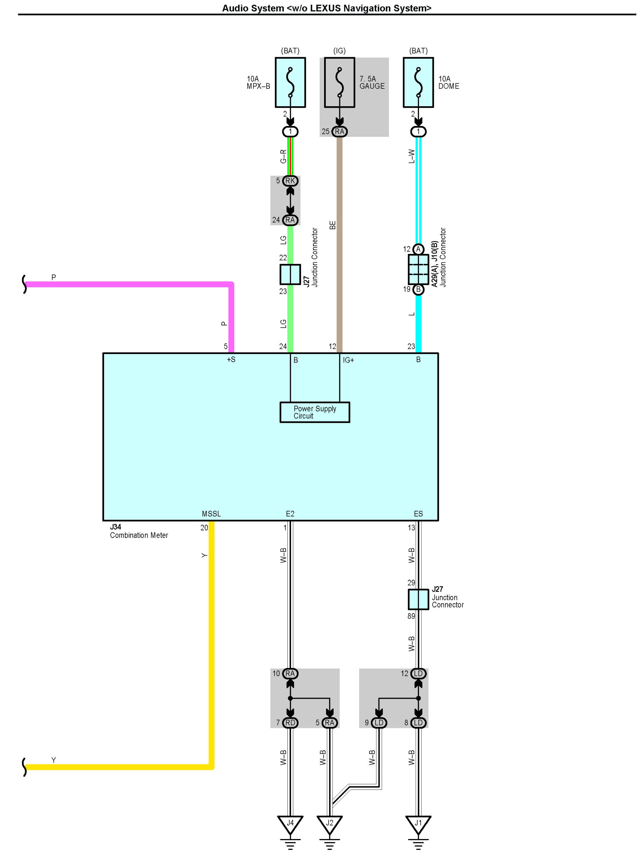
Audio System [w/o LEXUS Navigation System] Part 4:




Audio System [w/o LEXUS Navigation System] Part 5:




Audio System [w/o LEXUS Navigation System] Part 6:




Audio System [w/o LEXUS Navigation System] Part 7:




Audio System [w/o LEXUS Navigation System] Part 8:




Audio System [w/o LEXUS Navigation System] Part 9:




Connectors Part 1:




Connectors Part 2:




Connectors Part 3:




Connectors Part 4:






Locations: The locations of components, connectors, ground points, and splices referred to within these diagrams can be found at Vehicle Locations. Locations