Curiosii for ever!: Car repair manuals for everyone.

Remote Control Mirror [w/ Seat Position Memory]

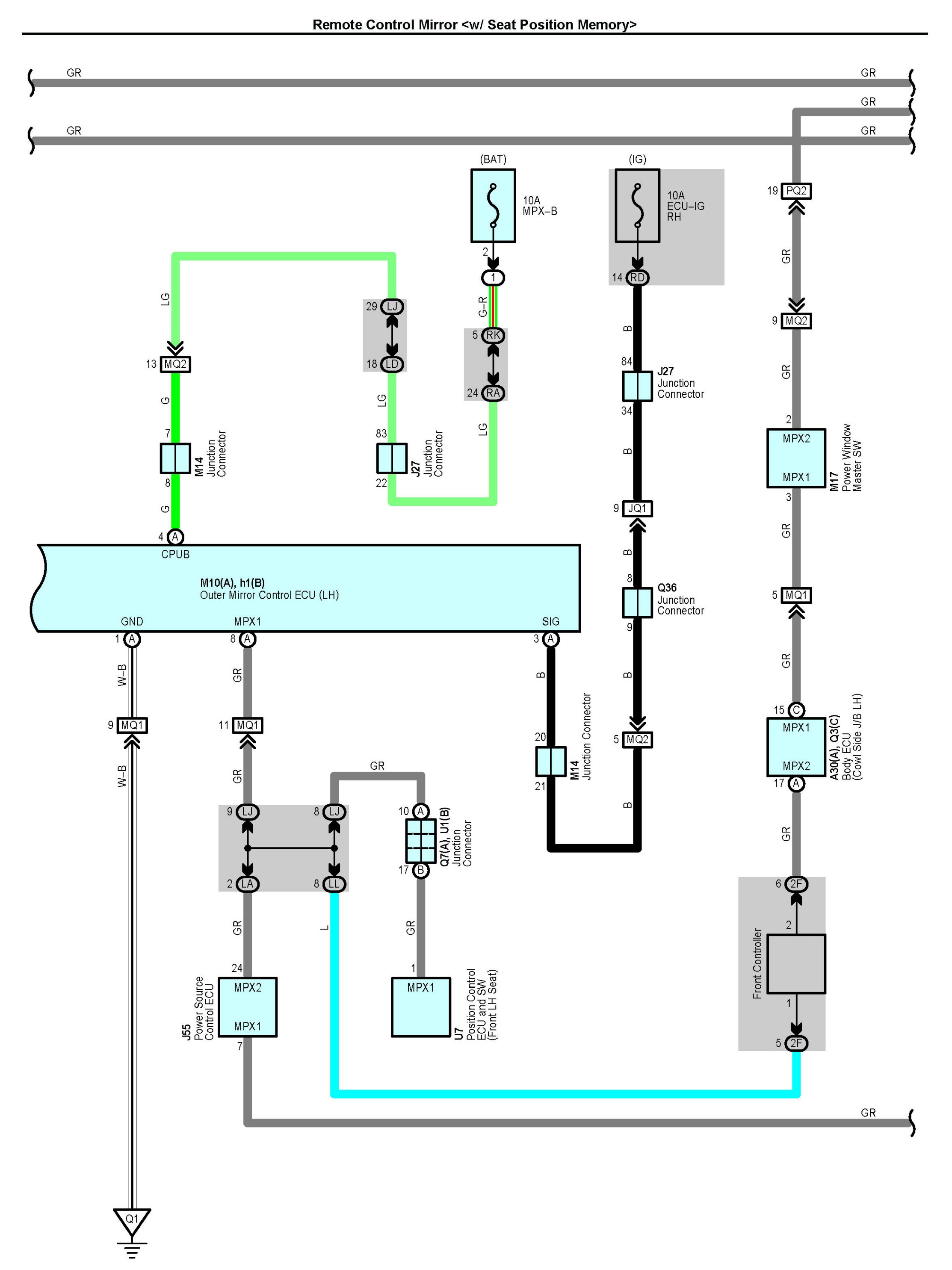
Remote Control Mirror [w/ Seat Position Memory] Part 1:




Remote Control Mirror [w/ Seat Position Memory] Part 2:




Remote Control Mirror [w/ Seat Position Memory] Part 3:




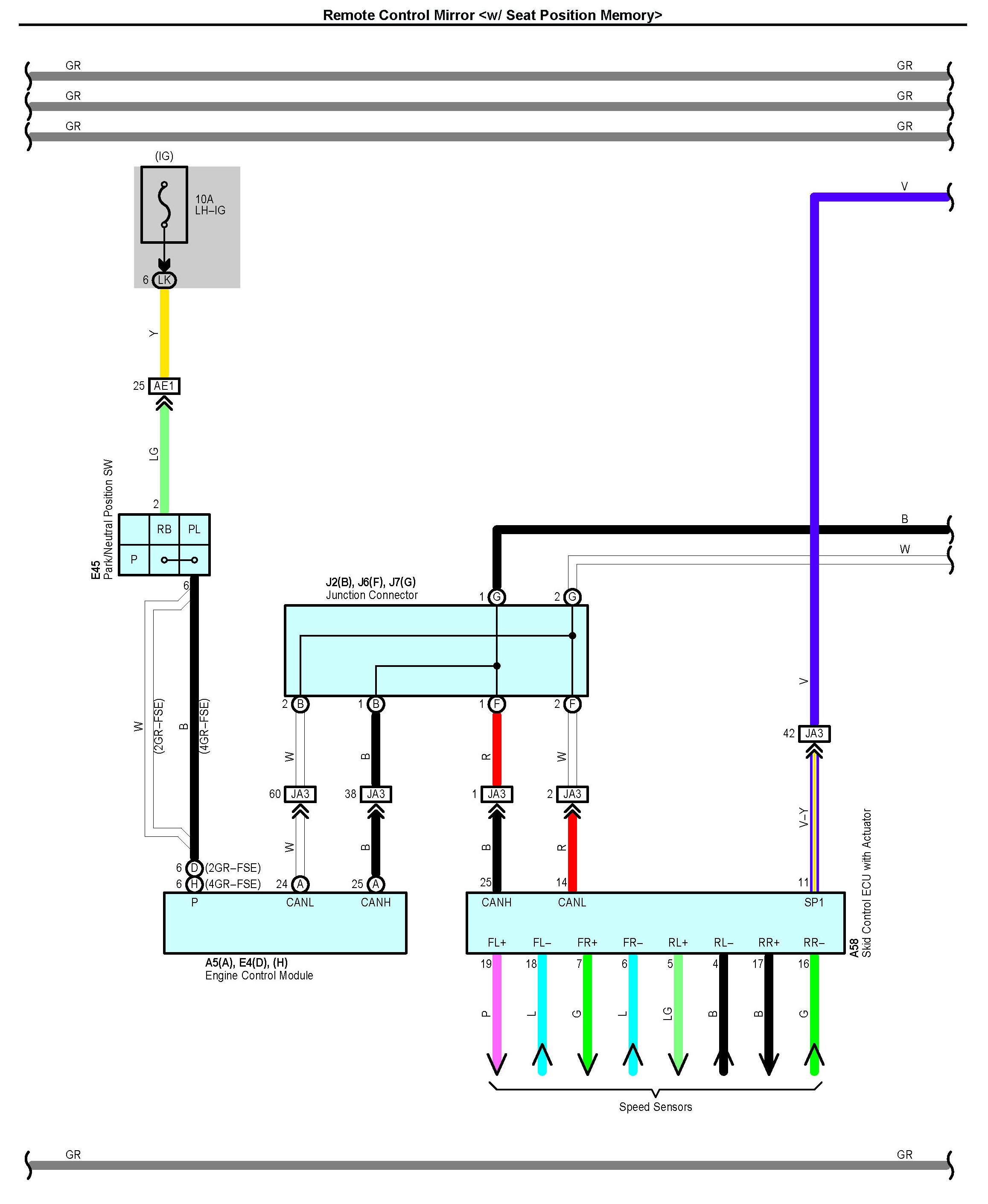
Remote Control Mirror [w/ Seat Position Memory] Part 4:




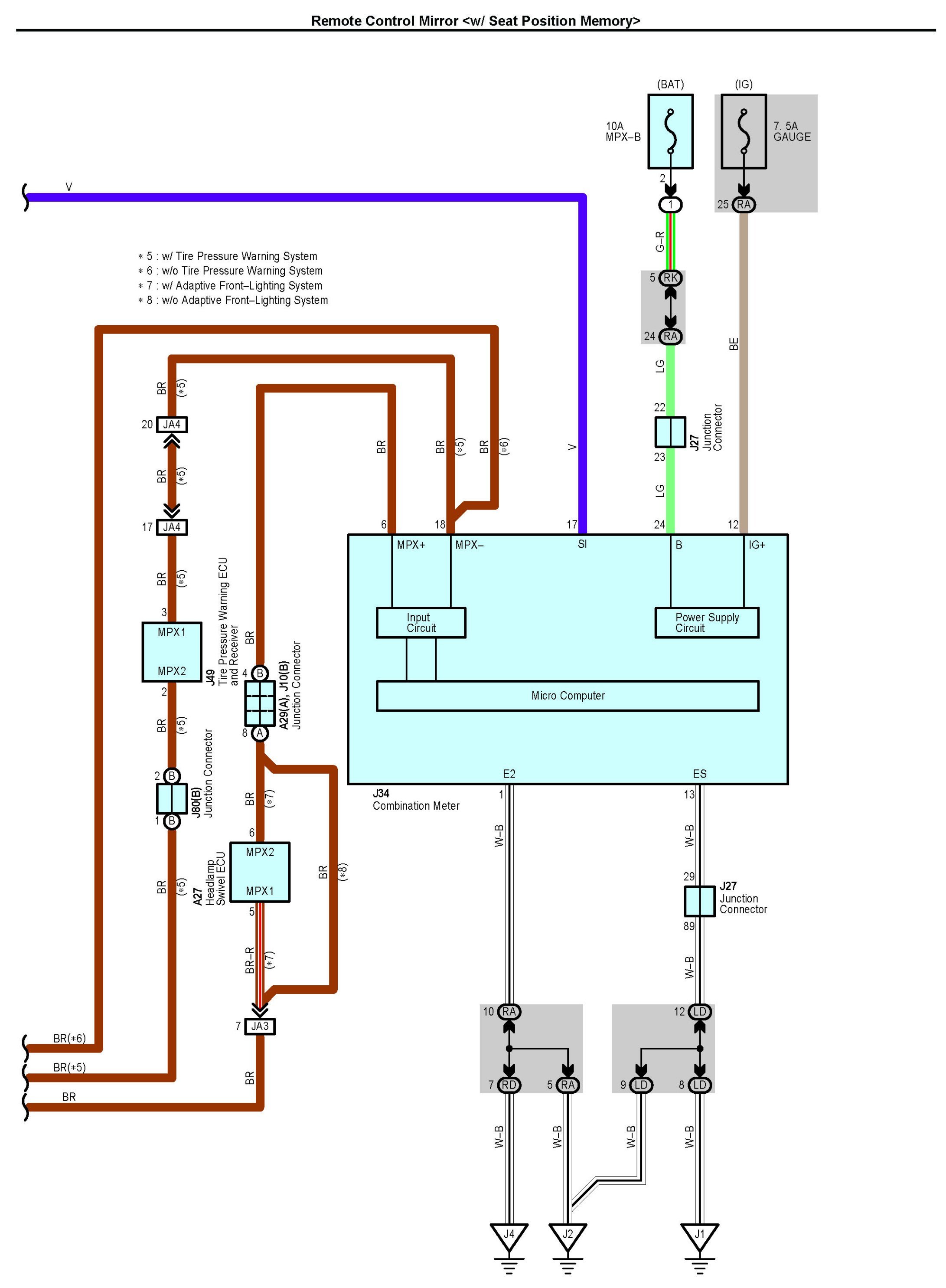
Remote Control Mirror [w/ Seat Position Memory] Part 5:




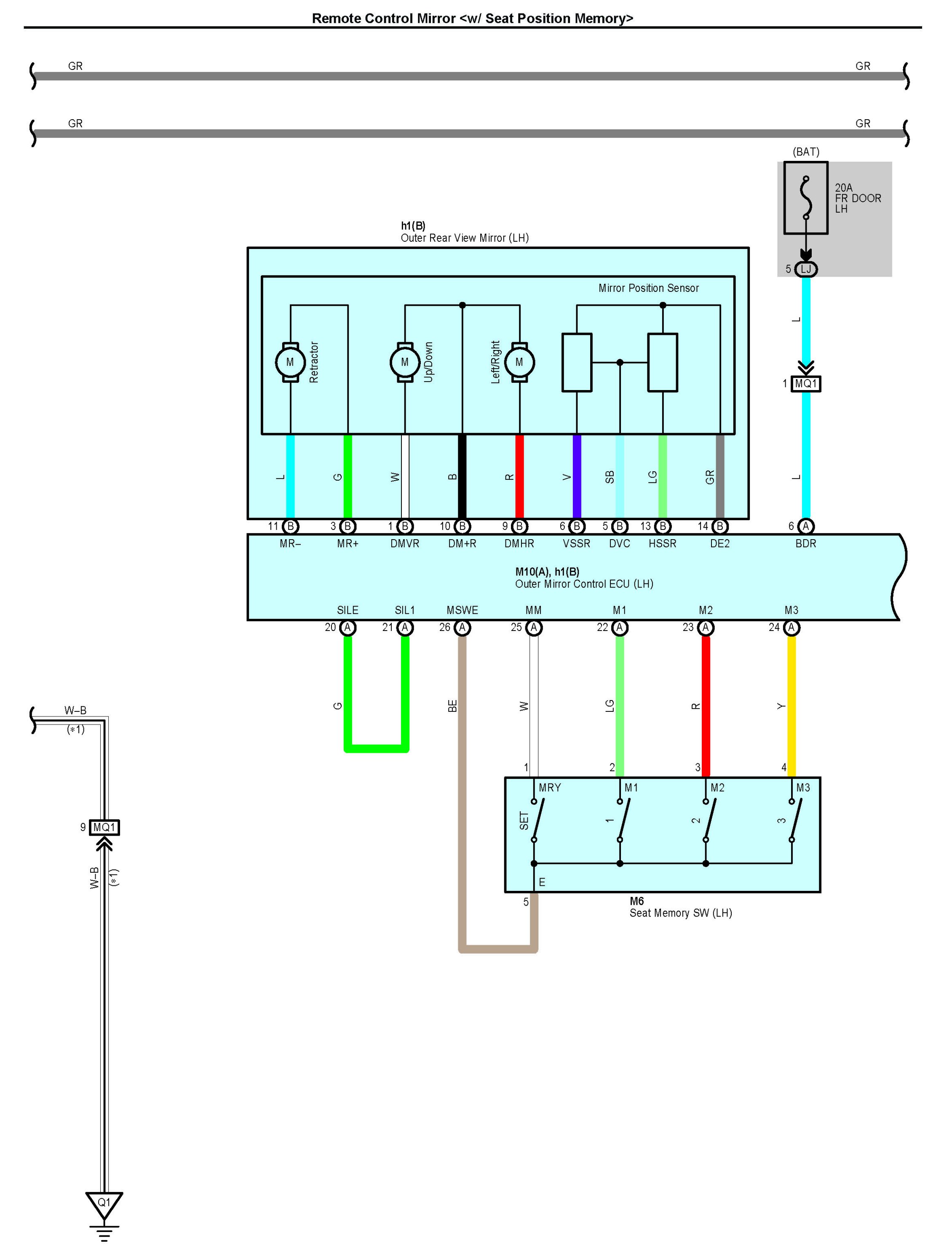
Remote Control Mirror [w/ Seat Position Memory] Part 6:




Remote Control Mirror [w/ Seat Position Memory] Part 7:




Connectors Part 1:




Connectors Part 2:




Connectors Part 3:




Connectors Part 4:




Connectors Part 5:




Connectors Part 6:




Connectors Part 7:






Locations: The locations of components, connectors, ground points, and splices referred to within these diagrams can be found at Vehicle Locations. Locations