Curiosii for ever!: Car repair manuals for everyone.

Front Passenger Side Seat Memory Switch Circuit





SEAT: FRONT POWER SEAT CONTROL SYSTEM (w/ Seat Position Memory System): Front Passenger Side Seat Memory Switch Circuit
- Front Passenger Side Seat Memory Switch Circuit

DESCRIPTION

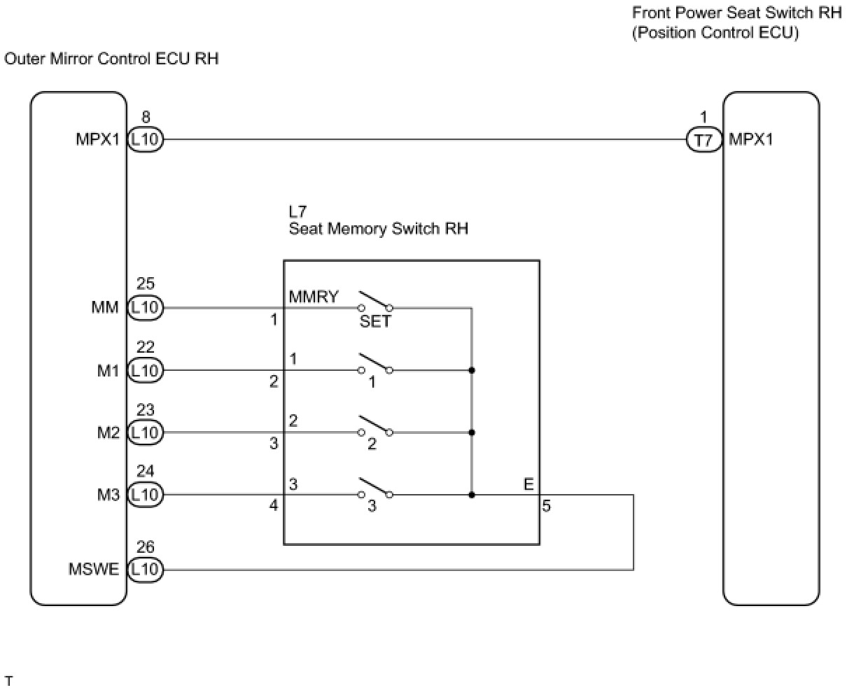
The seat memory switch RH sends signals to the front power seat witch RH (position control ECU) via the multiplex communication system to memorize a given seat position. This memory system does not use a position sensor. The seat position is detected by counting pulses that are output when the motor turns. If there is no pulse output from the motor, the motor will stop operating. The seat memory switch RH is later used to send signals to the front power seat switch RH (position control ECU) to return the seat to one of the memorized positions.

WIRING DIAGRAM





INSPECTION PROCEDURE

PROCEDURE

1. READ VALUE USING TECHSTREAM (SEAT MEMORY SWITCH RH)

(a) Connect the Techstream to the DLC3.

(b) Turn the engine switch on (IG).

(c) Read the Data List.

Passenger Seat

Passenger Seat:





OK:

On the tester screen, each item changes between ON and OFF according to the above chart.

NG -- INSPECT SEAT MEMORY SWITCH RH

OK -- PROCEED TO NEXT CIRCUIT INSPECTION SHOWN IN PROBLEM SYMPTOMS TABLE

2. INSPECT SEAT MEMORY SWITCH RH

(a) Remove the seat memory switch RH.

(b) Measure the resistance according to the value(s) in the table below.





Standard resistance:





NG -- REPLACE SEAT MEMORY SWITCH RH
OK -- Continue to next step.

3. CHECK HARNESS AND CONNECTOR (SEAT MEMORY SWITCH RH CIRCUIT)

(a) Measure the resistance according to the value(s) in the table below.





Standard resistance:





NG -- CHECK HARNESS AND CONNECTOR (OUTER MIRROR CONTROL ECU - SEAT MEMORY SWITCH, BODY GROUND)

OK -- PROCEED TO NEXT CIRCUIT INSPECTION SHOWN IN PROBLEM SYMPTOMS TABLE

4. CHECK HARNESS AND CONNECTOR (OUTER MIRROR CONTROL ECU - SEAT MEMORY SWITCH, BODY GROUND)

(a) Disconnect the outer mirror control ECU RH connector.





(b) Measure the resistance according to the value(s) in the table below.

Standard resistance:





NG -- REPAIR OR REPLACE HARNESS OR CONNECTOR

OK -- REPLACE OUTER MIRROR CONTROL ECU RH