Curiosii for ever!: Car repair manuals for everyone.

Driver Side Seat Memory Switch Circuit





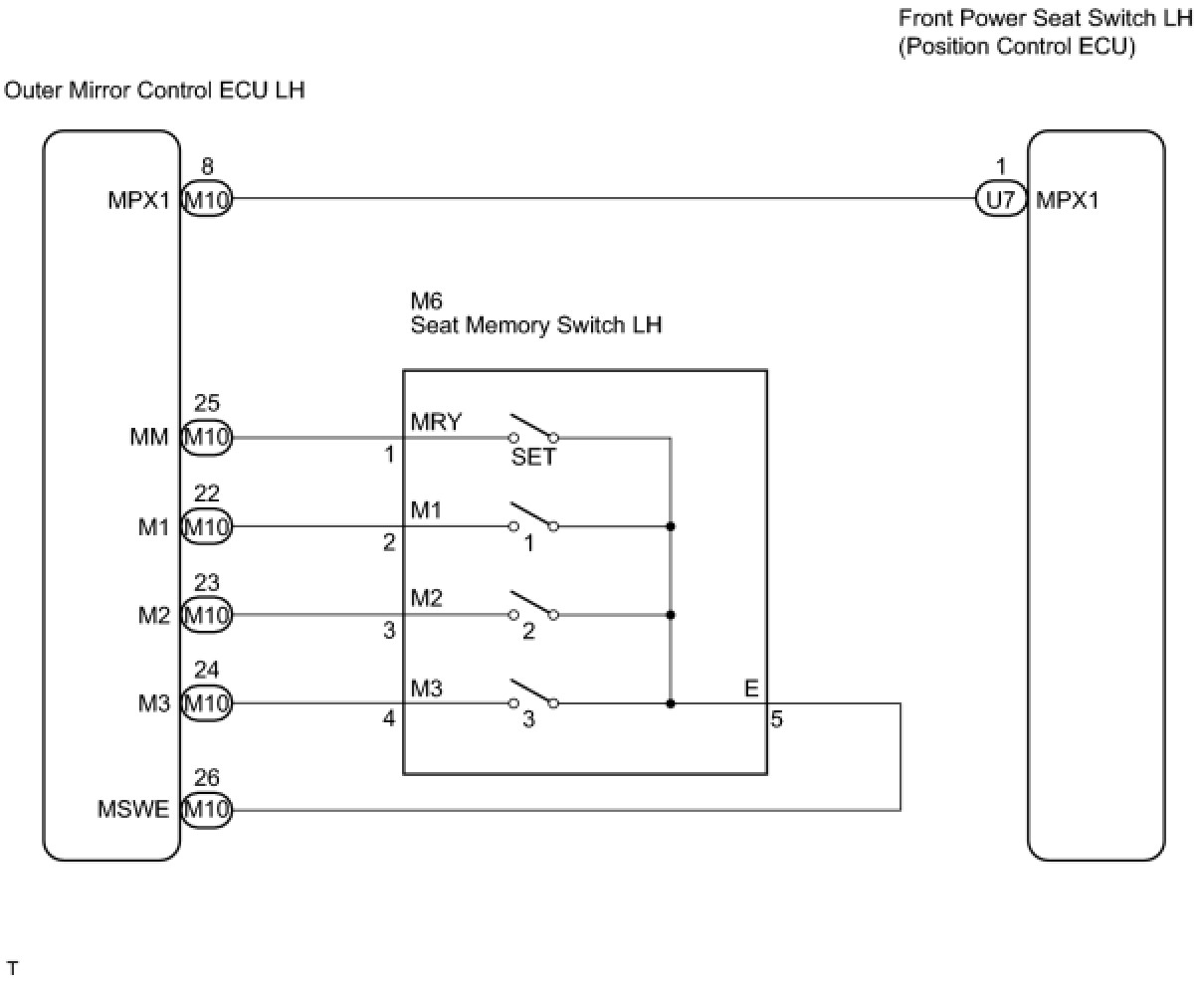
SEAT: FRONT POWER SEAT CONTROL SYSTEM (w/ Seat Position Memory System): Driver Side Seat Memory Switch Circuit
- Driver Side Seat Memory Switch Circuit

DESCRIPTION

The seat memory switch LH sends signals to the front power seat switch (position control ECU) via the multiplex communication system to memorize a given seat position. This memory system does not use a position sensor. The seat position is detected by counting pulses that are output when the motor turns. If there is no pulse output from the motor, the motor will stop operating. The seat memory switch LH is later used to send signals to the front power seat switch LH (position control ECU) to return the seat to one of the memorized positions.

WIRING DIAGRAM





INSPECTION PROCEDURE

PROCEDURE

1. READ VALUE USING TECHSTREAM (SEAT MEMORY SWITCH LH)

(a) Connect the Techstream to the DLC3.

(b) Turn the engine switch on (IG).

(c) Read the Data List.

Driver seat

Driver seat:





OK:

On the tester screen, each item changes between ON and OFF according to the above chart.

NG -- INSPECT SEAT MEMORY SWITCH LH

OK -- PROCEED TO NEXT CIRCUIT INSPECTION SHOWN IN PROBLEM SYMPTOMS TABLE

2. INSPECT SEAT MEMORY SWITCH LH

(a) Remove the seat memory switch LH.





(b) Measure the resistance according to the value(s) in the table below.

Standard resistance:





NG -- REPLACE SEAT MEMORY SWITCH LH
OK -- Continue to next step.

3. CHECK HARNESS AND CONNECTOR (SEAT MEMORY SWITCH LH CIRCUIT)

(a) Measure the resistance according to the value(s) in the table below.





Standard resistance:





NG -- CHECK HARNESS AND CONNECTOR (OUTER MIRROR CONTROL ECU - SEAT MEMORY SWITCH, BODY GROUND)

OK -- PROCEED TO NEXT CIRCUIT INSPECTION SHOWN IN PROBLEM SYMPTOMS TABLE

4. CHECK HARNESS AND CONNECTOR (OUTER MIRROR CONTROL ECU - SEAT MEMORY SWITCH, BODY GROUND)

(a) Disconnect the outer mirror control ECU LH connector.





(b) Measure the resistance according to the value(s) in the table below.

Standard resistance:





NG -- REPAIR OR REPLACE HARNESS OR CONNECTOR

OK -- REPLACE OUTER MIRROR CONTROL ECU LH