Curiosii for ever!: Car repair manuals for everyone.

Luggage Compartment Door Open Switch Circuit





DOOR LOCK: SMART ACCESS SYSTEM WITH PUSH-BUTTON START: Luggage Compartment Door Open Switch Circuit
- Luggage Compartment Door Open Switch Circuit

DESCRIPTION

If the certification ECU detects that the luggage compartment open switch is pressed when the driver is carrying the electrical key or when the electrical key is locked in the luggage compartment door, the certification ECU sends a luggage compartment door open motor drive request signal to the main body ECU LH.

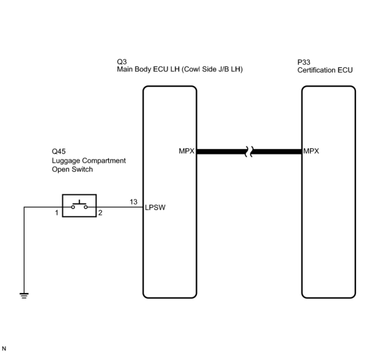
WIRING DIAGRAM





INSPECTION PROCEDURE

PROCEDURE

1. CHECK HARNESS AND CONNECTOR (MAIN BODY ECU LH - LUGGAGE COMPARTMENT OPENER SWITCH)

(a) Disconnect the Q3 ECU connector.





(b) Measure the resistance according to the value(s) in the table below.

Standard resistance:





OK -- PROCEED TO NEXT CIRCUIT INSPECTION SHOWN IN PROBLEM SYMPTOMS TABLE
NG -- Continue to next step.

2. INSPECT LUGGAGE COMPARTMENT OPENER SWITCH

(a) Disconnect the switch connector.





(b) Measure the resistance according to the value(s) in the table below.

Standard resistance:





NG -- REPLACE LUGGAGE COMPARTMENT OPENER SWITCH

OK -- REPLACE MAIN BODY ECU LH