Curiosii for ever!: Car repair manuals for everyone.

ID Code Box Power Source Circuit





ENGINE IMMOBILISER: ENGINE IMMOBILISER SYSTEM: ID Code Box Power Source Circuit
- ID Code Box Power Source Circuit

DESCRIPTION

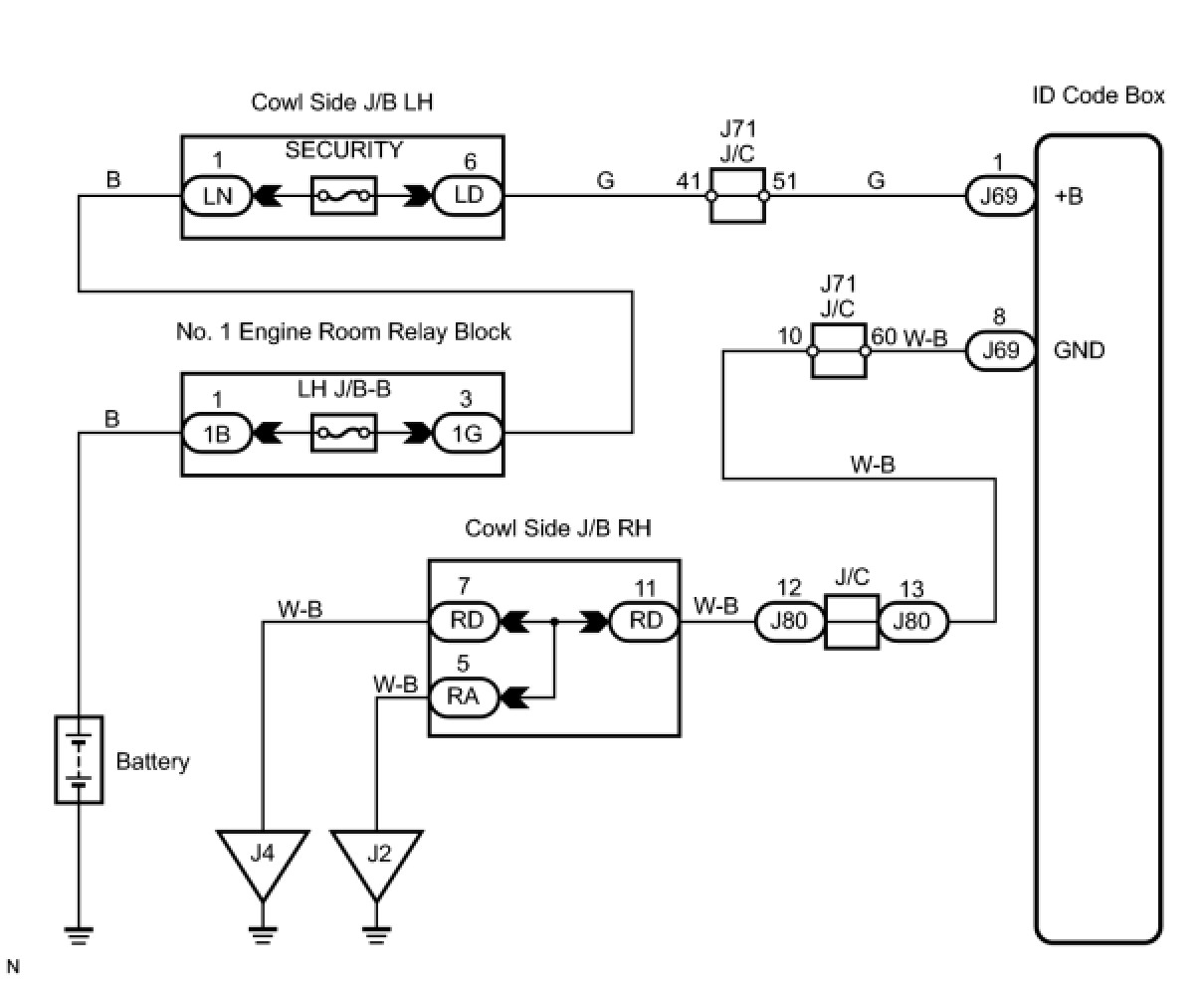
This circuit provides power to operate the ID code box.

WIRING DIAGRAM





INSPECTION PROCEDURE

PROCEDURE

1. INSPECT FUSE (SECURITY)

(a) Remove the SECURITY fuse from the cowl side junction block RH.

(b) Measure the resistance of the fuse.

Standard resistance:

Below 1 Ohms

NG -- REPLACE FUSE
OK -- Continue to next step.

2. CHECK HARNESS AND CONNECTOR (ID CODE BOX - BATTERY)

(a) Disconnect the J69 ECU connector.





(b) Measure the voltage according to the value(s) in the table below.

Standard voltage:





NG -- REPAIR OR REPLACE HARNESS OR CONNECTOR
OK -- Continue to next step.

3. CHECK HARNESS AND CONNECTOR (ID CODE BOX - BODY GROUND)

(a) Measure the resistance according to the value(s) in the table below.





Standard resistance:





NG -- REPAIR OR REPLACE HARNESS OR CONNECTOR

OK -- PROCEED TO NEXT CIRCUIT INSPECTION SHOWN IN PROBLEM SYMPTOMS TABLE