Curiosii for ever!
: Car repair manuals for everyone.
Home
>>
Lexus
>>
2010
>>
IS 250 AWD V6-2.5L (4GR-FSE)
>>
Repair and Diagnosis
>>
Powertrain Management
>>
Computers and Control Systems
>>
Relays and Modules - Computers and Control Systems
>>
Body Control Module
>>
Locations
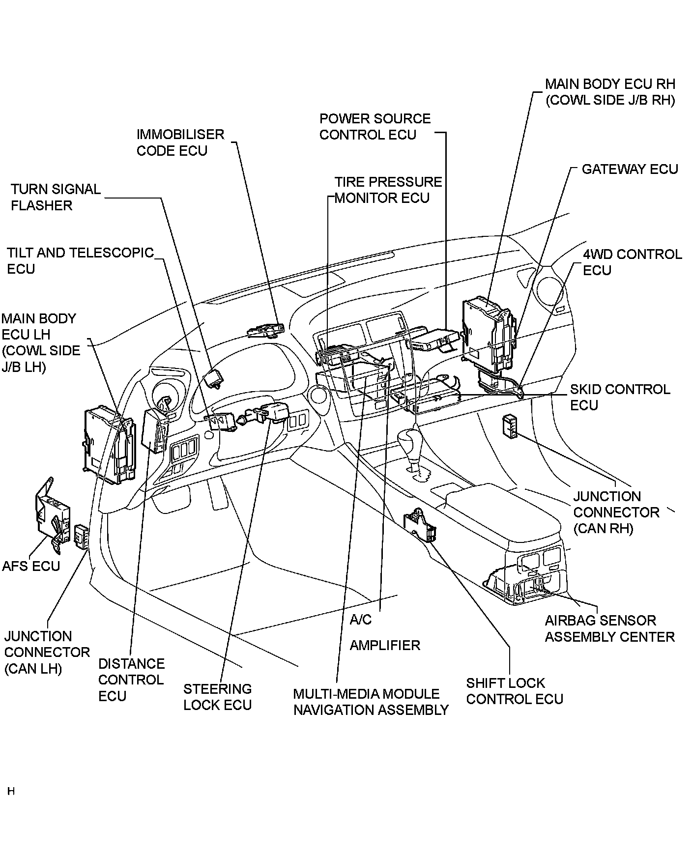
Body Control Module: Locations
MULTIPLEX COMMUNICATION: MULTIPLEX COMMUNICATION SYSTEM: PARTS LOCATION
Instrument Panel: