Curiosii for ever!: Car repair manuals for everyone.

Short In CAN Bus Lines





CAN COMMUNICATION: CAN COMMUNICATION SYSTEM: Short in CAN Bus Lines
- Short in CAN Bus Lines

DESCRIPTION

The CAN bus lines are considered to be shorted when the resistance between terminals 6 (CANH) and 14 (CANL) of the DLC3 is below 54 Ohms.





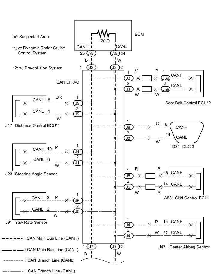
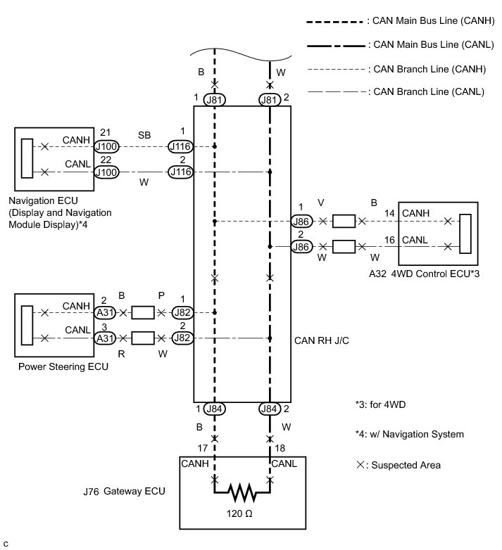
WIRING DIAGRAM









INSPECTION PROCEDURE

PROCEDURE

1. CHECK FOR SHORT IN CAN BUS WIRES (DLC3 BRANCH LINE)

(a) Turn the engine switch off.

(b) Disconnect the DLC3 branch line connector (J8) from the CAN LH J/C B side (w/o earth terminal).





NOTICE:
* Before disconnecting the connector, make a note of where it is connected.
* Reconnect the connector to its original position.
(c) Measure the resistance according to the value(s) in the table below.





Standard Resistance:





NG -- REPAIR OR REPLACE DLC3 BRANCH WIRE OR CONNECTOR
OK -- Continue to next step.

2. RECONNECT CONNECTOR

(a) Reconnect the DLC3 branch line connector (J8) to the CAN LH J/C B side (w/o earth terminal).

NEXT -- Continue to next step.

3. CHECK FOR SHORT IN CAN BUS WIRES (BRANCH LINE)

(a) Connect the probes of an ohmmeter to terminals 6 (CANH) and 14 (CANL) of the DLC3.





(b) While observing the resistance value shown on the tester, disconnect connectors J1, J3, J4, J5, J6, J9, J82, J86 and J116 from the CAN LH J/C or CAN RH J/C one by one until the resistance becomes normal (between 54 and 69 Ohms).

HINT
Disconnect the branch line connectors other than those of the DLC3.









Wiring Color:

Wiring Color::





Wiring Color:

Wiring Color::









Wiring Color:

Wiring Color::





Wiring Color:

Wiring Color::





NOTICE:
Do not reconnect the disconnected connectors until this inspection is complete because there may be a short in 2 or more branch lines.

Result:





(c) When there is a short in one or more of the branch lines:

(1) Reconnect all of the connectors to the CAN J/C, except for the one that was disconnected last (the short-circuited bus line). Check that the resistance shown on the tester is normal (between 54 and 69 Ohms) to confirm that there is a short in the one branch line only.

HINT
* The connectors connected to the CAN J/C can be distinguished according to the color of the communication bus lines and the shape of the connectors.
* Reconnecting the connectors to non-specified positions on the CAN J/C does not affect system operation. However, it is preferred to reconnect the connectors to their specified positions to avoid negative effects on the wiring such as tension on the wiring harnesses, and to make future maintenance easier.
B -- RECONNECT CONNECTOR
A -- Continue to next step.

4. CHECK FOR SHORT IN CAN BUS WIRES (GATEWAY ECU MAIN BUS LINE)

(a) Disconnect the gateway ECU main bus line connector (J84) from the CAN RH J/C B side (w/o earth terminal).





NOTICE:
* Before disconnecting the connector, make a note of where it is connected.
* Reconnect the connector to its original position.
(b) Measure the resistance according to the value(s) in the table below.





Standard Resistance:





Result:





B -- RECONNECT CONNECTOR
A -- Continue to next step.

5. CHECK FOR SHORT IN CAN BUS WIRES (ECM MAIN BUS LINE)

(a) Disconnect the ECM main bus line connector (J2) from the CAN LH J/C A side (w/ earth terminal).





NOTICE:
* Before disconnecting the connector, make a note of where it is connected.
* Reconnect the connector to its original position.
(b) Measure the resistance according to the value(s) in the table below.





Standard Resistance:





HINT
Measure the resistance with the gateway ECU main bus line connector (J84) disconnected.

Result:





B -- RECONNECT CONNECTOR
A -- Continue to next step.

6. CHECK CAN LH J/C

(a) Disconnect the CAN main bus line connector (J7) from the CAN LH J/C B side (w/o earth terminal).





NOTICE:
* Before disconnecting the connector, make a note of where it is connected.
* Reconnect the connector to its original position.
(b) Measure the resistance according to the value(s) in the table below.





Standard Resistance:





NG -- REPLACE CAN LH J/C
OK -- Continue to next step.

7. RECONNECT CONNECTOR

(a) Reconnect the CAN main bus line connector (J7) to the CAN LH J/C B side (w/o earth terminal).

NEXT -- Continue to next step.

8. CHECK CAN RH J/C

(a) Disconnect the CAN main bus line connector (J81) from the CAN RH J/C A side (w/ earth terminal).





NOTICE:
* Before disconnecting the connector, make a note of where it is connected.
* Reconnect the connector to its original position.
(b) Measure the resistance according to the value(s) in the table below.





Standard Resistance:





NG -- REPAIR OR REPLACE CAN BUS MAIN WIRE (CAN LH J/C - CAN RH J/C)

OK -- REPLACE CAN RH J/C

9. RECONNECT CONNECTOR

(a) Reconnect the connector for the short-circuited branch line to the CAN J/C (the connector that caused the bus line resistance to become normal (between 54 and 69 Ohms) when it was disconnected).

NEXT -- Continue to next step.

10. CHECK FOR SHORT IN CAN BUS WIRES

(a) Disconnect the connector that includes terminals 6 (CANH) and 14 (CANL) from the ECU (or sensor) to which the short-circuited branch line is connected CAN Communication System.





(b) Measure the resistance according to the value(s) in the table below.

Standard Resistance:





HINT
If the resistance becomes normal (between 54 and 69 Ohms) when the connector is disconnected from the ECU (or sensor), there may be a short in the ECU (or sensor).

NG -- REPAIR OR REPLACE CORRESPONDING ECU OR SENSOR BRANCH WIRE OR CONNECTOR

OK -- REPLACE CORRESPONDING ECU OR SENSOR

11. RECONNECT CONNECTOR

(a) Reconnect the gateway ECU main bus line connector (J84) to the CAN RH J/C B side (w/o earth terminal).

NEXT -- Continue to next step.

12. CHECK FOR SHORT IN CAN BUS WIRES (GATEWAY ECU)

(a) Disconnect the gateway ECU connector (J76).





(b) Measure the resistance according to the value(s) in the table below.

Standard Resistance:





HINT
If the resistance becomes normal (between 108 to 132 Ohms) when the connector is disconnected, there may be a short in the gateway ECU.

NG -- REPAIR OR REPLACE CAN BUS MAIN WIRE (GATEWAY ECU MAIN BUS LINE)

OK -- REPLACE GATEWAY ECU

13. RECONNECT CONNECTOR

(a) Reconnect the ECM main bus line connector (J2) to the CAN LH J/C A side (w/ earth terminal).

NEXT -- Continue to next step.

14. CHECK FOR SHORT IN CAN BUS WIRES (ECM)

(a) Disconnect the ECM connector (A5).





(b) Measure the resistance according to the value(s) in the table below.

Standard Resistance:





HINT
* Measure the resistance with the gateway ECU main bus line connector (J84) disconnected.
* If the resistance changes to 1 MOhms or more when the connector is disconnected, there may be a short in the ECM.
NG -- REPAIR OR REPLACE CAN BUS MAIN WIRE (ECM MAIN BUS LINE)

OK -- REPLACE ECM