Curiosii for ever!: Car repair manuals for everyone.

Emergency Contact Module

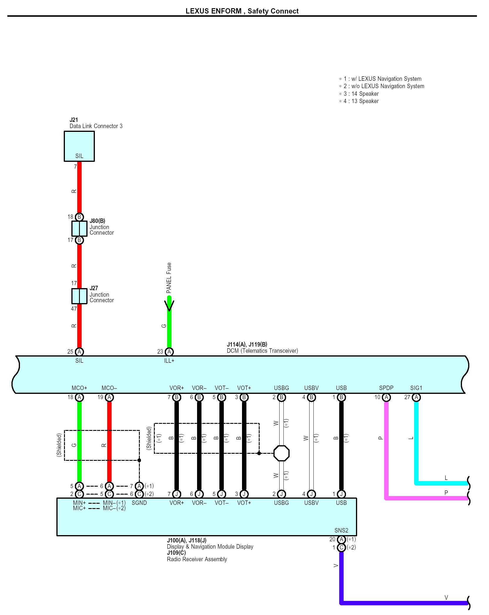
LEXUS ENFORM, Safety Connect Part 1:




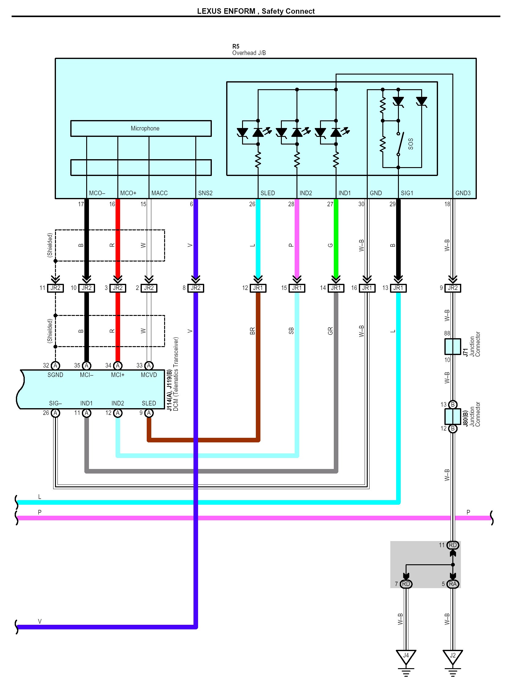
LEXUS ENFORM, Safety Connect Part 2:




LEXUS ENFORM, Safety Connect Part 3:




LEXUS ENFORM, Safety Connect Part 4:




Connectors Part 1:




Connectors Part 2:




Connectors Part 3:




Connectors Part 4:






Locations: The locations of components, connectors, ground points, and splices referred to within these diagrams can be found at Vehicle Locations. Locations