Millimeter Wave Radar Sensor Power Source Circuit
CRUISE CONTROL: DYNAMIC RADAR CRUISE CONTROL SYSTEM: Millimeter Wave Radar Sensor Power Source Circuit
- Millimeter Wave Radar Sensor Power Source Circuit
DESCRIPTION
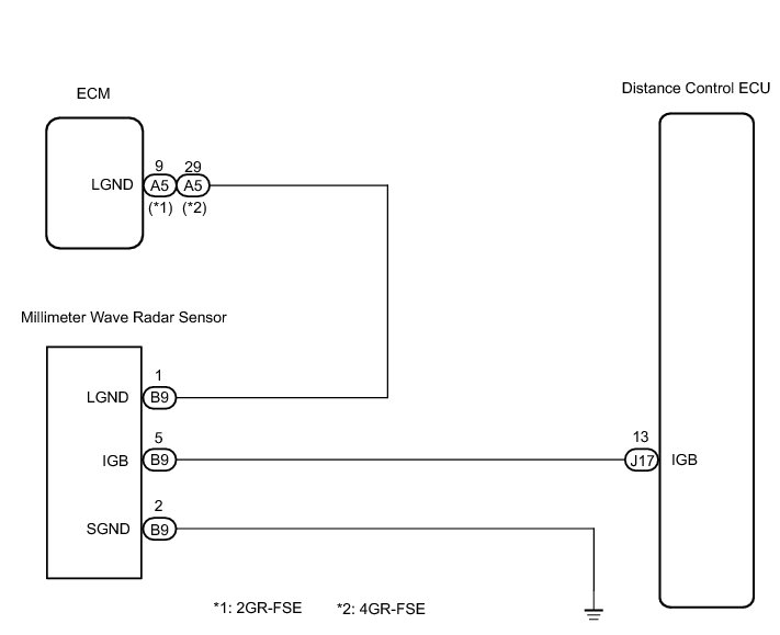
This circuit provides power to the millimeter wave radar sensor. The millimeter wave radar sensor emits radio waves towards an object in front and measures the distance and direction of the object by receiving the beam reflections. Based on the reflections, the sensor calculates the difference in speed between the vehicle and the object in front. This data is transmitted to the distance control ECU. The ECU recognizes the millimeter wave radar sensor via terminals LGND. If an open circuit occurs in the wire harness between terminals LGND, the ECM cannot recognize the millimeter wave radar sensor. The ECM will stop the control of the vehicle-to-vehicle distance control mode and only the constant speed control mode can be used.
WIRING DIAGRAM
INSPECTION PROCEDURE
PROCEDURE
1. CHECK DISTANCE CONTROL ECU (IGB VOLTAGE)
(a) Disconnect the B9 sensor connector.
(b) Measure the voltage according to the value(s) in the table below.
Standard voltage:
NG -- CHECK WIRE HARNESS (MILLIMETER WAVE RADAR SENSOR - DISTANCE CONTROL ECU)
OK -- Continue to next step.
2. CHECK WIRE HARNESS (MILLIMETER WAVE RADAR SENSOR - ECM AND BODY GROUND)
(a) Disconnect the B9 sensor connector.
(b) Disconnect the A5 ECM connector.
(c) Measure the resistance according to the value(s) in the table below.
Standard resistance:
HINT
*1: 2GR-FSE
*2: 4GR-FSE
NG -- REPAIR OR REPLACE HARNESS OR CONNECTOR
OK -- PROCEED TO NEXT SUSPECTED AREA SHOWN IN PROBLEM SYMPTOMS TABLE
3. CHECK WIRE HARNESS (MILLIMETER WAVE RADAR SENSOR - DISTANCE CONTROL ECU)
(a) Disconnect the B9 sensor connector.
(b) Disconnect the J17 ECU connector.
(c) Measure the resistance according to the value(s) in the table below
Standard resistance:
NG -- REPAIR OR REPLACE HARNESS OR CONNECTOR
OK -- PROCEED TO NEXT SUSPECTED AREA SHOWN IN PROBLEM SYMPTOMS TABLE