Curiosii for ever!: Car repair manuals for everyone.

Cranking Holding Function Circuit





1UR-FSE ENGINE CONTROL SYSTEM: SFI SYSTEM: Cranking Holding Function Circuit
- Cranking Holding Function Circuit

DESCRIPTION

The cranking holding control system provides current to the starter when the ECM detects the engine switch's start signal (STSW). When the ECM performs a firing judgment, the system cuts current to the starter. When the ECM receives the STSW signal, it turns on the ST CUT relay, which prevents flickering of the combination meter, clock, audio system, etc. Also, the ECM sends a signal to the ECM's STAR terminal. Then the STAR output signal travels through the park/neutral position (PNP) switch to the STARTER relay, causing the starter to activate.

When the engine is cranking, the starter operation signal is sent to the ECM's STA terminal.





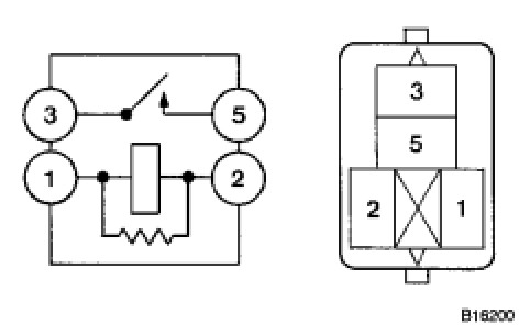
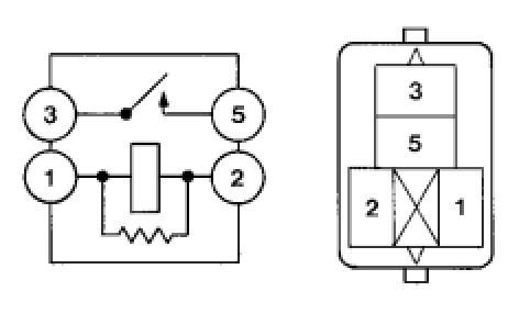
WIRING DIAGRAM

Refer to DTC P0617 P0617.



PROCEDURE

1. CHECK OPERATION OF CRANKING

(a) When starting the engine, check whether the starter motor starts.

OK -- CHECK FOR INTERMITTENT PROBLEMS
NG -- Continue to next step.

2. READ VALUE USING TECHSTREAM (STA SIGNAL)

(a) Connect the Techstream to the DLC3.

(b) Turn the engine switch on (IG) and turn the Techstream on.

(c) Enter the following menus: Powertrain / Engine / Data List / Starter Signal.

(d) Check the result when the engine switch is turned on (IG) and the engine is started.

Standard:





OK -- INSPECT STARTER RELAY
NG -- Continue to next step.

3. INSPECT ECM (STAR AND STSW VOLTAGE)

(a) Measure the voltage according to the value(s) in the table below while cranking the engine.





Standard Voltage:





Result:





C -- CHECK HARNESS AND CONNECTOR (POWER SOURCE CONTROL ECU - ECM)

B -- REPLACE ECM Components
A -- Continue to next step.

4. INSPECT ST CUT RELAY

(a) Remove the ST CUT relay from the engine room No. 2 relay block.





(b) Measure the resistance according to the value(s) in the table below.

Standard Resistance:





(c) Reinstall the relay.

NG -- REPLACE ST CUT RELAY
OK -- Continue to next step.

5. INSPECT PARK/NEUTRAL POSITION SWITCH ASSEMBLY

(a) Disconnect the park/neutral position (PNP) switch connector.





(b) Measure the resistance according to the value(s) in the table below.

Standard Resistance:





(c) Reconnect the PNP switch connector.

NG -- REPLACE PARK/NEUTRAL POSITION SWITCH ASSEMBLY
OK -- Continue to next step.

6. CHECK HARNESS AND CONNECTOR (ST CUT RELAY POWER SOURCE)

(a) Remove the ST CUT relay from the engine room No. 2 relay block.





(b) Crank the engine.

(c) Measure the voltage according to the value(s) in the table below while cranking the engine.

Standard Voltage:





(d) Reinstall the relay.

NG -- CHECK HARNESS AND CONNECTOR (STARTER RELAY - STARTER ASSEMBLY)
OK -- Continue to next step.

7. CHECK HARNESS AND CONNECTOR (ST CUT RELAY - BODY GROUND)

(a) Remove the ST CUT relay from the engine room No. 2 relay block.

(b) Measure the resistance according to the value(s) in the table below.

Standard Resistance:





(c) Reinstall the relay.

NG -- REPAIR OR REPLACE HARNESS OR CONNECTOR
OK -- Continue to next step.

8. CHECK HARNESS AND CONNECTOR (ECM - ST CUT RELAY)

(a) Disconnect the ECM connector.

(b) Remove the ST CUT relay from the engine room No. 2 relay block.

(c) Measure the resistance according to the value(s) in the table below.

Standard Resistance:





(d) Reinstall the ST CUT relay.

(e) Reconnect the ECM connector.

NG -- REPAIR OR REPLACE HARNESS OR CONNECTOR
OK -- Continue to next step.

9. CHECK HARNESS AND CONNECTOR (PARK/NEUTRAL POSITION SWITCH - STARTER RELAY)

(a) Check the harness and the connectors between the park/neutral position switch and the starter relay.

(1) Disconnect the PNP switch connector.

(2) Remove the STARTER relay from the engine room No. 1 relay block.

(3) Measure the resistance according to the value(s) in the table below.

Standard Resistance (Check for Open):





Standard Resistance (Check for Short):





(4) Reconnect the PNP switch connector.

(5) Reinstall the relay.

(b) Check the harness and the connector between the STARTER relay and the body ground.

(1) Remove the STARTER relay from the engine room No. 1 relay block.

(2) Measure the resistance according to the value(s) in the table below.

Standard Resistance (Check for Open):





(3) Reinstall the relay.

NG -- REPAIR OR REPLACE HARNESS OR CONNECTOR (ST CUT RELAY - PARK/NEUTRAL POSITION SWITCH)

OK -- REPAIR OR REPLACE HARNESS OR CONNECTOR (PARK/NEUTRAL POSITION SWITCH - STARTER RELAY)

10. INSPECT STARTER RELAY

(a) Remove the STARTER relay from the engine room No. 1 relay block.





(b) Measure the resistance according to the value(s) in the table below.

Standard Resistance:





(c) Reinstall the relay.

NG -- REPLACE STARTER RELAY
OK -- Continue to next step.

11. INSPECT FUSE (STARTER FUSE)

(a) Remove the fusible link block from the engine room No. 1 relay block.





(b) Measure the resistance according to the value(s) in the table below.

Standard Resistance:





(c) Reinstall the fusible link block.

NG -- REPLACE FUSIBLE LINK BLOCK
OK -- Continue to next step.

12. CHECK HARNESS AND CONNECTOR (PARK/NEUTRAL POSITION SWITCH - STARTER RELAY)

(a) Check the harness and the connectors between the park/neutral position switch and the starter relay.

(1) Disconnect the PNP switch connector.

(2) Remove the STARTER relay from the engine room No. 1 relay block.

(3) Measure the resistance according to the value(s) in the table below.

Standard Resistance (Check for Open):





Standard Resistance (Check for Short):





(4) Reconnect the PNP switch connector.

(5) Reinstall the relay.

(b) Check the harness and the connector between the STARTER relay and the body ground.

(1) Remove the STARTER relay from the engine room No. 1 relay block.

(2) Measure the resistance according to the value(s) in the table below.

Standard Resistance (Check for Open):





(3) Reinstall the relay.

NG -- REPAIR OR REPLACE HARNESS OR CONNECTOR
OK -- Continue to next step.

13. CHECK HARNESS AND CONNECTOR (STARTER RELAY - BODY GROUND)

(a) Remove the STARTER relay from the engine room No. 1 relay block.

(b) Measure the resistance according to the value(s) in the table below.

Standard Resistance:





(c) Reinstall the relay.

NG -- REPAIR OR REPLACE HARNESS OR CONNECTOR
OK -- Continue to next step.

14. INSPECT ENGINE ROOM RELAY BLOCK (STARTER RELAY VOLTAGE)

(a) Remove the starter relay from the engine room No. 1 relay block.





(b) Measure the voltage according to the value(s) in the table below.

Standard Voltage:





(c) Reinstall the relay.

NG -- REPAIR OR REPLACE HARNESS OR CONNECTOR (STARTER RELAY - STARTER FUSE)
OK -- Continue to next step.

15. INSPECT STARTER ASSEMBLY

(a) Inspect the starter Testing and Inspection.

NG -- REPAIR OR REPLACE STARTER ASSEMBLY
OK -- Continue to next step.

16. CHECK HARNESS AND CONNECTOR (STARTER RELAY - STARTER ASSEMBLY)

(a) Remove the STARTER relay from the engine room No. 1 relay block.

(b) Disconnect the starter connector.

(c) Measure the resistance according to the value(s) in the table below.

Standard Resistance:





(d) Reconnect the starter connector.

(e) Reinstall the STARTER relay.

NG -- REPAIR OR REPLACE HARNESS OR CONNECTOR (STARTER RELAY - STARTER ASSEMBLY)

OK -- REPAIR OR REPLACE HARNESS OR CONNECTOR (STARTER - BATTERY)

17. CHECK HARNESS AND CONNECTOR (ST CUT RELAY - POWER SOURCE CONTROL ECU)

(a) Remove the ST CUT relay from the engine room No. 2 relay block.

(b) Disconnect the power source control ECU connector.

(c) Measure the resistance according to the value(s) in the table below.

Standard Resistance:





(d) Reinstall the relay.

(e) Reconnect the ECU connector.

NG -- REPAIR OR REPLACE HARNESS OR CONNECTOR

OK -- GO TO SMART ACCESS SYSTEM WITH PUSH-BUTTON START

18. CHECK HARNESS AND CONNECTOR (POWER SOURCE CONTROL ECU - ECM)

(a) Check the harness and the connectors between the power source control ECU and ECM.

(1) Disconnect the power source control ECU connector.

(2) Disconnect the ECM connector.

(3) Measure the resistance according to the value(s) in the table below.

Standard Resistance (Check for Open):





Standard Resistance (Check for Short):





(4) Reconnect the ECM connector and power source control ECU connector.

NG -- REPAIR OR REPLACE HARNESS OR CONNECTOR

OK -- GO TO SMART ACCESS SYSTEM WITH PUSH-BUTTON START