Curiosii for ever!: Car repair manuals for everyone.

Engine Immobiliser, Push-Button Start, Steering Lock, Smart Access System With Push-Button Start

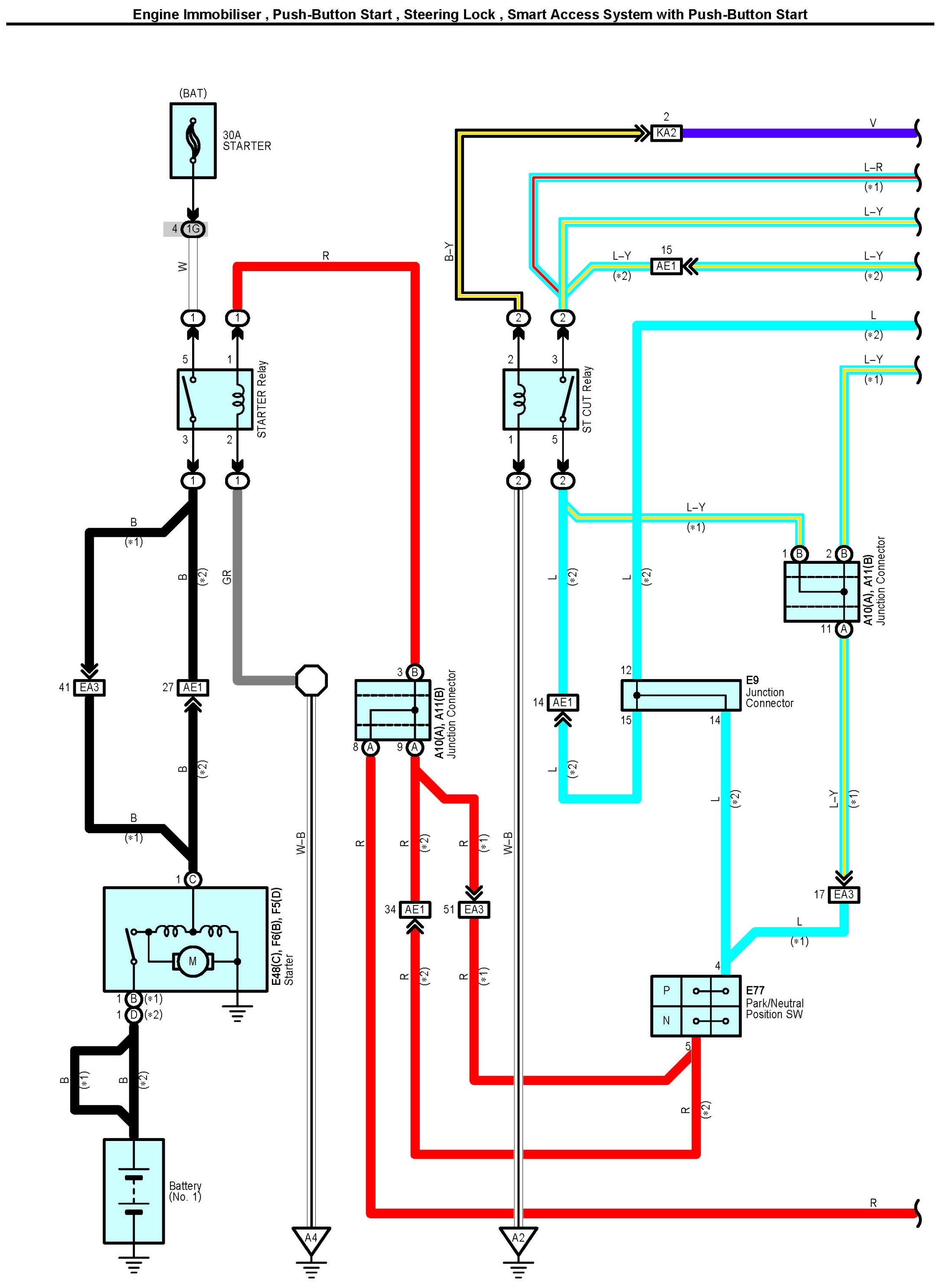
Engine Immobiliser, Push-Button Start, Steering Lock, Smart Access System with Push-Button Start Part 1:




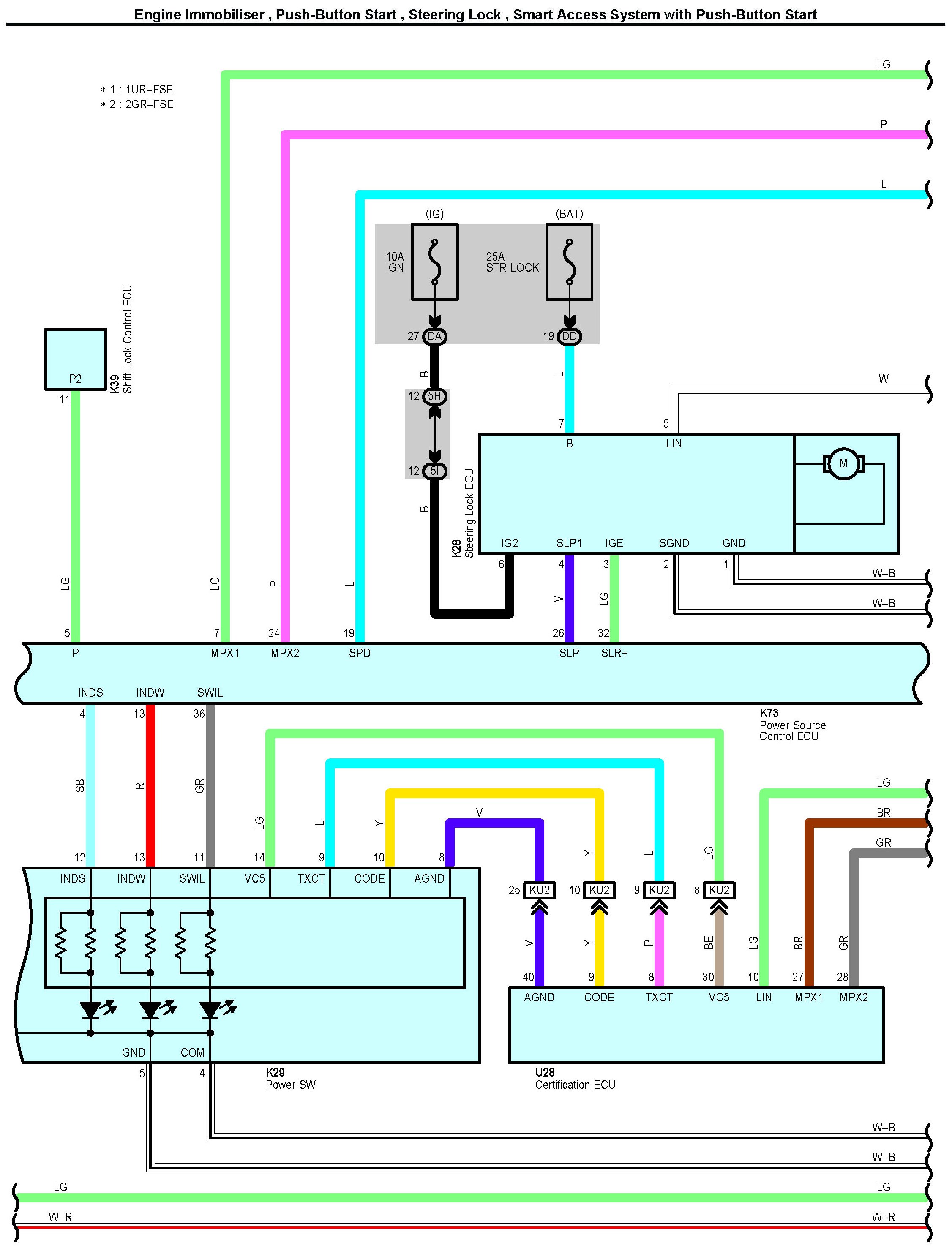
Engine Immobiliser, Push-Button Start, Steering Lock, Smart Access System with Push-Button Start Part 2:




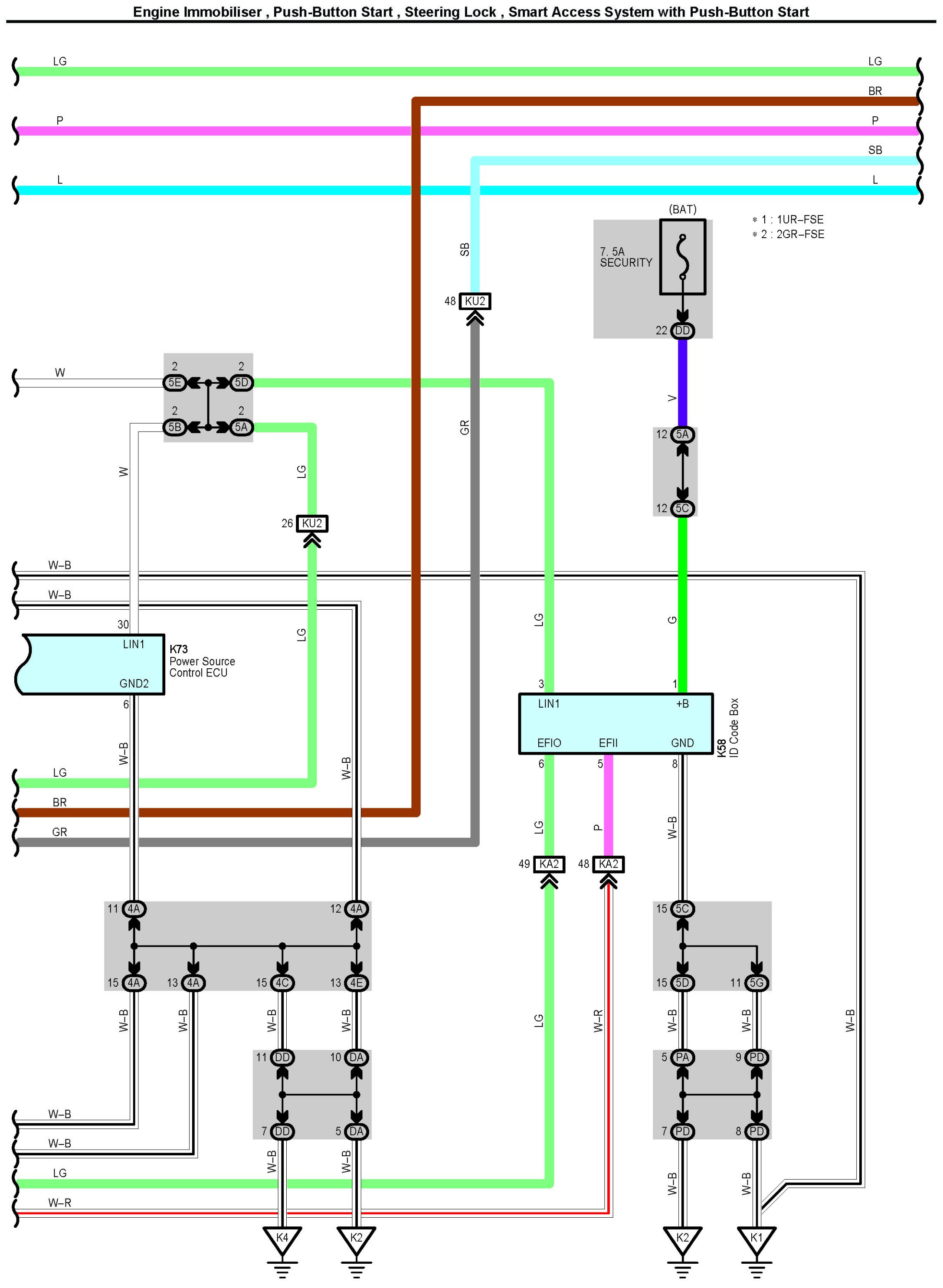
Engine Immobiliser, Push-Button Start, Steering Lock, Smart Access System with Push-Button Start Part 3:




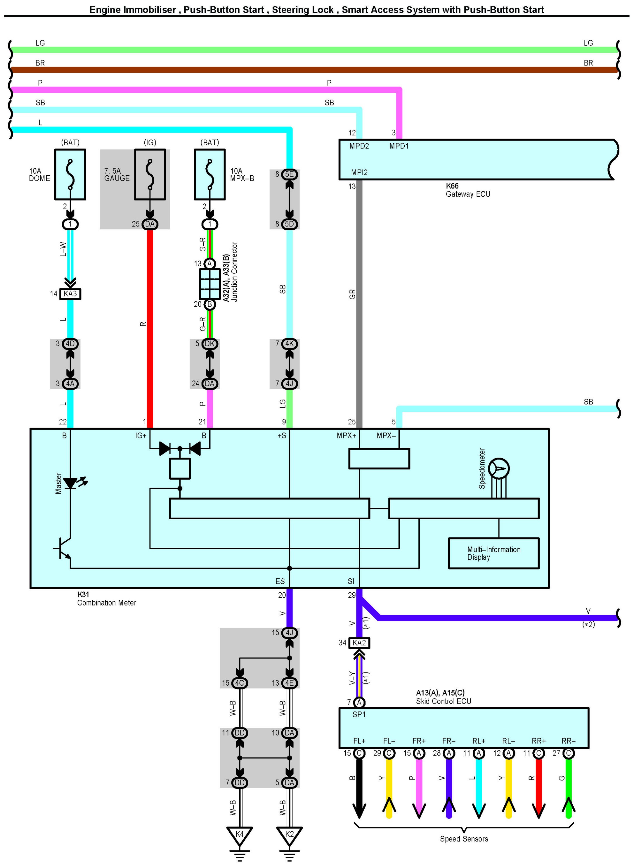
Engine Immobiliser, Push-Button Start, Steering Lock, Smart Access System with Push-Button Start Part 4:




Engine Immobiliser, Push-Button Start, Steering Lock, Smart Access System with Push-Button Start Part 5:




Engine Immobiliser, Push-Button Start, Steering Lock, Smart Access System with Push-Button Start Part 6:




Engine Immobiliser, Push-Button Start, Steering Lock, Smart Access System with Push-Button Start Part 7:




Connectors Part 1:




Connectors Part 2:




Connectors Part 3:




Connectors Part 4:




Connectors Part 5:




Connectors Part 6:






Locations: The locations of components, connectors, ground points, and splices referred to within these diagrams can be found at Vehicle Locations. Locations