Curiosii for ever!: Car repair manuals for everyone.

Millimeter Wave Radar Sensor Power Source Circuit





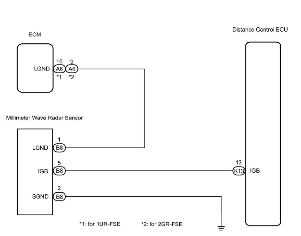
CRUISE CONTROL: DYNAMIC RADAR CRUISE CONTROL SYSTEM: Millimeter Wave Radar Sensor Power Source Circuit
- Millimeter Wave Radar Sensor Power Source Circuit

DESCRIPTION

This circuit provides power to the millimeter wave radar sensor. The millimeter wave radar sensor emits radio waves towards an object in front and measures the distance and direction of the object by receiving the beam reflections. Based on the reflections, the sensor calculates the difference in speed between the vehicle and the object in front. This data is transmitted to the distance control ECU.

WIRING DIAGRAM







PROCEDURE

1. CHECK DISTANCE CONTROL ECU (IGB VOLTAGE)





(a) Disconnect the millimeter wave radar sensor connector.

(b) Measure the voltage according to the value(s) in the table below.

Standard voltage:





Text in Illustration





(c) Reconnect the millimeter wave radar sensor connector.

NG -- CHECK HARNESS AND CONNECTOR (MILLIMETER WAVE RADAR SENSOR - DISTANCE CONTROL ECU)
OK -- Continue to next step.

2. CHECK HARNESS AND CONNECTOR (MILLIMETER WAVE RADAR SENSOR - ECM AND BODY GROUND)

(a) Disconnect the millimeter wave radar sensor connector.

(b) Disconnect the ECM connector.

(c) Measure the resistance according to the value(s) in the table below.

Standard resistance:





(d) Reconnect the millimeter wave radar sensor and ECM connectors.

HINT
* *1: for 1UR-FSE
* *2: for 2GR-FSE
NG -- REPAIR OR REPLACE WIRE HARNESS AND CONNECTOR

OK -- PROCEED TO NEXT SUSPECTED AREA SHOWN IN PROBLEM SYMPTOMS TABLE

3. CHECK HARNESS AND CONNECTOR (MILLIMETER WAVE RADAR SENSOR - DISTANCE CONTROL ECU)

(a) Disconnect the millimeter wave radar sensor connector.

(b) Disconnect the distance control ECU connector.

(c) Measure the resistance according to the value(s) in the table below.

Standard resistance:





(d) Reconnect the millimeter wave radar sensor and distance control ECU connectors.

NG -- REPAIR OR REPLACE WIRE HARNESS AND CONNECTOR

OK -- PROCEED TO NEXT SUSPECTED AREA SHOWN IN PROBLEM SYMPTOMS TABLE