Curiosii for ever!
: Car repair manuals for everyone.
Home
>>
Lexus
>>
2010
>>
ES 350 V6-3.5L (2GR-FE)
>>
Repair and Diagnosis
>>
Powertrain Management
>>
Ignition System
>>
Description and Operation
Ignition System: Description and Operation
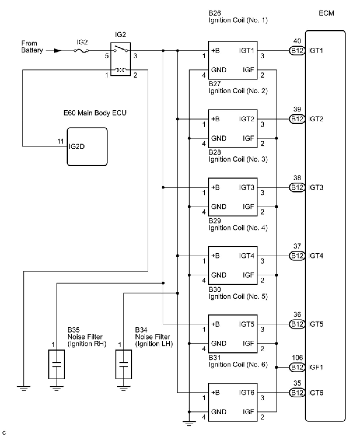
2GR-FE IGNITION:
IGNITION SYSTEM
: SYSTEM DIAGRAM