Curiosii for ever!: Car repair manuals for everyone.

Distance Control Switch Circuit





CRUISE CONTROL: DYNAMIC RADAR CRUISE CONTROL SYSTEM: Distance Control Switch Circuit
- Distance Control Switch Circuit

DESCRIPTION

The distance control switch sets the vehicle-to-vehicle distance control mode. The distance control switch is installed in the steering pad switch. The vehicle-to-vehicle distance set value can be changed by operating the steering pad switch (distance control switch) while the dynamic radar cruise control system is in operation.

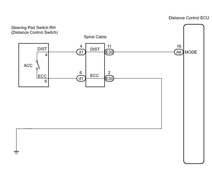
WIRING DIAGRAM





INSPECTION PROCEDURE

NOTICE:
When the distance control ECU is replaced with a new one, Initialization must be performed Installation.

PROCEDURE

1. READ VALUE USING TECHSTREAM (DISTANCE CONTROL SWITCH)

(a) Connect the Techstream to the DLC3.

(b) Turn the engine switch on (IG).

(c) Turn the Techstream on.

(d) Enter the following menus: Powertrain / Radar Cruise / Data List.

(e) Check the Data List to confirm proper function of the distance control switch.

Radar Cruise (ECM)

Radar Cruise (ECM):





OK:

When the distance control switch is operated, the display changes in accordance with switch operation.

NG -- INSPECT STEERING PAD SWITCH ASSEMBLY

OK -- PROCEED TO NEXT SUSPECTED AREA SHOWN IN PROBLEM SYMPTOMS TABLE Dynamic Radar Cruise Control System

2. INSPECT STEERING PAD SWITCH ASSEMBLY

(a) Remove the steering pad switch assembly Removal.





(b) Measure the resistance according to the value(s) in the table below.

Standard Resistance:





(c) Install the steering pad switch assembly Installation.

NG -- REPLACE STEERING PAD SWITCH ASSEMBLY
OK -- Continue to next step.

3. INSPECT SPIRAL CABLE

NOTICE:
The spiral cable is an important part of the SRS airbag system. Incorrect removal or installation of the spiral cable may cause airbag deployment. Be sure to read the page shown in the brackets.

(a) Remove the spiral cable Removal.





(b) Measure the resistance according to the value(s) in the table below.

Standard Resistance:





HINT
The spiral cable makes a maximum of approximately 5 rotations.

(c) Install the spiral cable Installation.

NG -- REPLACE SPIRAL CABLE Removal
OK -- Continue to next step.

4. CHECK HARNESS AND CONNECTOR (SPIRAL CABLE - DISTANCE CONTROL ECU)

(a) Disconnect the distance control ECU connector.

(b) Disconnect the spiral cable connector.

(c) Measure the resistance according to the value(s) in the table below.

Standard Resistance:





(d) Reconnect the distance control ECU connector.

(e) Reconnect the spiral cable connector.

NG -- REPAIR OR REPLACE HARNESS OR CONNECTOR (SPIRAL CABLE - DISTANCE CONTROL ECU)
OK -- Continue to next step.

5. CHECK HARNESS AND CONNECTOR (SPIRAL CABLE - BODY GROUND)

(a) Disconnect the spiral cable connector.





(b) Measure the resistance according to the value(s) in the table below.

Standard Resistance (Check for Open):





(c) Reconnect the spiral cable connector.

NG -- REPAIR OR REPLACE HARNESS OR CONNECTOR (SPIRAL CABLE - BODY GROUND)

OK -- REPLACE DISTANCE CONTROL ECU Removal