Curiosii for ever!
: Car repair manuals for everyone.
Home
>>
Lexus
>>
2009
>>
LS 460 RWD V8-4.6L (1UR-FSE)
>>
Repair and Diagnosis
>>
Relays and Modules
>>
Relays and Modules - Cooling System
>>
Radiator Cooling Fan Control Module
>>
Locations
>>
Cooling System
Cooling System
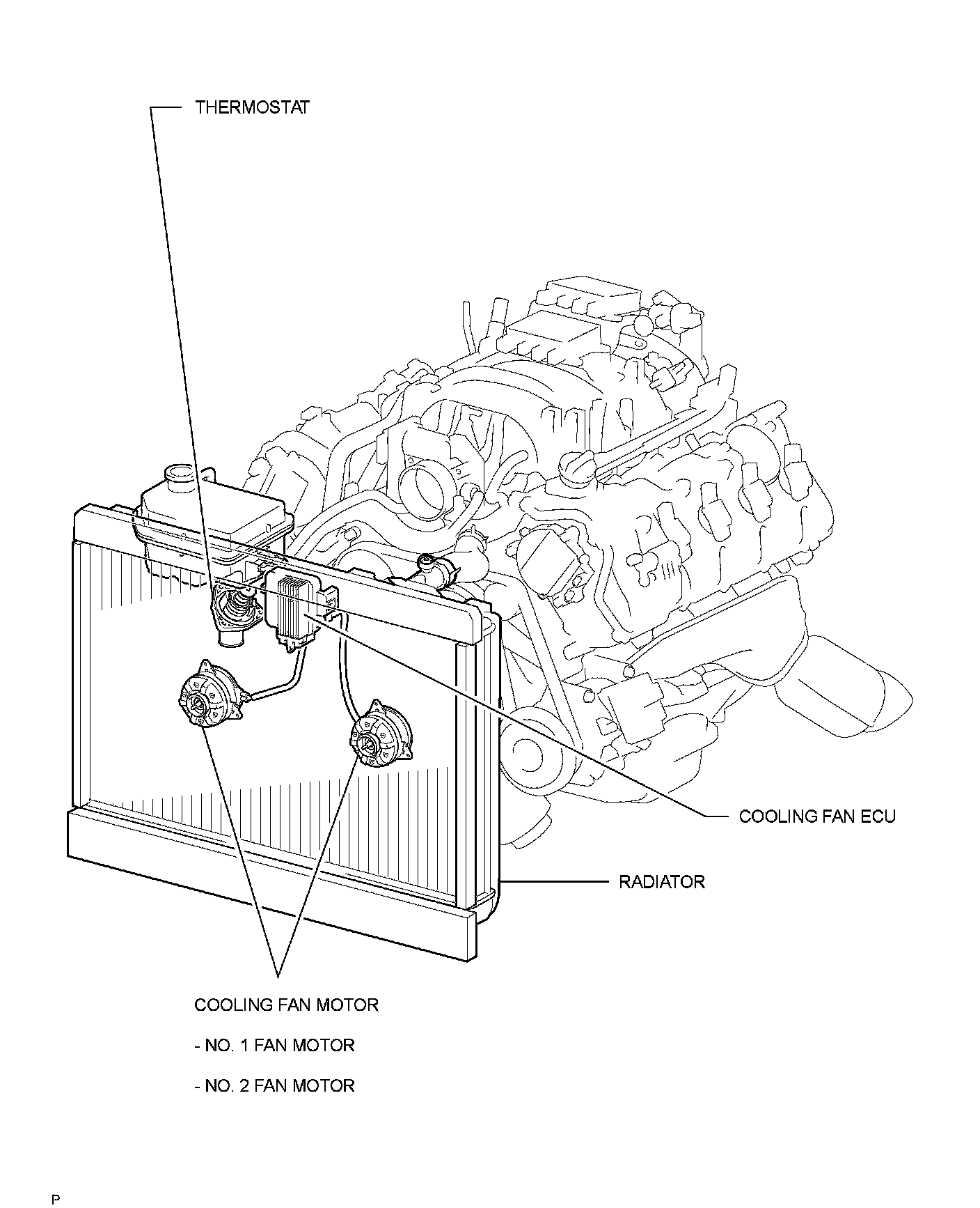
1UR-FSE COOLING: COOLING SYSTEM: PARTS LOCATION
PARTS LOCATION
ILLUSTRATION