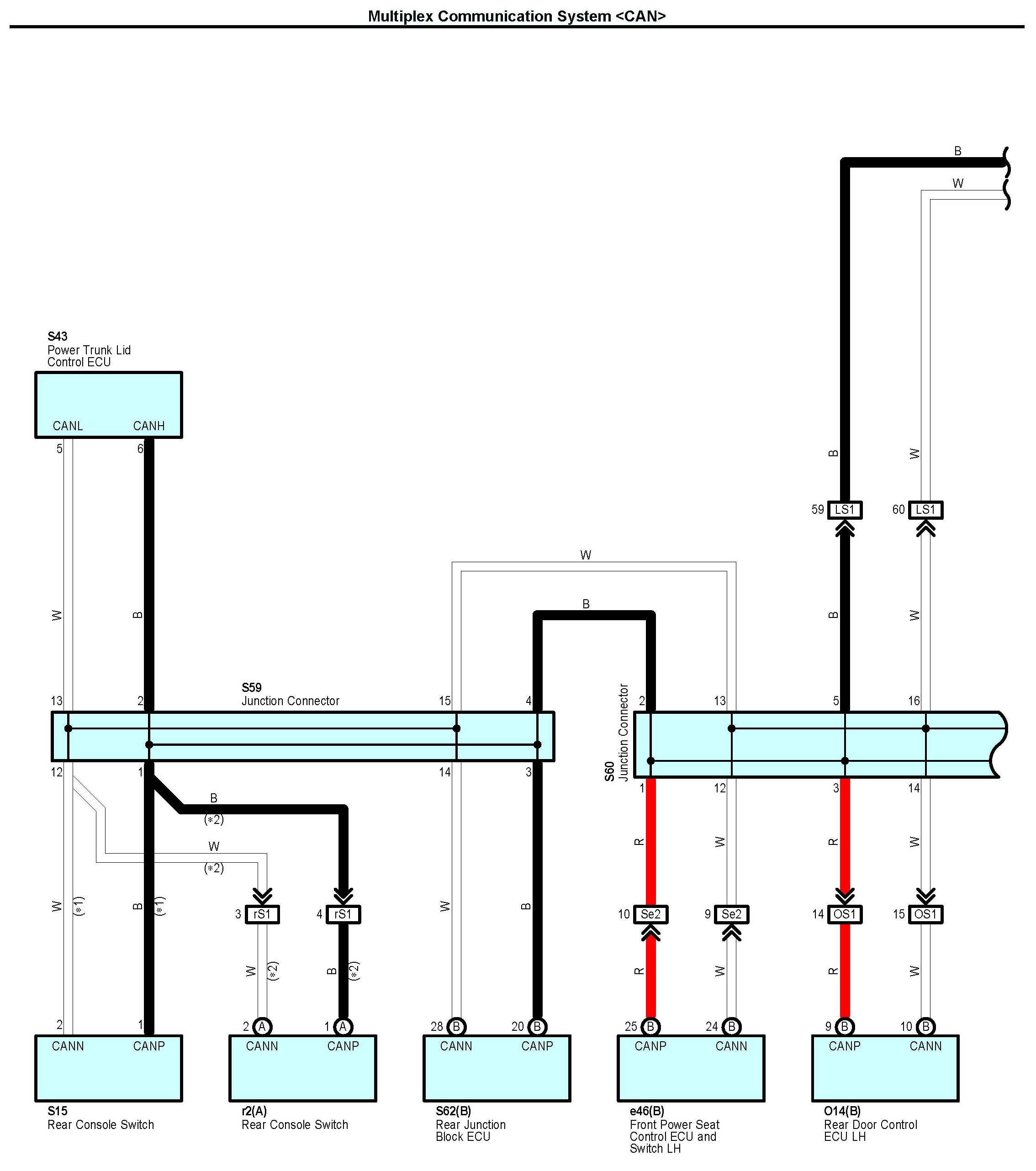
Multiplex Communication System [CAN] Part 1
Multiplex Communication System [CAN] Part 1:
Connectors Part 1:
Connectors Part 2:
Connectors Part 3:
Connectors Part 4:
Connectors Part 5:
Connectors Part 6:
Connectors Part 7:
Connectors Part 8:
Next Diagram Multiplex Communication System [CAN] Part 2
Locations: The locations of components, connectors, ground points, and splices referred to within these diagrams can be found at Vehicle Locations. Locations