Curiosii for ever!: Car repair manuals for everyone.

Integration Control and Panel Assembly Communication Error








AUDIO / VISUAL: AUDIO AND VISUAL SYSTEM (W/O Multi-display): Integration Control and Panel Assembly Communication Error

Integration Control and Panel Assembly Communication Error

INSPECTION PROCEDURE

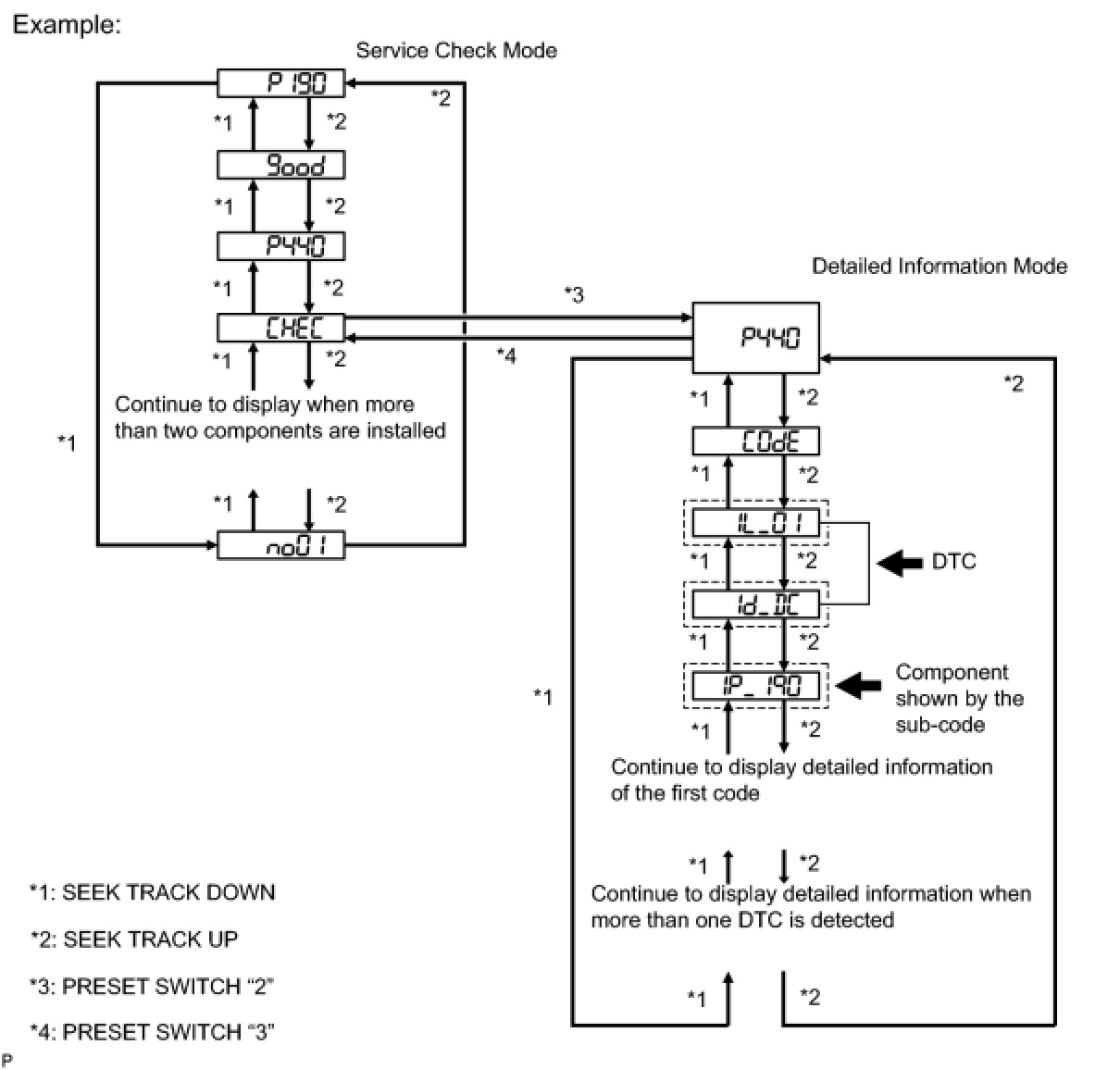
PROCEDURE

1. IDENTIFY COMPONENT SHOWN BY SUB-CODE
(a) Enter the diagnostic mode.




(b) Press the preset switch "2" to change to "Detailed Information Mode".
(c) Identify the component shown by the sub-code.
HINT:
- "190 (radio receiver)" is the component shown by the sub-code in the example shown in the illustration.
- For details of the DTC display, refer to the "DTC CHECK/CLEAR" Audio and Visual System (W/O Multi-display).

NEXT -- Continue to next step.

2. CHECK POWER SOURCE CIRCUIT OF COMPONENT SHOWN BY SUB-CODE
(a) Inspect the power source circuit of the component shown by the sub-code.
If the power source circuit is operating normally, proceed to the next step.


Component table





NEXT -- Continue to next step.

3. INSPECT RADIO RECEIVER ASSEMBLY




(a) Disconnect the L51 receiver connector.
(b) Measure the resistance according to the value(s) in the table below.
Standard resistance:






NG -- REPLACE RADIO RECEIVER ASSEMBLY
OK -- Continue to next step.

4. CHECK HARNESS AND CONNECTOR (INTEGRATION CONTROL AND PANEL ASSEMBLY - COMPONENT SHOWN BY SUB-CODE)
HINT:
- Start the check from the circuit that is near the component shown by the sub-code first.
- For details of the connectors, refer to the "Terminals of ECU" Audio and Visual System (W/O Multi-display).
(a) Referring to the AVC-LAN wiring diagram, check the AVC-LAN circuit between the integration control and panel assembly and the component shown by the sub-code.
(1) Check for an open or short in the AVC-LAN circuit between the integration control and panel assembly and the component shown by the sub-code.
OK:
There is no open or short circuit.





NG -- REPAIR OR REPLACE HARNESS OR CONNECTOR
OK -- Continue to next step.

5. REPLACE COMPONENT SHOWN BY SUB-CODE
(a) Replace the component shown by the sub-code with a normal one and check if the same problem occurs again.
OK:
Same problem does not occur.
NG -- REPLACE INTEGRATION CONTROL AND PANEL ASSEMBLY
OK -- END