Curiosii for ever!: Car repair manuals for everyone.

Rear Power Seat Module Switch Communication Error








NAVIGATION: NAVIGATION SYSTEM (for DVD): Rear Power Seat Module Switch Communication Error

Rear Power Seat Module Switch Communication Error

INSPECTION PROCEDURE

PROCEDURE

1. IDENTIFY COMPONENT SHOWN BY SUB-CODE




(a) Enter the diagnostic mode.
(b) Press the "LAN Mon" switch to change to "LAN Monitor" mode.
(c) Identify the component shown by the sub-code.
HINT:
- "110 (multi-display)" is the component shown by the sub-code in the example shown in the illustration.
- The sub-code will be indicated by its physical address.
- For the component list, refer to "DIAGNOSIS DISPLAY DETAILED DESCRIPTION" Diagnosis Display Detailed Description.

NEXT -- Continue to next step.

2. CHECK POWER SOURCE CIRCUIT OF COMPONENT SHOWN BY SUB-CODE
(a) Inspect the power source circuit of the component shown by the sub-code.
If the power source circuit is operating normally, proceed to the next step.


Component table:





NEXT -- Continue to next step.

3. INSPECT RADIO RECEIVER ASSEMBLY




(a) Disconnect the L53, L51, L52 and L57 receiver connectors.
(b) Measure the resistance according to the value(s) in the table below.
Standard resistance:





HINT:
*1: for DVD Changer Models
*2: for CD Changer Models

NG -- REPLACE RADIO RECEIVER ASSEMBLY
OK -- Continue to next step.

4. CHECK HARNESS AND CONNECTOR (REAR POWER SEAT MODULE SWITCH - COMPONENT SHOWN BY SUB-CODE)
HINT:
- Start the check from the circuit that is near the component shown by the sub-code first.
- For details of the connectors, refer to "TERMINALS OF ECU" Navigation System (for DVD).
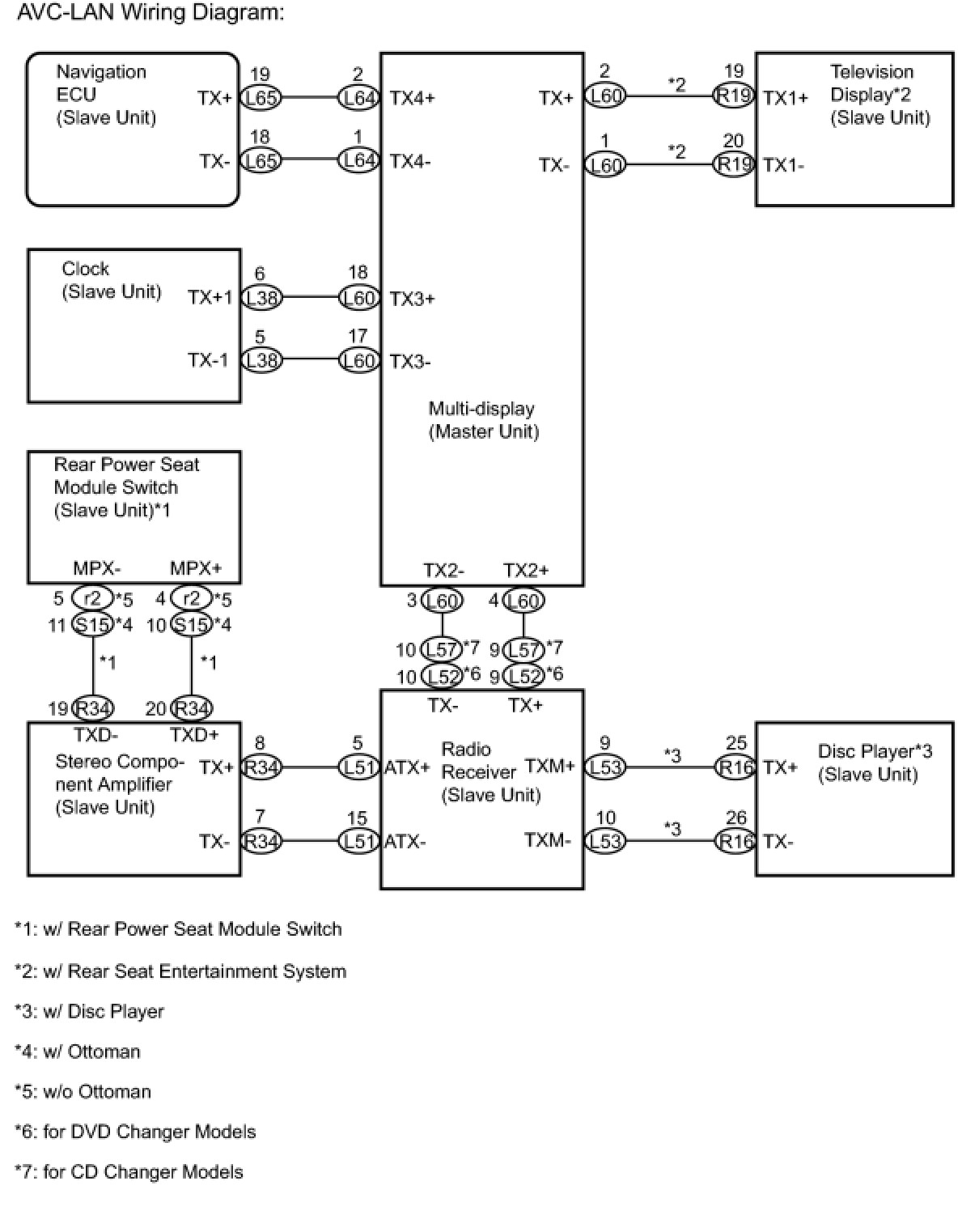
(a) Referring to the AVC-LAN wiring diagram below, check the AVC-LAN circuit between the rear power seat module switch and the component shown by the sub-code.
(1) Disconnect all connectors between the rear power seat module switch and the component shown by sub-code.
(2) Check for an open or short in the AVC-LAN circuit between the rear power seat module switch and the component shown by the sub-code.
OK:
There is no open or short circuit.





NG -- REPAIR OR REPLACE HARNESS OR CONNECTOR
OK -- Continue to next step.

5. REPLACE COMPONENT SHOWN BY SUB-CODE
(a) Replace the component shown by the sub-code with a normal one and check if the same problem occurs again.
OK:
Same problem does not occur.

Result





D -- REPLACE REAR POWER SEAT MODULE SWITCH ASSEMBLY
C -- REPLACE REAR POWER SEAT MODULE SWITCH ASSEMBLY
B -- REPLACE REAR POWER SEAT MODULE SWITCH ASSEMBLY
A -- END