Curiosii for ever!: Car repair manuals for everyone.

VC Output Circuit








1UR-FSE ENGINE CONTROL SYSTEM: SFI SYSTEM: VC Output Circuit

VC Output Circuit

DESCRIPTION

The ECM constantly uses 5 V from the battery voltages supplied to the +B (BATT) terminal to operate the microprocessor. The ECM also provides this power to the sensors through the VC output circuit.





When the VC circuit is short-circuited, the microprocessor in the ECM and sensors that are supplied power through the VC circuit are inactivated because the power is not supplied from the VC circuit. Under this condition, the system does not start up and the MIL does not illuminate even if the system malfunctions.
HINT: Under normal conditions, the MIL is illuminated for several seconds when the engine switch is first turned on (IG). The MIL goes off when the engine is started.

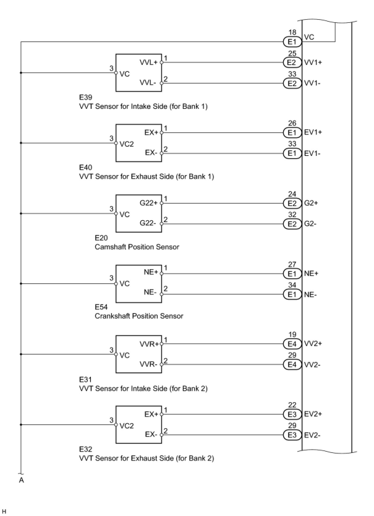
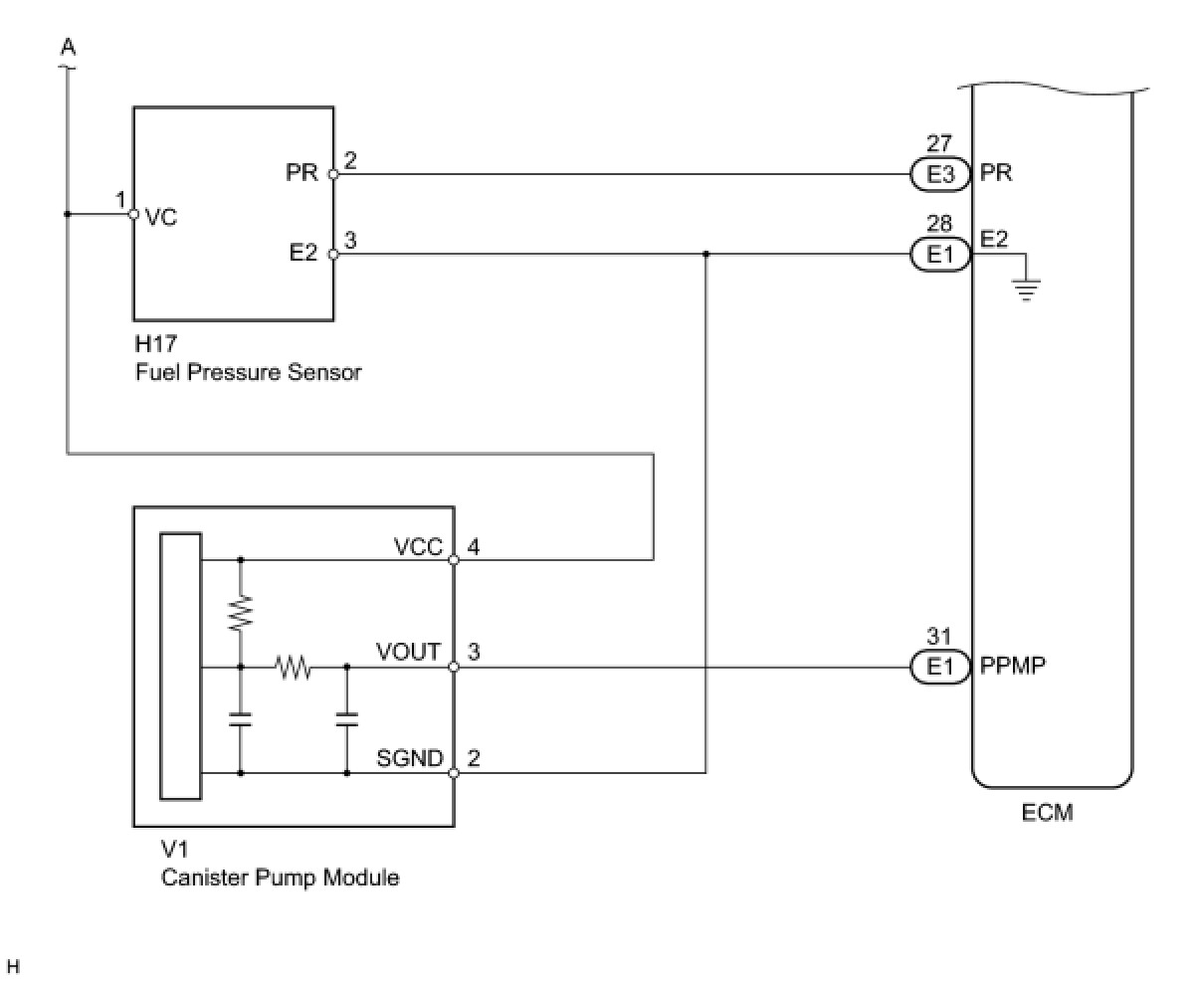
WIRING DIAGRAM













INSPECTION PROCEDURE

PROCEDURE

1. CHECK MIL
(a) Check that Malfunction Indicator Lamp (MIL) lights up when turning the engine switch on (IG).
OK:
MIL lights up.
OK -- SYSTEM OK
NG -- Continue to next step.

2. CHECK CONNECTION BETWEEN TECHSTREAM AND ECM
(a) Connect the Techstream to the DLC3.
(b) Turn the engine switch on (IG) and the Techstream ON.
(c) Check the communication between the Techstream and ECM.
Result:






A -- GO TO MIL CIRCUIT MIL Circuit
B -- Continue to next step.

3. CHECK MIL (THROTTLE BODY)
(a) Disconnect the throttle body connector.
(b) Turn the engine switch on (IG).
(c) Check the MIL.
Result:





(d) Reconnect the throttle body connector.
A -- REPLACE THROTTLE BODY ASSEMBLY
B -- Continue to next step.

4. CHECK MIL (ACCELERATOR PEDAL POSITION SENSOR)
(a) Disconnect the accelerator pedal position sensor connector.
(b) Turn the engine switch on (IG).
(c) Check the MIL.
Result:





(d) Reconnect the accelerator pedal position sensor connector.
A -- REPLACE ACCELERATOR PEDAL ASSEMBLY
B -- Continue to next step.

5. CHECK MIL (CANISTER PUMP MODULE)
(a) Disconnect the canister pump module connector.
(b) Turn the engine switch on (IG).
(c) Check the MIL.
Result:





(d) Reconnect the canister pump module connector.
A -- REPLACE CANISTER ASSEMBLY
B -- Continue to next step.

6. CHECK MIL (CRANKSHAFT POSITION SENSOR)
(a) Disconnect the crankshaft position sensor.
(b) Turn the engine switch on (IG).
(c) Check the MIL.
Result:





(d) Reconnect the crankshaft position sensor.
A -- REPLACE CRANKSHAFT POSITION SENSOR
B -- Continue to next step.

7. CHECK MIL (CAMSHAFT POSITION SENSOR)
(a) Disconnect the camshaft position sensor.
(b) Turn the engine switch on (IG).
(c) Check the MIL.
Result:





(d) Reconnect the camshaft position sensor.
A -- REPLACE CAMSHAFT POSITION SENSOR
B -- Continue to next step.

8. CHECK MIL (VVT SENSOR FOR INTAKE SIDE BANK 1)
(a) Remove the air cleaner assembly LH Removal.
(b) Disconnect the VVT sensor for intake side bank 1 connector.
(c) Turn the engine switch on (IG).
(d) Check the MIL.
Result:





(e) Reconnect the VVT sensor for intake side bank 1 connector.
A -- REPLACE VVT SENSOR FOR INTAKE SIDE BANK 1
B -- Continue to next step.

9. CHECK MIL (VVT SENSOR FOR EXHAUST SIDE BANK 1)
(a) Disconnect the VVT sensor for exhaust side bank 1 connector.
(b) Turn the engine switch on (IG).
(c) Check the MIL.
Result:





(d) Reconnect the VVT sensor for exhaust side bank 1 connector.
A -- REPLACE VVT SENSOR FOR EXHAUST SIDE BANK 1
B -- Continue to next step.

10. CHECK MIL (VVT SENSOR FOR INTAKE SIDE BANK 2)
(a) Remove the air cleaner assembly RH Removal.
(b) Disconnect the VVT sensor for intake side bank 2 connector.
(c) Turn the engine switch on (IG).
(d) Check the MIL.
Result:





(e) Reconnect the VVT sensor for intake side bank 2 connector.
A -- REPLACE VVT SENSOR FOR INTAKE SIDE BANK 2
B -- Continue to next step.

11. CHECK MIL (VVT SENSOR FOR EXHAUST SIDE BANK 2)
(a) Disconnect the VVT sensor for exhaust side bank 2 connector.
(b) Turn the engine switch on (IG).
(c) Check the MIL.
Result:





(d) Reconnect the VVT sensor for exhaust side bank 2 connector.
A -- REPLACE VVT SENSOR FOR EXHAUST SIDE BANK 2
B -- Continue to next step.

12. CHECK MIL (FUEL PRESSURE SENSOR)
(a) Remove the intake manifold Removal.
(b) Disconnect the fuel pressure sensor connector.
(c) Turn the engine switch on (IG).
(d) Check the MIL.
Result:





(e) Reconnect the fuel pressure sensor connector.
A -- REPLACE FUEL PRESSURE SENSOR
B -- Continue to next step.

13. CHECK HARNESS AND CONNECTOR




(a) Disconnect the throttle body connector.
(b) Disconnect the accelerator pedal position sensor connector.
(c) Disconnect the canister pump module connector.
(d) Disconnect the VVT sensor for intake side (bank 1).
(e) Disconnect the VVT sensor for exhaust side (bank 1).
(f) Disconnect the VVT sensor for intake side (bank 2).
(g) Disconnect the VVT sensor for exhaust side (bank 2).
(h) Disconnect the crankshaft position sensor.
(i) Disconnect the camshaft position sensor.
(j) Disconnect the fuel pressure sensor.
(k) Disconnect the E1, E2 and A14 ECM connectors.
(l) Measure the resistance according to the value(s) in the table below.
Standard resistance (Check for short):





(m) Reconnect the ECM connectors.
(n) Reconnect the canister pump module connector.
(o) Reconnect the accelerator pedal position sensor connector.
(p) Reconnect the throttle body connector.
(q) Reconnect the VVT sensor for intake side (bank 1).
(r) Reconnect the VVT sensor for exhaust side (bank 1).
(s) Reconnect the VVT sensor for intake side (bank 2).
(t) Reconnect the VVT sensor for exhaust side (bank 2).
(u) Reconnect the crankshaft position sensor.
(v) Reconnect the camshaft position sensor.
(w) Reconnect the fuel pressure sensor.
NG -- REPAIR OR REPLACE HARNESS OR CONNECTOR
OK -- REPLACE ECM