Curiosii for ever!
: Car repair manuals for everyone.
Home
>>
Lexus
>>
2009
>>
LS 460 AWD V8-4.6L (1UR-FSE)
>>
Repair and Diagnosis
>>
Heating and Air Conditioning
>>
Control Module HVAC
>>
Service and Repair
>>
Components
Components
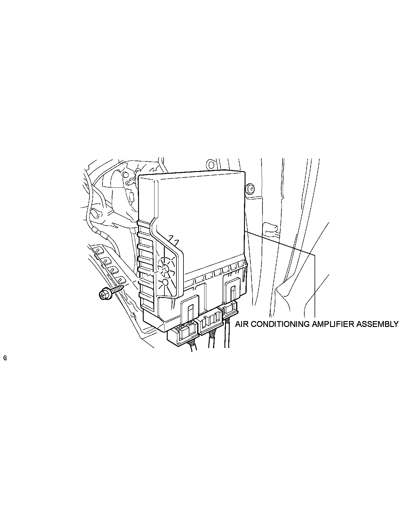
AIR CONDITIONING: AIR CONDITIONING AMPLIFIER: COMPONENTS
COMPONENTS
ILLUSTRATION