Curiosii for ever!: Car repair manuals for everyone.

System Diagram

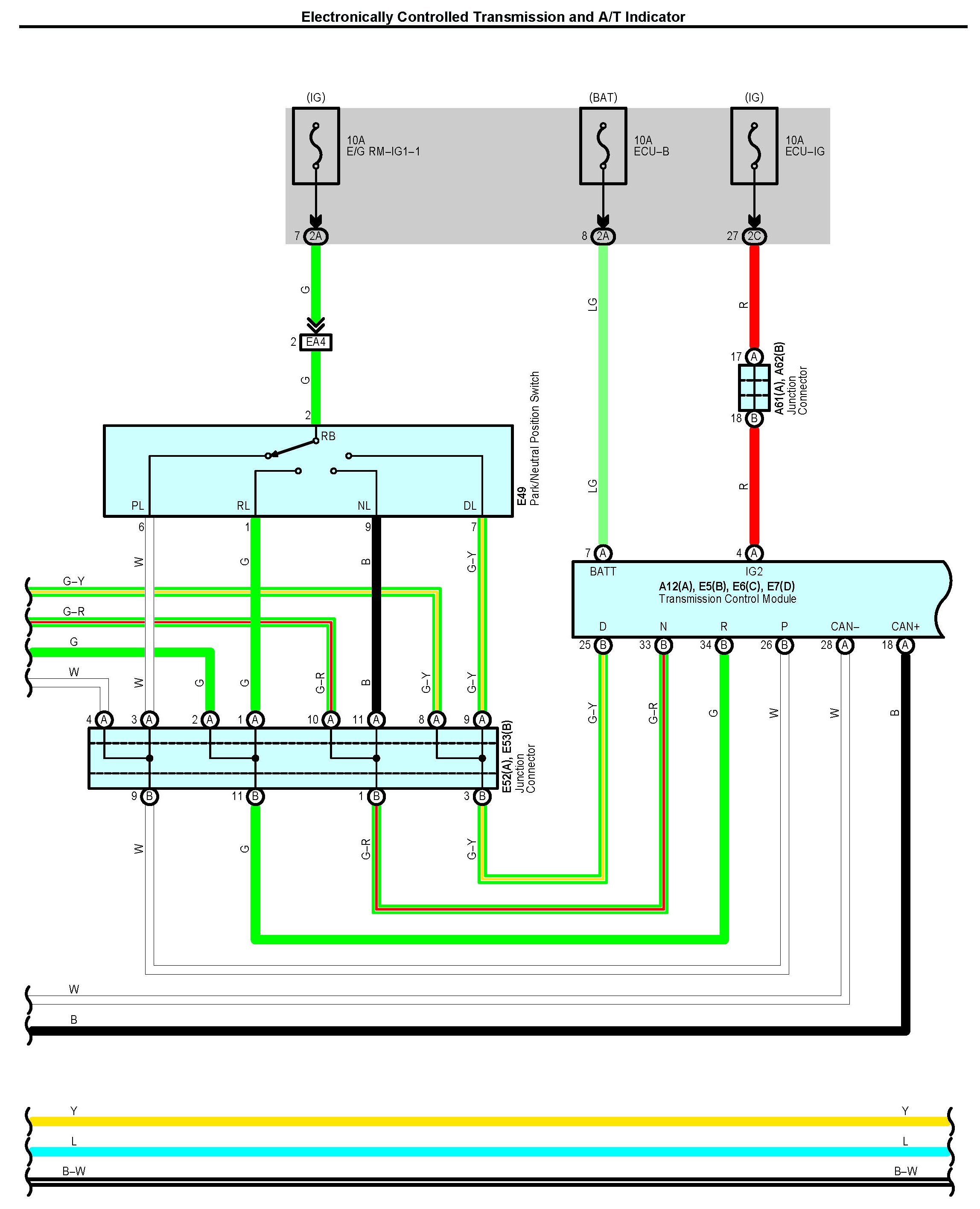
Electronically Controlled Transmission And A/T Indicator Part 1:




Electronically Controlled Transmission And A/T Indicator Part 2:




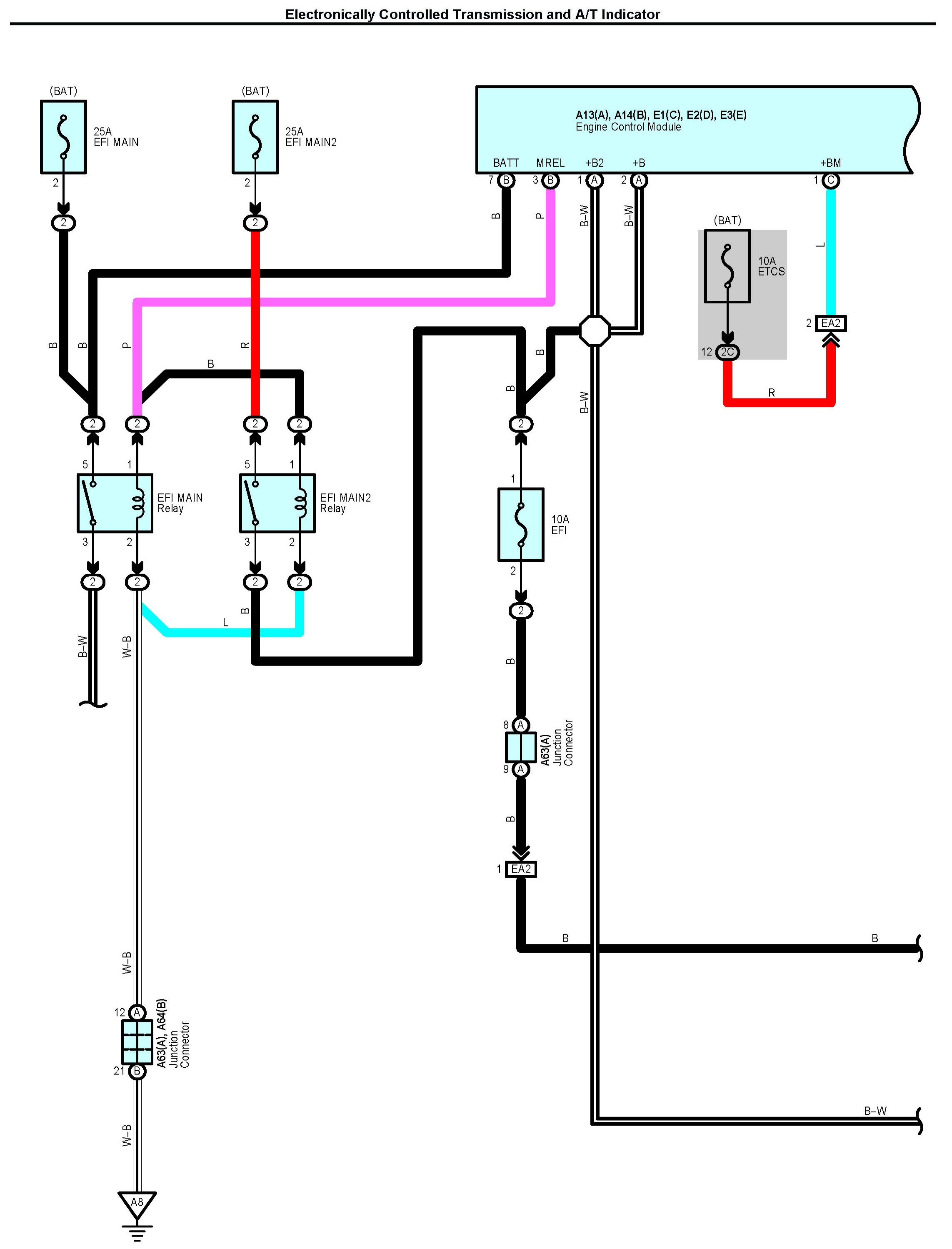
Electronically Controlled Transmission And A/T Indicator Part 3:




Electronically Controlled Transmission And A/T Indicator Part 4:




Electronically Controlled Transmission And A/T Indicator Part 5:




Electronically Controlled Transmission And A/T Indicator Part 6:




Electronically Controlled Transmission And A/T Indicator Part 7:




Electronically Controlled Transmission And A/T Indicator Part 8:




Electronically Controlled Transmission And A/T Indicator Part 9:




Electronically Controlled Transmission And A/T Indicator Part 10:




Electronically Controlled Transmission And A/T Indicator Part 11:




Electronically Controlled Transmission And A/T Indicator Part 12:




Connectors Part 1:




Connectors Part 2:




Connectors Part 3:




Connectors Part 4:




Connectors Part 5:






Locations: The locations of components, connectors, ground points, and splices referred to within these diagrams can be found at Vehicle Locations. Locations