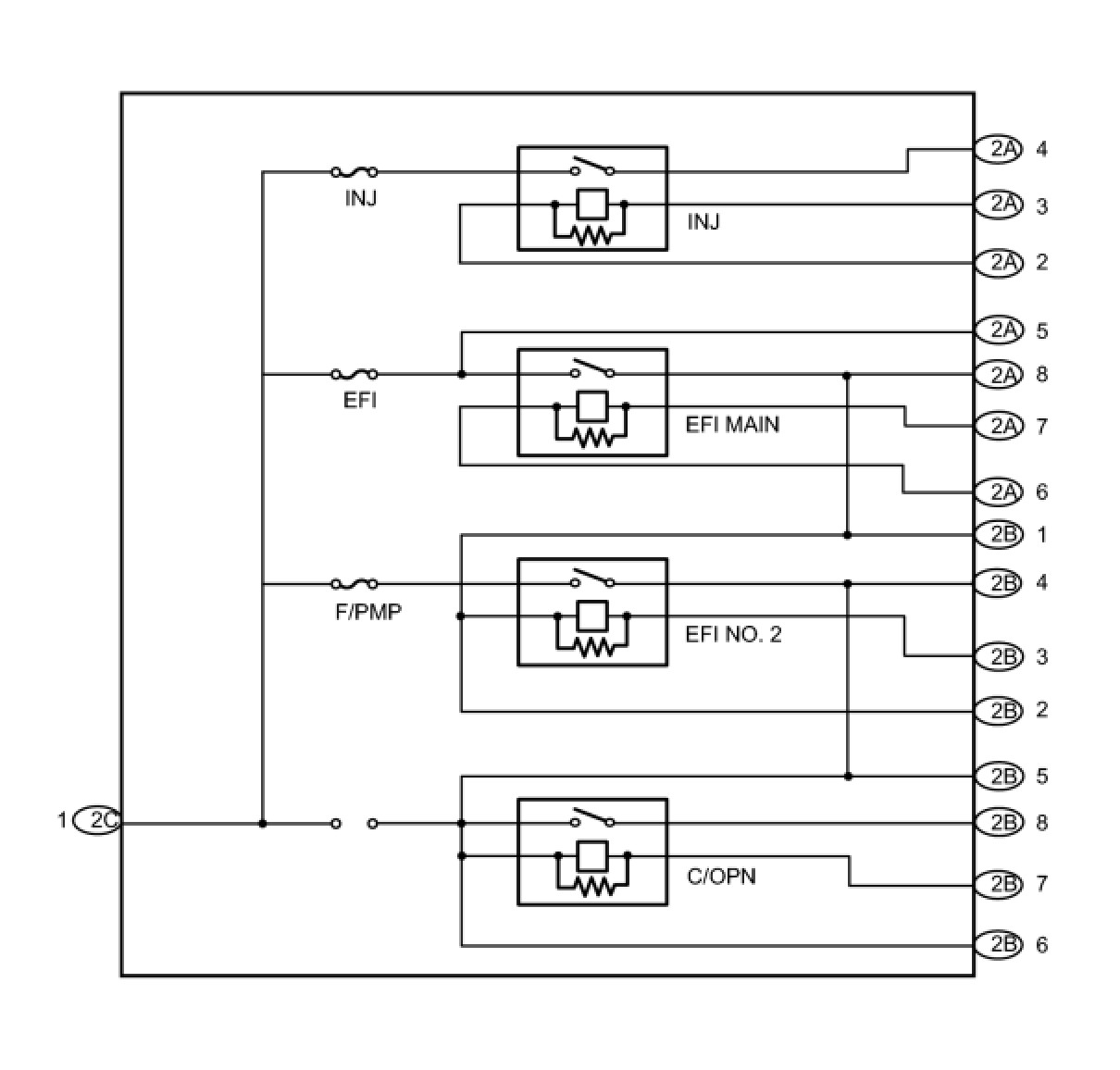
Integration Relay
2UR-GSE ENGINE CONTROL: INTEGRATION RELAY: INSPECTION
INSPECTION
1. INSPECT INTEGRATION RELAY
(a) EFI MAIN relay:
(1) Measure the resistance according to the value(s) in the table below.
Standard Resistance:
If the resistance is not as specified, replace the integration relay.
(b) EFI No. 2 relay:
(1) Measure the resistance according to the value(s) in the table below.
Standard Resistance:
If the resistance is not as specified, replace the integration relay.
(c) INJ relay:
(1) Measure the resistance according to the value(s) in the table below.
Standard Resistance:
If the resistance is not as specified, replace the integration relay.
(d) C/OPN relay:
(1) Measure the resistance according to the value(s) in the table below.
Standard Resistance:
If the resistance is not as specified, replace the integration relay.