Curiosii for ever!
: Car repair manuals for everyone.
Home
>>
Lexus
>>
2009
>>
IS 350 V6-3.5L (2GR-FSE)
>>
Repair and Diagnosis
>>
Starting and Charging
>>
Starting System
>>
Description and Operation
>>
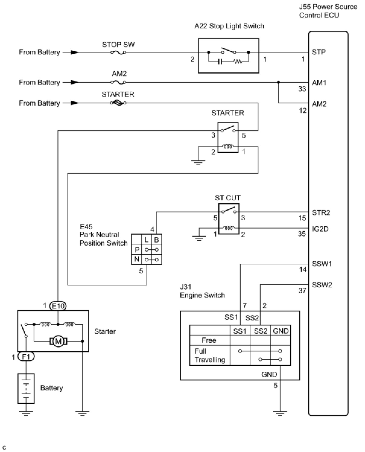
Starting System
Starting System
2GR-FSE STARTING:
STARTING SYSTEM
: SYSTEM DIAGRAM
SYSTEM DIAGRAM