Curiosii for ever!: Car repair manuals for everyone.

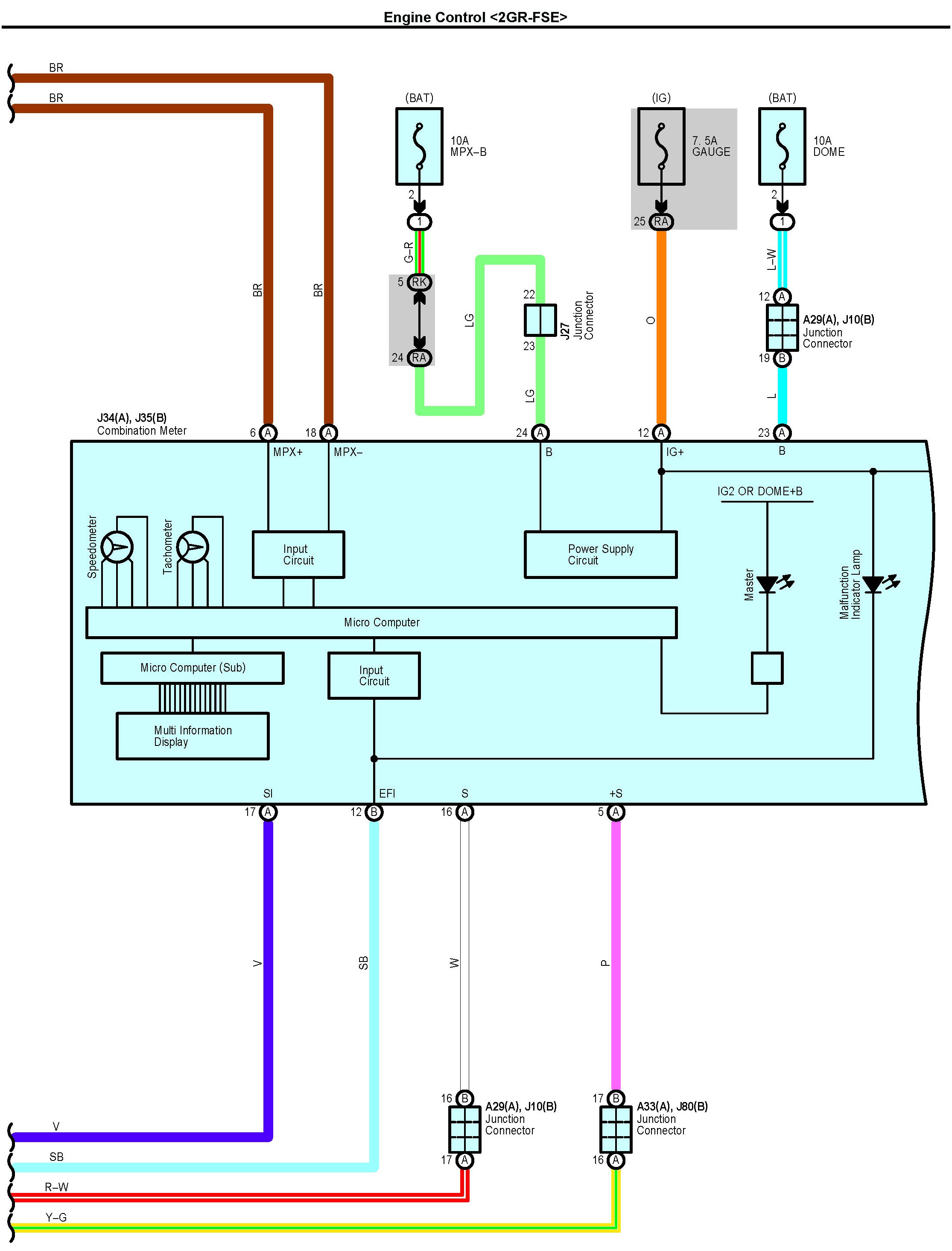
Engine Control Part 15

Engine Control Part 15:




Connectors Part 1:




Connectors Part 2:




Connectors Part 3:




Connectors Part 4:




Connectors Part 5:




Connectors Part 6:




Connectors Part 7:






Next Diagram Engine Control Part 16

Previous Diagram Engine Control Part 14

Locations: The locations of components, connectors, ground points, and splices referred to within these diagrams can be found at Vehicle Locations. Locations